GM Service Manual Online
For 1990-2009 cars only

DTC 25 Defrost Air Mix Door Motor Voltage High Early Software Version


Object Number: 243045  Size: LF

Circuit Description

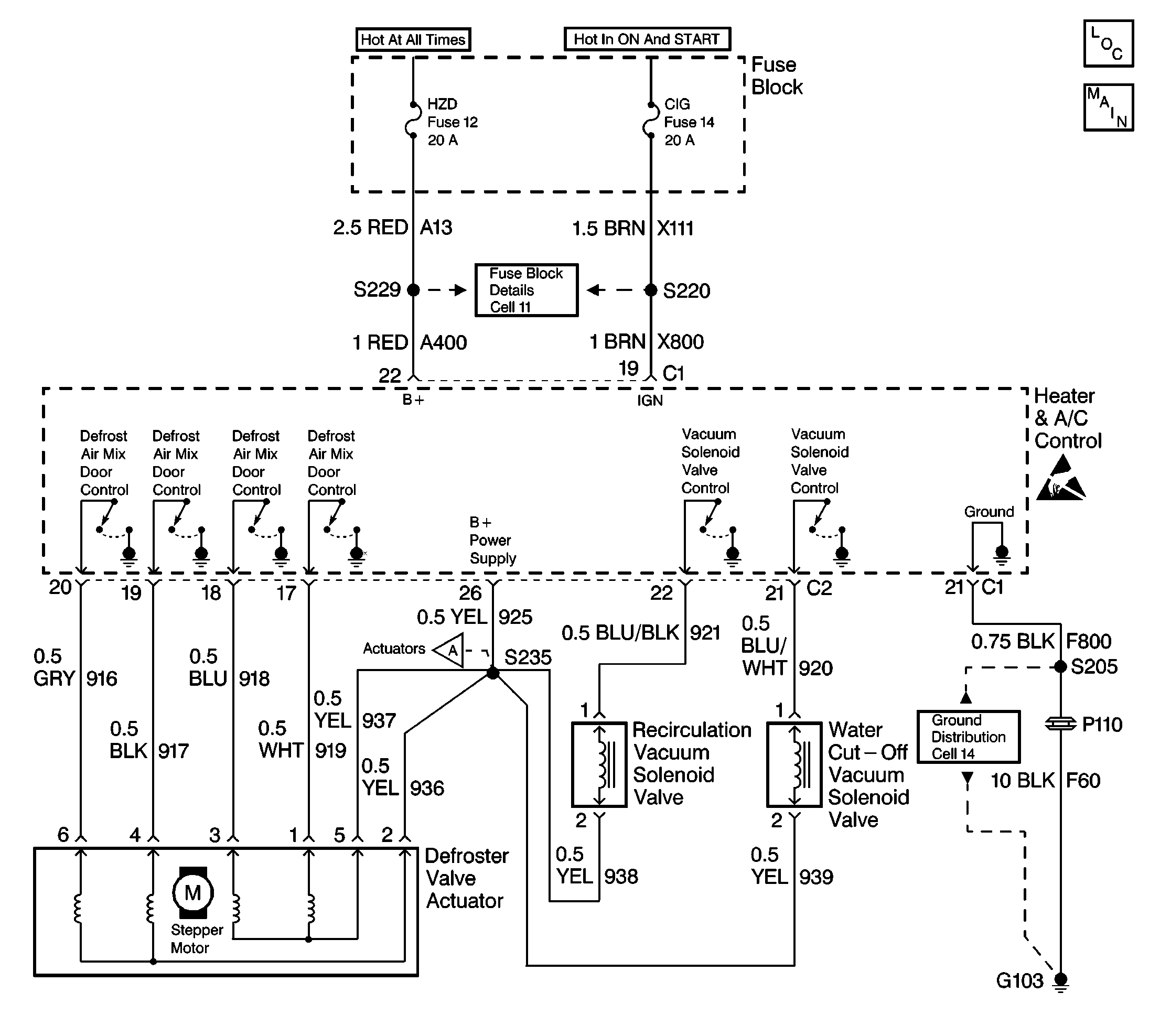
The defroster air valve actuator is a DC stepper motor by design. The stepper motor has four field windings that are controlled by the heater and A/C control. When the heater and A/C control needs to move the stepper motor, it energizes the proper field windings which rotates the armature a fixed amount in the proper direction. This fixed amount is called a step. Battery voltage for the stepper motor is supplied by the heater and A/C control when the ignition is in the ON position.

Attached to the stepper motor is a small gear. When the stepper motor is installed on the HVAC module, it meshes with a larger gear which is part of an assembly that drives the linkage of the air mix door.

Conditions for Setting the DTC

The heater and A/C control, measures the current of all four coil wires of the stepper motor within 10 seconds when the ignition is in the ON position. The measured current is averaged by the controller and a "fail threshold" is calculated. After the output current is measured it is compared with the threshold value. If a short circuit to battery is detected on any of the low side drivers, the controller automatically protects the low side drivers by disabling all low side outputs. This step is repeated 3 times within the 10 second time frame.

Action Taken When the DTC Sets

    • Stores a DTC 25 in the heater and A/C control memory.
    • The fault detection process is repeated 3 times at a fixed interval of 70 ms to allow for debouncing.
        When the fault is set, the stepper motor can no longer be controlled.

Conditions for Clearing the DTC

    • The conditions for the fault are no longer present.
    • Using a scan tool.
    • A history DTC will clear after 20 consecutive ignition cycles if the condition for the fault is no longer present.

Diagnostic Aids

    • If the DTC is a history or an intermittent. Try performing the tests shown while "wiggling" wiring and connectors, this can often cause the malfunction to appear.
    • Visually inspect stepper motor connector and harness for damage, corrosion or water intrusion.
    • Check for adequate terminal tension, mis-routed harness, rubbed through wire insulation, and broken wire inside the insulation.

Test Description

The numbers below refer to the step numbers on the diagnostic table.

  1. This step tests for a short to battery with and without the ignition in the ON position.

  2. This step replaces the heater and A/C control. If the DTC continues to reset, after all circuits were checked and no faults found, usually indicates that an internal failure has occurred in the heater and A/C control.

Step

Action

Value(s)

Yes

No

1

Was the Air Delivery System Check

--

Go to Step 2

Go to Air Delivery System Check

2

  1. Make sure the ignition switch is OFF.
  2. Remove the heater and A/C control and disconnect connector C2.
  3. Remove the connector from the defroster valve stepper motor.
  4. Use a DMM, on the DC Volts scale, and measure and record the voltage on CKTs 916 through 919.
  5. Turn ON the ignition switch and measure the voltage again on all 4 circuits.

Are the voltage readings within the specified value?

Less than 0.1 V

Go to Step 3

Go to Step 4

3

  1. Reinstall the connectors removed in the previous steps.
  2. Install the scan tool and clear codes.
  3. Recheck for DTCs.

Is a current DTC 25 present?

--

Go to Step 5

Go to Air Delivery System Check

4

Locate and repair the short to B+ in the circuit(s) that failed the test

Is the circuit repair complete?

--

Go to Step 3

--

5

Replace and program the heater and A/C control. Refer to Heater and A/C Control Replacement for the programming procedure.

Is the replacement and programming complete?

--

Go to Air Delivery System Check

--

DTC 25 Defrost Air Mix Door Motor Voltage High 2nd Design


Object Number: 373794  Size: MF

Circuit Description

The defroster air valve actuator is a DC stepper motor by design. The stepper motor has four field windings that are controlled by the heater and A/C control. When the heater and A/C control needs to move the stepper motor, it energizes the proper field windings which rotates the armature a fixed amount in the proper direction. This fixed amount is called a step. Battery voltage for the stepper motor is supplied by the heater and A/C control when the ignition is in the ON position.

Attached to the stepper motor is a small gear. When the stepper motor is installed on the HVAC module, it meshes with a larger gear which is part of an assembly that drives the linkage of the air mix door.

Conditions for Setting the DTC

The heater and A/C control, measures the current of all four coil wires of the stepper motor within 10 seconds when the ignition is in the ON position. The measured current is averaged by the controller and a "fail threshold" is calculated. After the output current is measured it is compared with the threshold value. If a short circuit to battery is detected on any of the low side drivers, the controller automatically protects the low side drivers by disabling all low side outputs. This step is repeated 3 times within the 10 second time frame.

Action Taken When the DTC Sets

    • Stores a DTC 25 in the heater and A/C control memory.
    • The fault detection process is repeated 3 times at a fixed interval of 70 ms to allow for debouncing.
        When the fault is set, the stepper motor can no longer be controlled.

Conditions for Clearing the DTC

    • The conditions for the fault are no longer present.
    • Using a scan tool.
    • A history DTC will clear after 20 consecutive ignition cycles if the condition for the fault is no longer present.

Diagnostic Aids

    • If the DTC is a history or an intermittent. Try performing the tests shown while moving the harness wiring and connectors, this can often cause the malfunction to appear.
    • Visually inspect stepper motor connector and harness for damage, corrosion or water intrusion.
    • Check for adequate terminal tension, mis-routed harness, rubbed through wire insulation, and broken wire inside the insulation.

Test Description

The numbers below refer to the step numbers on the diagnostic table.

  1. Checks the operation of the actuators to see if they are capable of moving when commanded by the heater and A/C control.

  2. This step tests for a short to battery with and without the ignition in the ON position.

Step

Action

Value(s)

Yes

No

1

Was the Air Delivery System Check

--

Go to Step 2

Go to HVAC Air Delivery System Check

2

  1. Install the scan tool.
  2. Turn ON the ignition switch.
  3. Select DEF AIR MIX DOOR MOT. and POS. from the data list.
  4. Press the AUTO button.
  5. Press the MODE button in increments until the DEFOG mode appears and select it.

Important: Until the stepper motor reaches the commanded position the status of this parameter changes from INACTIVE to ACTIVE.

Does the scan tool display ACTIVE for the motor and 30% for the position?

--

Go to Step 3

Go to Step 4

3

Repeat the above steps but press the DEFROST button.

Does the scan tool display ACTIVE for the motor and 100% for the position?

--

Go to HVAC Air Delivery System Check

Go to Step 4

4

  1. Turn OFF the ignition switch.
  2. Remove the heater and A/C control and disconnect C2.
  3. Remove the connector from the defrost stepper motor.
  4. Use a DMM, on the DC Volts scale, measure and record the voltage on CKTs 916 through 919.
  5. Turn ON the ignition and measure the voltage again on all 4 circuits.

Are the voltage readings within the specified value?

Less than 0.1 V

Go to Step 5

Go to Step 6

5

  1. Reinstall connectors removed.
  2. Install the scan tool and clear codes.
  3. Recheck for any codes.

Is a current DTC 25 present?

--

Go to Step 7

Go to HVAC Air Delivery System Check

6

Locate and repair the short to B+ in the circuit(s) that failed the test

Is the repair complete?

--

Go to Step 7

--

7

Replace and program the heater and A/C control. Refer to Control Assembly Replacement

Is the replacement and programming complete?

--

Go to HVAC Air Delivery System Check

--