GM Service Manual Online
For 1990-2009 cars only

Object Number: 242534  Size: LF

Circuit Description

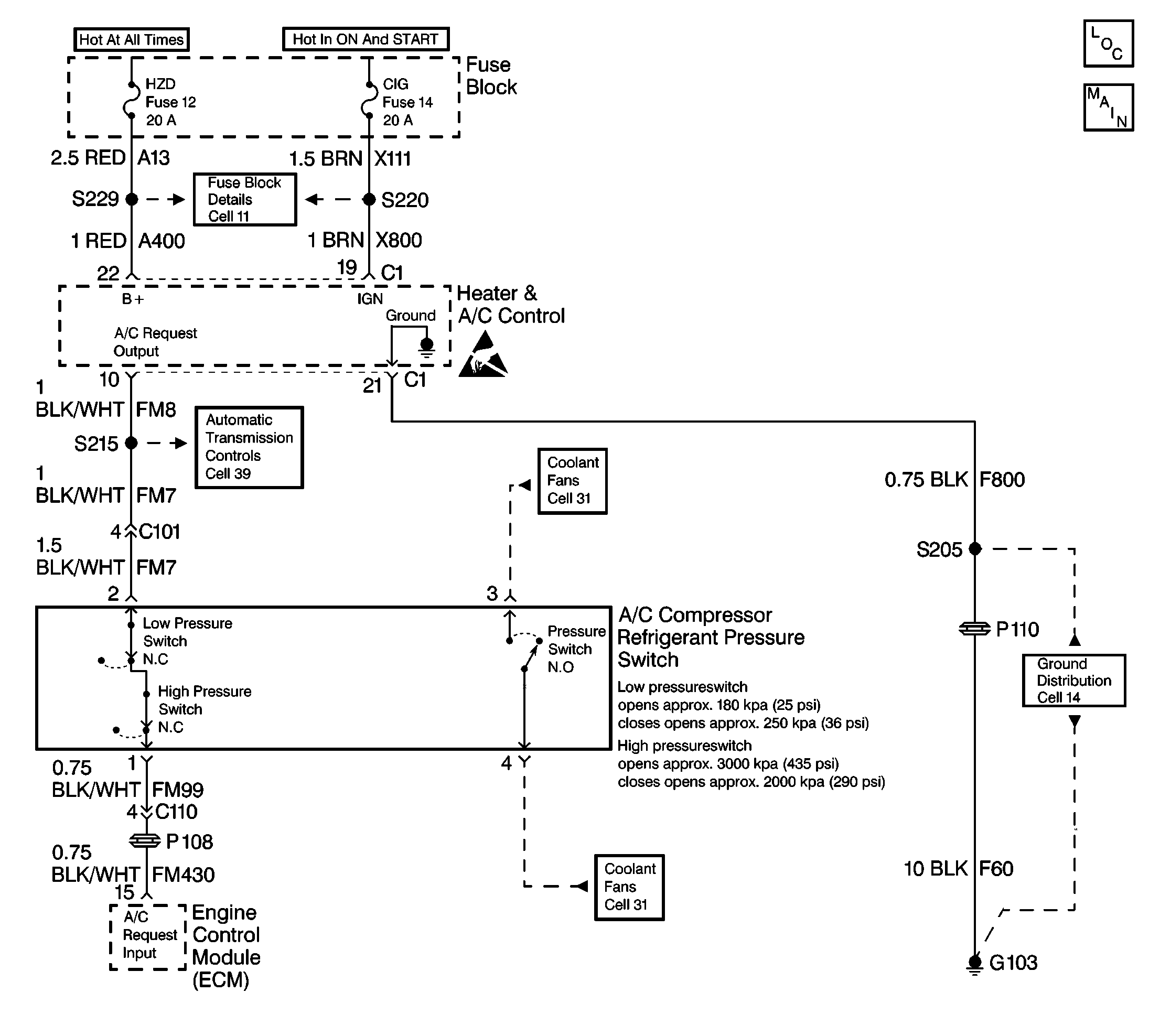
The A/C switch is a momentary switch that returns to the rest position after it is pressed to the ON or OFF position. When it is pressed to the ON position, it supplies voltage to the A/C compressor refrigerant pressure switch. The pressure switch is a normally closed switch when the pressure in the refrigerant line is approximately 180 KPa (36 psi). With the pressure switch closed, voltage is supplied to the Engine Control Module (ECM) at terminal 15. When the ECM receives this signal, it grounds the A/C compressor relay coil which energizes the relay closing the relay contacts. Voltage is now supplied to the A/C compressor clutch coil which energizes allowing the compressor to engage.

The heater and A/C control monitors the ECM when it energizes or de-energizes the A/C compressor relay coil. The heater and A/C control monitors the circuit at terminal 9 connector C1. This circuit is in parallel with the control side of the relay coil.

Conditions for Setting the DTC

    • The heater and A/C control monitors the request circuit for a short to ground every 40 ms on a continuous basis.
    • The request circuit stays at or near zero volts.

Action Taken When the DTC Sets

    • The heater and A/C control stores a DTC 35 in memory.
    • The heater and A/C control internally disables the output.

Conditions for Clearing the DTC

    • The conditions for the fault are no longer present.
    • Using a scan tool.
    • A history DTC will clear after 20 consecutive ignition cycles if the condition for the fault is no longer present.

Diagnostic Aids

    • If the DTC is a history or an intermittent. Try to perform the test shown while "wiggling" wiring harnesses and connectors, this often can cause the malfunction to appear.
    • When moving related harnesses and harness connectors, visually/physically inspect wiring and connectors for the following:
       - Wire insulation that is rubbed through causing an intermittent short.
       - Wiring broken inside the insulation.
       - Poor mating of the connector halves or a terminal not fully seated in the connector body (backed out)
       - Improperly formed or damaged terminals. All connector terminals in the related circuits should be carefully reformed or replaced to insure proper contact tension.
       - Poor terminal to wire connection. Inspect for poor crimps, crimping over wire insulation rather than the wire.
    • Check the power and ground circuits before replacing the heater and A/C control.

Test Description

The number(s) below refer to the step number(s) on the diagnostic table.

  1. This test checks the furthest point of the circuits and determines if the circuit is complete.

  2. Determines on which side the suspected grounded circuit exists.

Step

Action

Value(s)

Yes

No

1

Was the Compressor Controls System Check performed?

 

Go to Step 2

Go to HVAC Compressor Controls System Check

2

  1. Disconnect ECM connector C2.
  2. Turn ON the ignition, with the engine OFF.
  3. Measure the voltage at connector C2 terminal 58 while pressing the A/C switch ON.

Does the voltage measure near the specified value?

12 V

Go to Step 3

Go to Step 4

3

Problem may be intermittent. Move related harnesses and harness connectors while monitoring the DMM. Refer to Diagnostic Aids.

Was a problem found and repaired?

--

Go to Step 5

Go to Step 5

4

  1. Disconnect the connector from the A/C compressor refrigerant pressure switch.
  2. Turn ON the ignition, with the engine OFF.
  3. Measure the voltage at harness connector terminal 2 while pressing the A/C button ON.

Does the voltage measure near the specified value?

12 V

Go to Step 6

Go to Step 7

5

  1. Reassemble components/connectors removed.
  2. Install the scan tool and clear codes.
  3. Recheck for DTC 36.

Is a current DTC 36 set?

--

Go to Step 8

Go to HVAC Compressor Controls System Check

6

  1. Leave pressure switch connector off.
  2. Measure the resistance from harness connector terminal 1 to ground.

Does the resistance measure near the specified value?

OL

Go to Step 11

Go to Step 9

7

  1. Remove heater and A/C control and disconnect connector C1. For removal procedure, refer to Control Assembly Replacement .
  2. Measure the resistance from harness connector terminal 2 and ground.

Does the resistance measure near the specified value?

OL

Go to Step 5

Go to Step 10

8

Replace and program the heater and A/C control. For the programming procedure, refer to Control Assembly Replacement .

Is the replacement and programming complete?

--

HVAC Compressor Controls System Check

--

9

Locate and repair the short to ground in the circuit between the harness connector terminal 1 and ECM connector terminal 15.

Is the repair complete?

--

Go to Step 5

--

10

Locate and repair the short to ground in the circuit between connector C1 terminal 10 and harness connector terminal 2.

Is the repair complete?

--

Go to Step 5

--

11

Replace the A/C compressor refrigerant switch. Refer to Pressure Cycling Switch Replacement

Is the replacement complete?

--

Go to Step 5

--