GM Service Manual Online
For 1990-2009 cars only

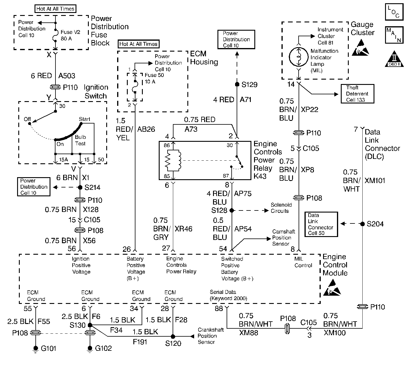
Object Number: 70471  Size: LF
Engine Controls Components
Cell 20 - Power, Ground, MIL and DLC
OBD II Symbol Description Notice
Handling ESD Sensitive Parts Notice
Handling ESD Sensitive Parts Notice

Circuit Description

A complete loss of battery voltage at the ECM will cause a no start with no MIL. However, an intermittent loss of B+ can set this DTC. Also, if the ECM has been disconnected, or B+ was interrupted during a service procedure, this DTC may set.

Conditions for Running the DTC

Engine cranking

Conditions for Setting the DTC

The ECM has detected a loss of battery voltage.

Action Taken When the DTC Sets

The ECM will not illuminate the malfunction indicator lamp (MIL).

Conditions for Clearing the MIL/DTC

    • The DTC clears after forty consecutive warm-up cycles if no failures report by this diagnostic or any other non-emission related diagnostic.
    • The scan tool clears the MIL/DTC.

Diagnostic Aids

Use the Connector Test Adapter Kit J 35616 for any test that requires probing the ECM harness connector or a component harness connector. Using this kit will prevent damage to the harness connector terminals.

Check for poor connections at the ECM or at the component. Inspect the harness connectors for any backed out terminals, improper mating, broken locks, improperly formed or damaged terminals, and poor terminal to wire connection. Refer to Electrical Diagnosis in Engine Electrical, Troubleshooting Procedures, Checking Terminal Contact for proper procedure.

Refer to Symptoms for the Intermittents.

Test Description

If the engine starts and runs, the fault is not present at this time. Check for any intermittent connections or an intermittent circuit problem on the B+ supply circuit to the ECM.

DTC P1564 - ECM Battery Voltage Loss

Step

Action

Value(s)

Yes

No

1

Did you perform the Powertrain On-Board Diagnostic (OBD) System check?

--

Go to Step 2

Go to Powertrain On Board Diagnostic (OBD) System Check

2

Does the engine start and run?

--

Fault is not present. Go to Diagnostic Aids

Go to Engine Cranks but Does Not Run