GM Service Manual Online
For 1990-2009 cars only
Makes
🢒
Cadillac
🢒
1998
🢒
Catera
🢒
Suspension
🢒
Automatic Level Control
🢒 Automatic Level Control Schematics
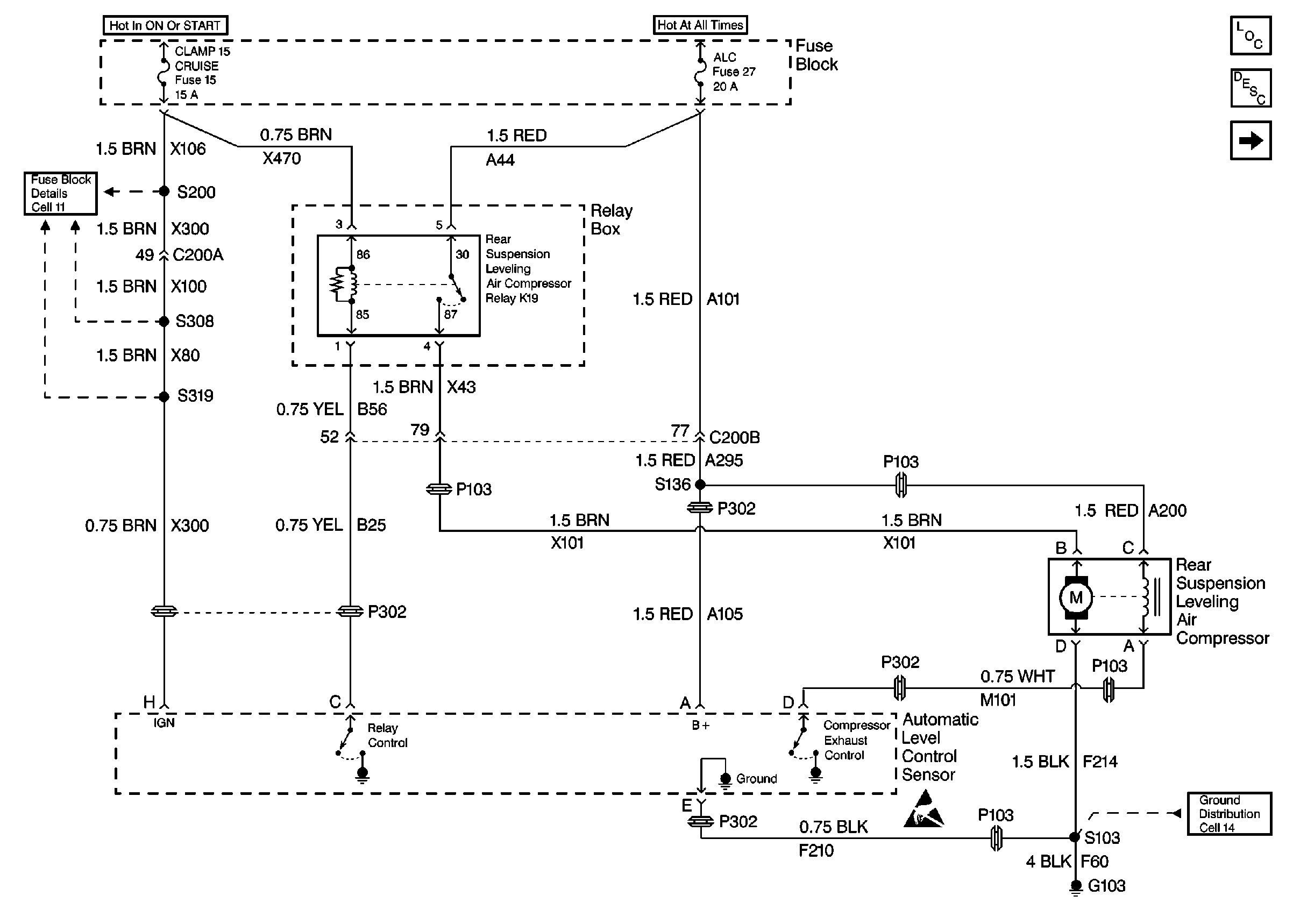
Figure
1:
Cell 42 ALC Sensor Power and Ground, Relay Bow, and Air Compressor
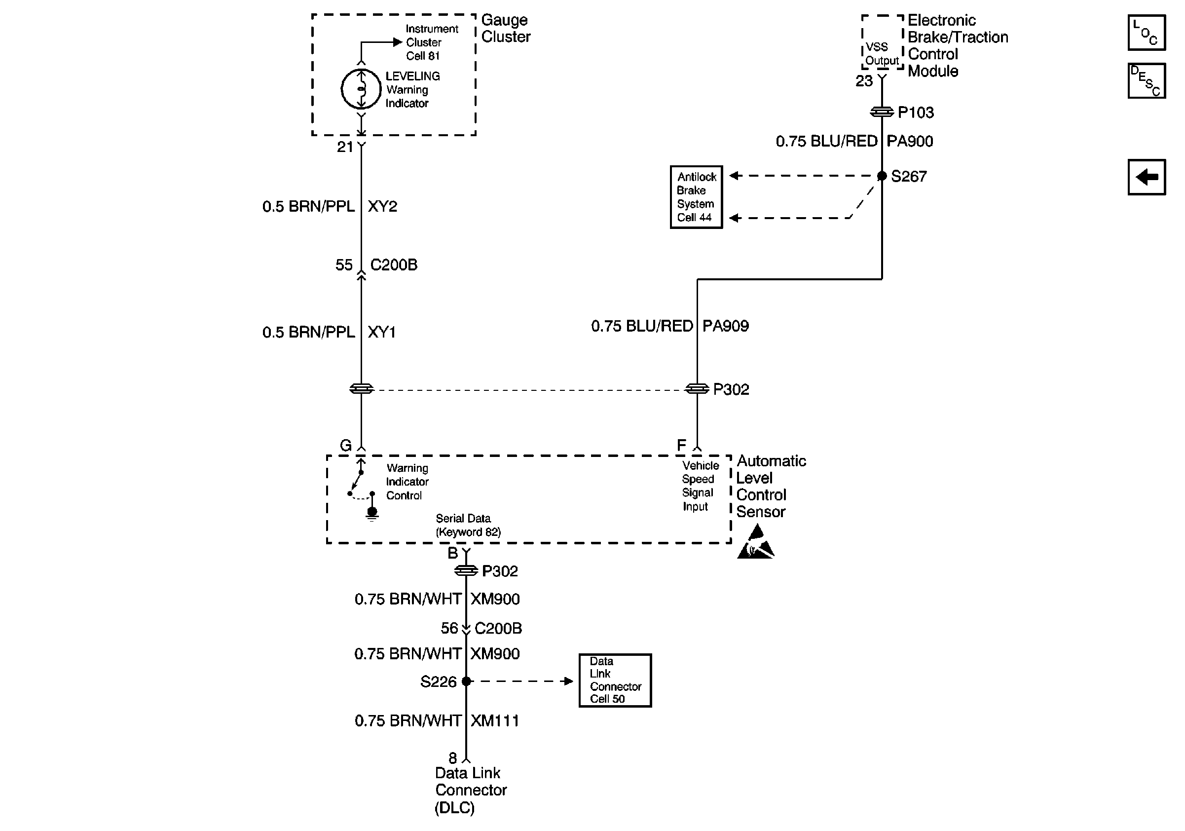
Figure
2:
Cell 42 ALC Sensor, Gauge Cluster, EBTCM, and DLC