GM Service Manual Online
For 1990-2009 cars only

Fuse Block Schematics Schematics

Figure 1:

Cell 11 Window Regulator Motors and Automatic Transmission Switches


Object Number: 237259  Size: FS
Power and Grounding Components
Cell 11 Heater Relays, TCM, and Rear Window Regulator Motors
Figure 2:

Cell 11 Heater Relays, TCM, and Rear Window Regulator Motors


Object Number: 237261  Size: FS
Power and Grounding Components
Cell 11 WSWA System, CD Changer, and Multifunction Relay K134
Cell 11 Window Regulator Motors and Automatic Transmission Switches
Figure 3:

Cell 11 WSWA System, CD Changer, and Multifunction Relay K134


Object Number: 237264  Size: FS
Power and Grounding Components
Cell 11 BCM, Heater and A/C Control, and A/C Load Switch
Cell 11 Heater Relays, TCM, and Rear Window Regulator Motors
Figure 4:

Cell 11 BCM, Heater and A/C Control, and A/C Load Switch


Object Number: 237265  Size: FS
Power and Grounding Components
Cell 11 LH and RH Outside Rear View Mirror, DLC, and Gauge Cluster
Cell 11 WSWA System, CD Changer, and Multifunction Relay K134
Figure 5:

Cell 11 LH and RH Outside Rear View Mirror, DLC, and Gauge Cluster


Object Number: 237267  Size: FS
Power and Grounding Components
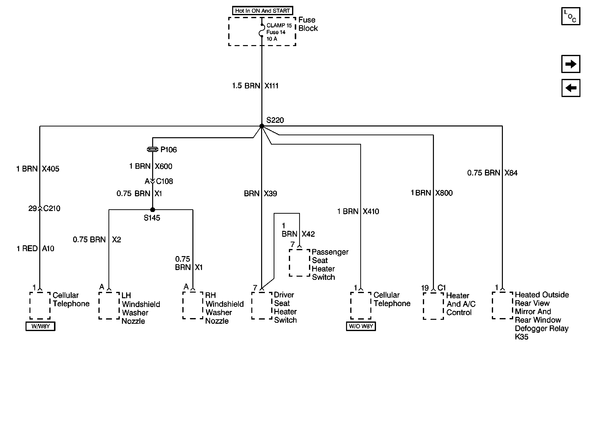
Cell 11 Heater Switches, Cell Phone, WSW Nozzles, and Heater and A/C Control
Cell 11 BCM, Heater and A/C Control, and A/C Load Switch
Figure 6:

Cell 11 Heater Switches, Cell Phone, WSW Nozzles, and Heater and A/C Control


Object Number: 237300  Size: FS
Power and Grounding Components
Cell 11 Cruise Control, Heater Relays, Instrument Cluster, and Headlamp Switch
Cell 11 LH and RH Outside Rear View Mirror, DLC, and Gauge Cluster
Figure 7:

Cell 11 Cruise Control, Heater Relays, Instrument Cluster, and Headlamp Switch


Object Number: 237305  Size: FS
Power and Grounding Components
Cell 11 BCM, Sun Roof Actuator, ALC Sensor, and Inside Rear View Mirror
Cell 11 Heater Switches, Cell Phone, WSW Nozzles, and Heater and A/C Control
Figure 8:

Cell 11 BCM, Sun Roof Actuator, ALC Sensor, and Inside Rear View Mirror


Object Number: 237306  Size: FS
Power and Grounding Components
Cell 11 Horns, Fuel Pump, EBTCM and DRL Relay K133
Cell 11 Cruise Control, Heater Relays, Instrument Cluster, and Headlamp Switch
Figure 9:

Cell 11 Horns, Fuel Pump, EBTCM and DRL Relay K133


Object Number: 237310  Size: FS
Power and Grounding Components
Cell 11 BCM, Lifting Magnet, Sun Roof Actuator, and Gauge Cluster
Cell 11 BCM, Sun Roof Actuator, ALC Sensor, and Inside Rear View Mirror
Figure 10:

Cell 11 BCM, Lifting Magnet, Sun Roof Actuator, and Gauge Cluster


Object Number: 237313  Size: FS
Power and Grounding Components
Cell 11 Radio, Rear License Lamps, and Headlamp Switch
Cell 11 Horns, Fuel Pump, EBTCM and DRL Relay K133
Figure 11:

Cell 11 Radio, Rear License Lamps, and Headlamp Switch


Object Number: 237315  Size: FS
Power and Grounding Components
Cell 11 ALC Sensor, Door Lock Relay K135, and Multifunction Relay K134
Cell 11 BCM, Lifting Magnet, Sun Roof Actuator, and Gauge Cluster
Figure 12:

Cell 11 ALC Sensor, Door Lock Relay K135, and Multifunction Relay K134


Object Number: 237316  Size: FS
Power and Grounding Components
Cell 11 Turn Signal Switch, Blower Controller, and A/C Compressor RelayK60
Cell 11 Radio, Rear License Lamps, and Headlamp Switch
Figure 13:

Cell 11 Turn Signal Switch, Blower Controller, and A/C Compressor Relay K60


Object Number: 237319  Size: FS
Power and Grounding Components
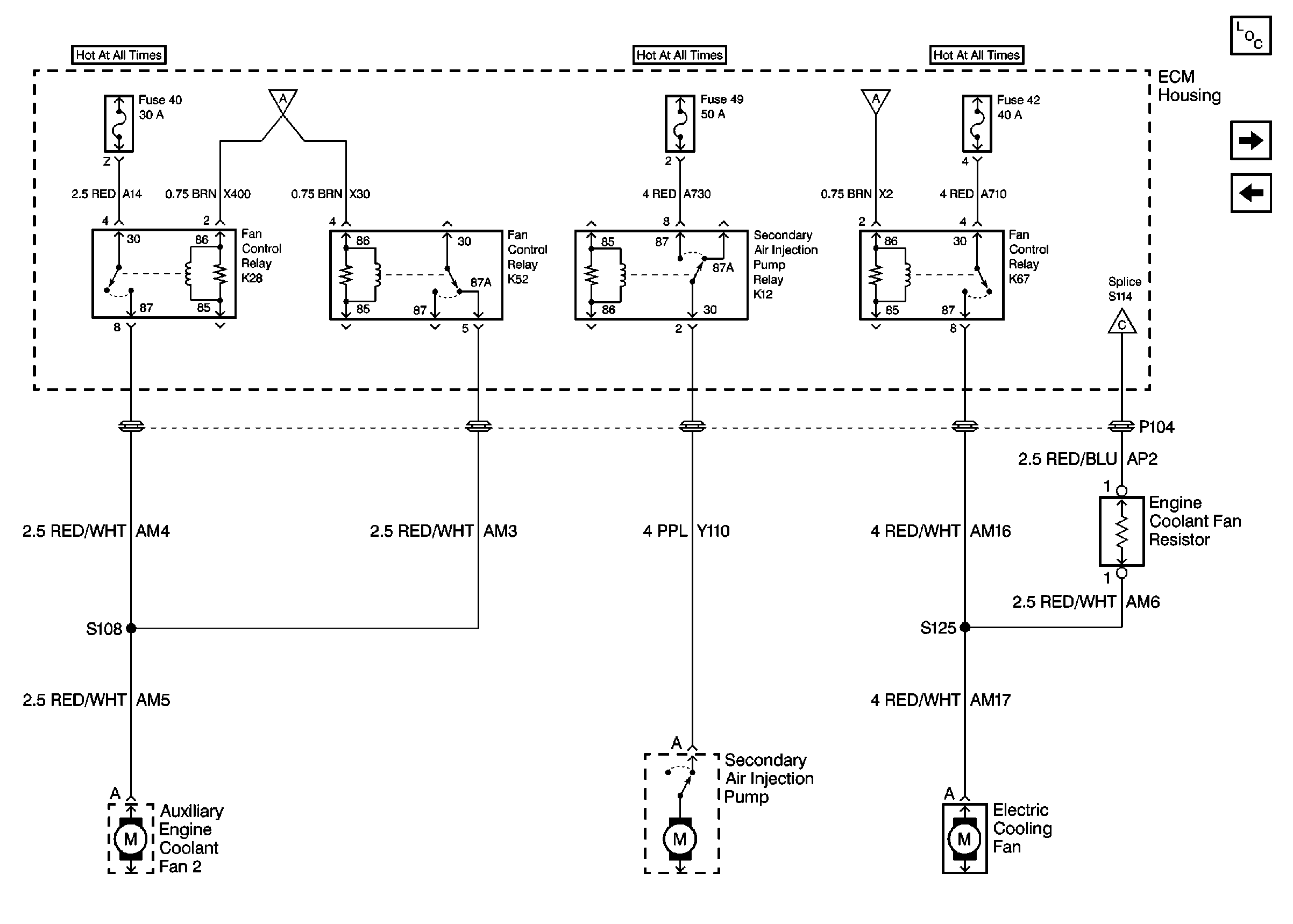
Cell 11 ECM Housing, Electric Cooling Fan, and Secondary Air Injection Pump
Cell 11 ALC Sensor, Door Lock Relay K135, and Multifunction Relay K134
Figure 14:

Cell 11 ECM Housing, Electric Cooling Fan, and Secondary Air Injection Pump


Object Number: 237323  Size: FS
Power and Grounding Components
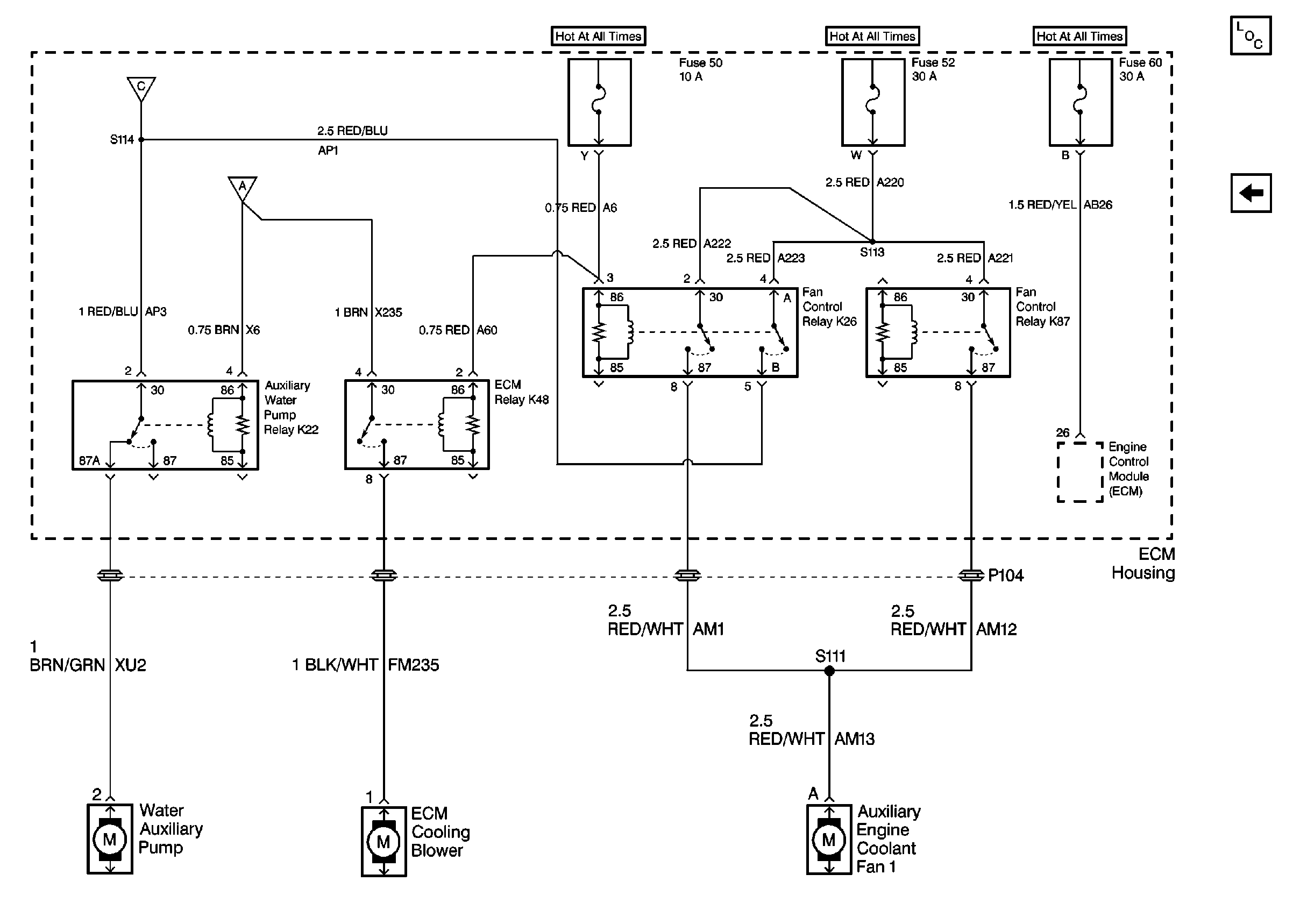
Cell 11 ECM Housing, ECM Cooling Blower, and Water Auxiliary Pump
Cell 11 Turn Signal Switch, Blower Controller, and A/C Compressor RelayK60
Figure 15:

Cell 11 ECM Housing, ECM Cooling Blower, and Water Auxiliary Pump


Object Number: 237325  Size: FS
Power and Grounding Components
Cell 11 ECM Housing, Electric Cooling Fan, and Secondary Air Injection Pump

Fuse Block Schematics Fuse Block (Front and Rear)

Front and Rear View of Fuse Block


Object Number: 237330  Size: LF
(1)Fuse Input
(2)Fuse Output
(3)Fuse Input
(4)Fuse Output

Fuse Block Schematics Front View of Relay Box

Front View of Relay Box


Object Number: 237348  Size: LF
(1)I Daytime Running Lamp Relay K133
(2)II Rear Suspension Leveling Air Compressor Relay K19
(3)VII Park Lamp Relay K130
(4)VIII Low Beam Relay K131
(5)IX Not Used
(6)X Not Used
(7)XI LH High Beam Headlamp Relay K73
(8)VI Horn Relay K63
(9)V RH High Beam Headlamp Relay K132
(10)IV Turn Signal Lamp Flasher K10
(11)III Heated Outside Rear View Mirror and Rear Window Defogger Relay K35

Fuse Block Schematics ECM Housing


Object Number: 409295  Size: LF
(1)Engine Control Module
(2)Inline Connector C110
(3)Coolant Fan Test Connector
(4)Fuse #50
(5)Fuse #42
(6)Fuse #49
(7)Fuse #60
(8)ECM Wiring Harness
(9)Fuse #43
(10)Fuel Pump Relay K44
(11) Engine Controls Power Relay K43
(12)Fan Control Relay K28
(13)Fan Control Relay K52
(14)Fan Control Relay K48
(15)Fan Control Relay K26
(16)Fan Control Relay K87
(17)A/C Compressor Relay K60
(18)Windshield Wiper Motor Relay K8
(19)Auxiliary Water Pump Relay K22
(20)Fan Control Relay K67
(21)Secondary Air Injection Pump Relay K12
(22)A/C Control Wiring Harness
(23)Fuse #40
(24)Fuse #52