GM Service Manual Online
For 1990-2009 cars only
Figure 1:

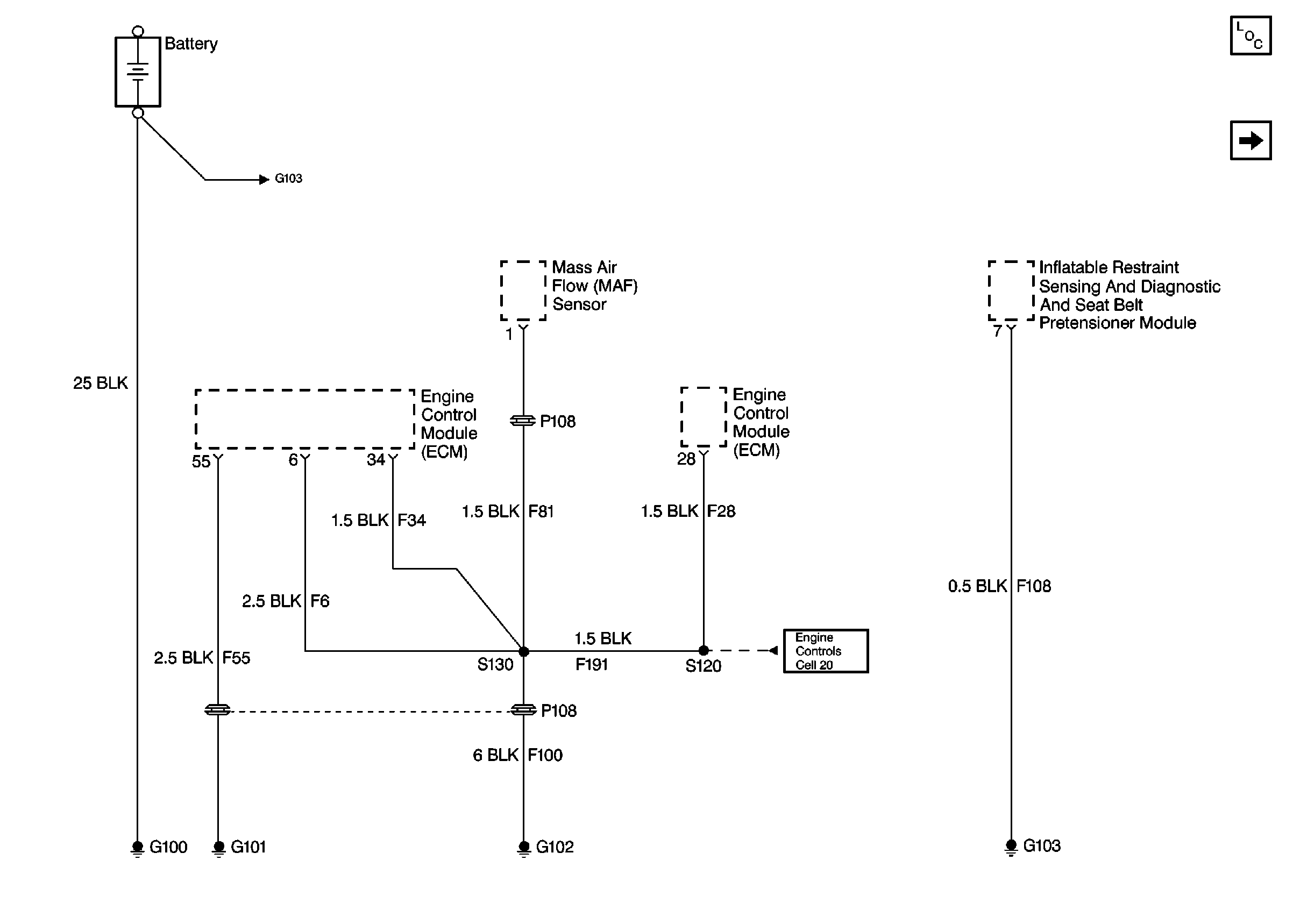
Cell 14 Battery, ECM, and Mass Air Flow Sensor


Object Number: 237383  Size: FS
Power and Grounding Components
Cell 14 Relays, ECM Cooling Blower, and Electric Cooling Fan
Figure 2:

Cell 14 Relays, ECM Cooling Blower, and Electric Cooling Fan


Object Number: 237385  Size: FS
Power and Grounding Components
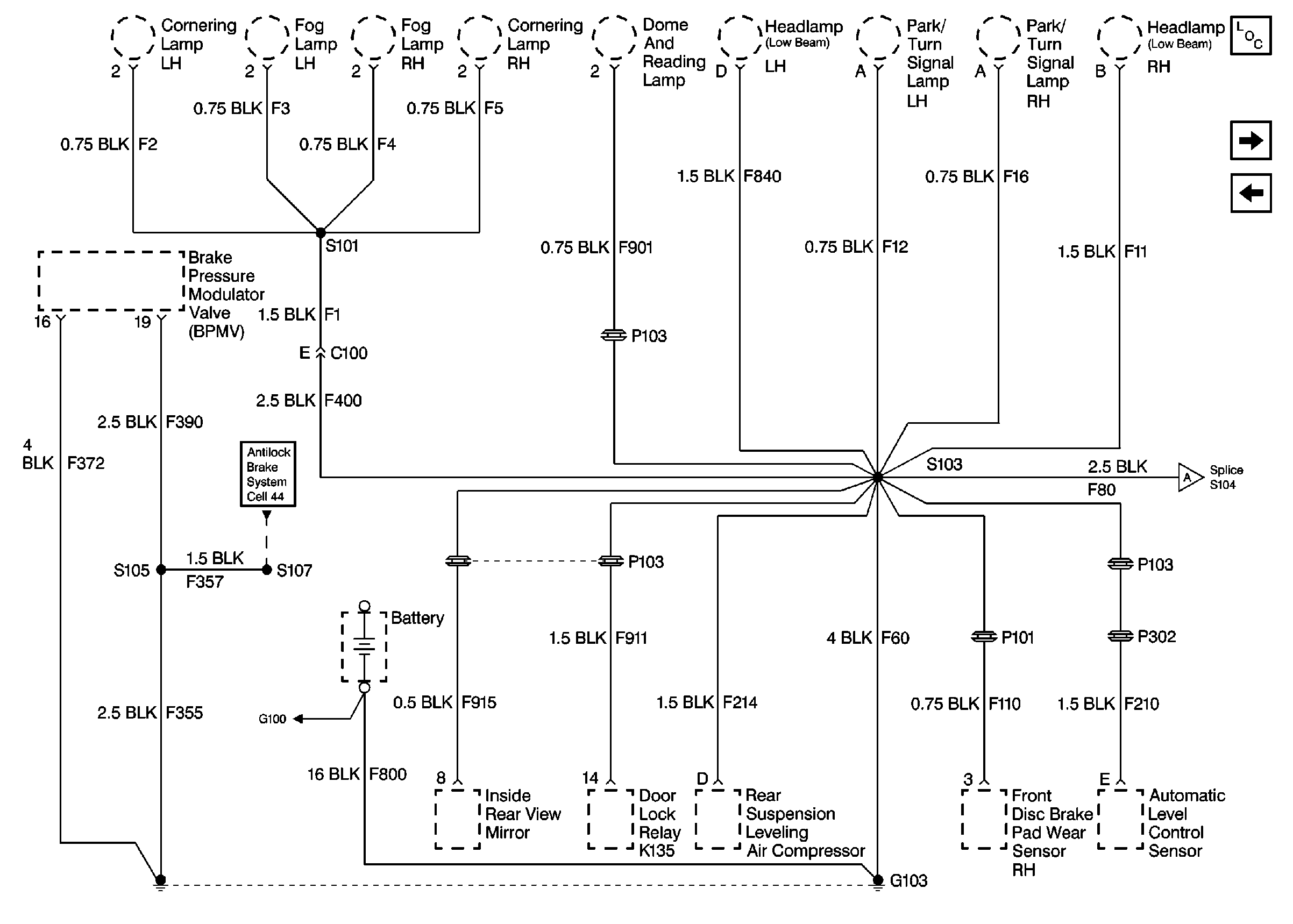
Cell 14 Door Lock Relay K135, ALC Sensor, and BPMV
Cell 14 Battery, ECM, and Mass Air Flow Sensor
Figure 3:

Cell 14 Door Lock Relay K135, ALC Sensor, and BPMV


Object Number: 237386  Size: FS
Power and Grounding Components
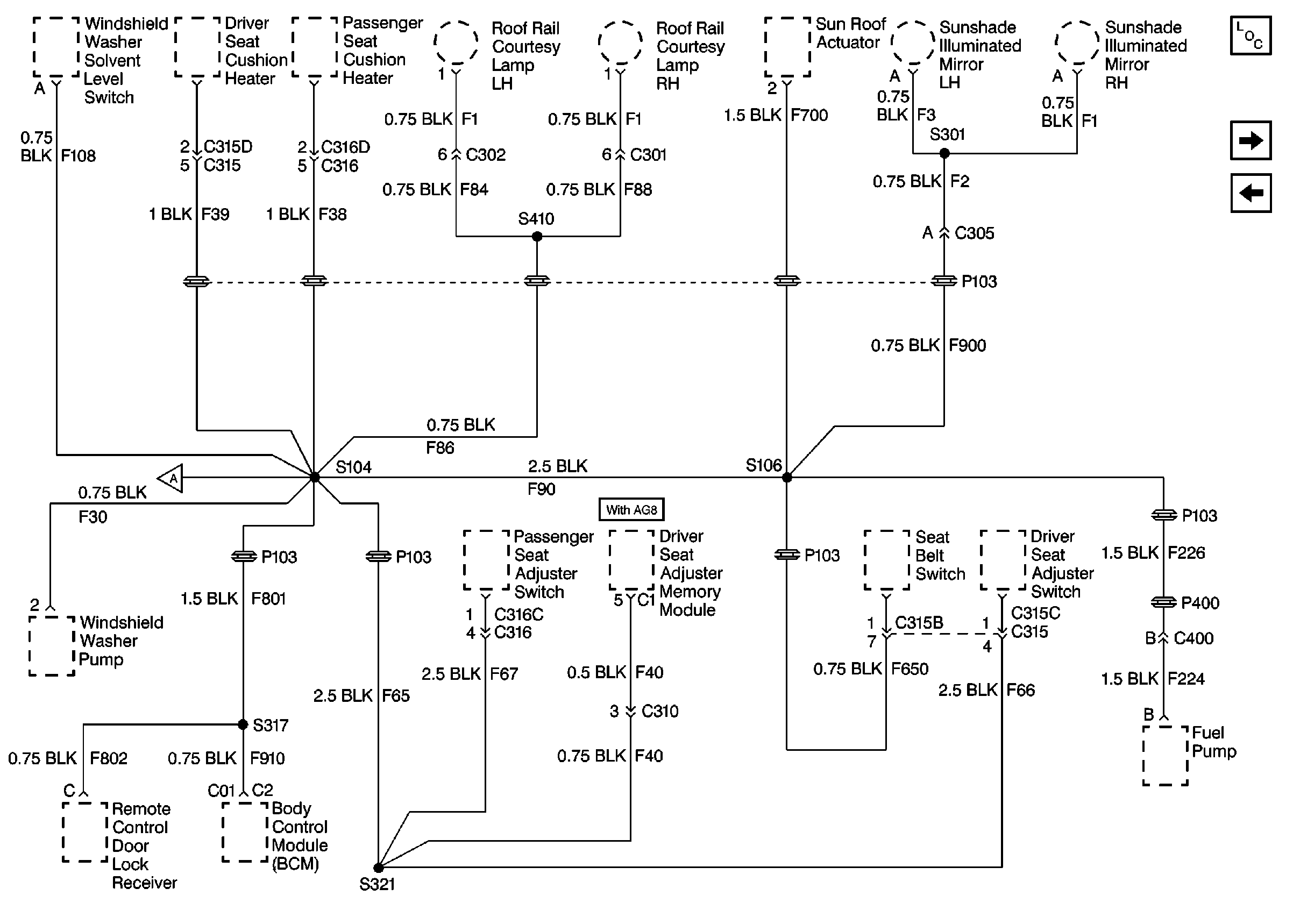
Cell 14 BCM, Sun Roof Actuator, BCM, RCDLR, and Courtesy Lamps
Cell 14 Relays, ECM Cooling Blower, and Electric Cooling Fan
Figure 4:

Cell 14 BCM, Sun Roof Actuator, BCM, RCDLR, and Courtesy Lamps


Object Number: 237388  Size: FS
Power and Grounding Components
Cell 14 TCM, Cruise Control Module, Gauge and Instrument Cluster
Cell 14 Door Lock Relay K135, ALC Sensor, and BPMV
Figure 5:

Cell 14 TCM, Cruise Control Module, Gauge and Instrument Cluster


Object Number: 237389  Size: FS
Power and Grounding Components
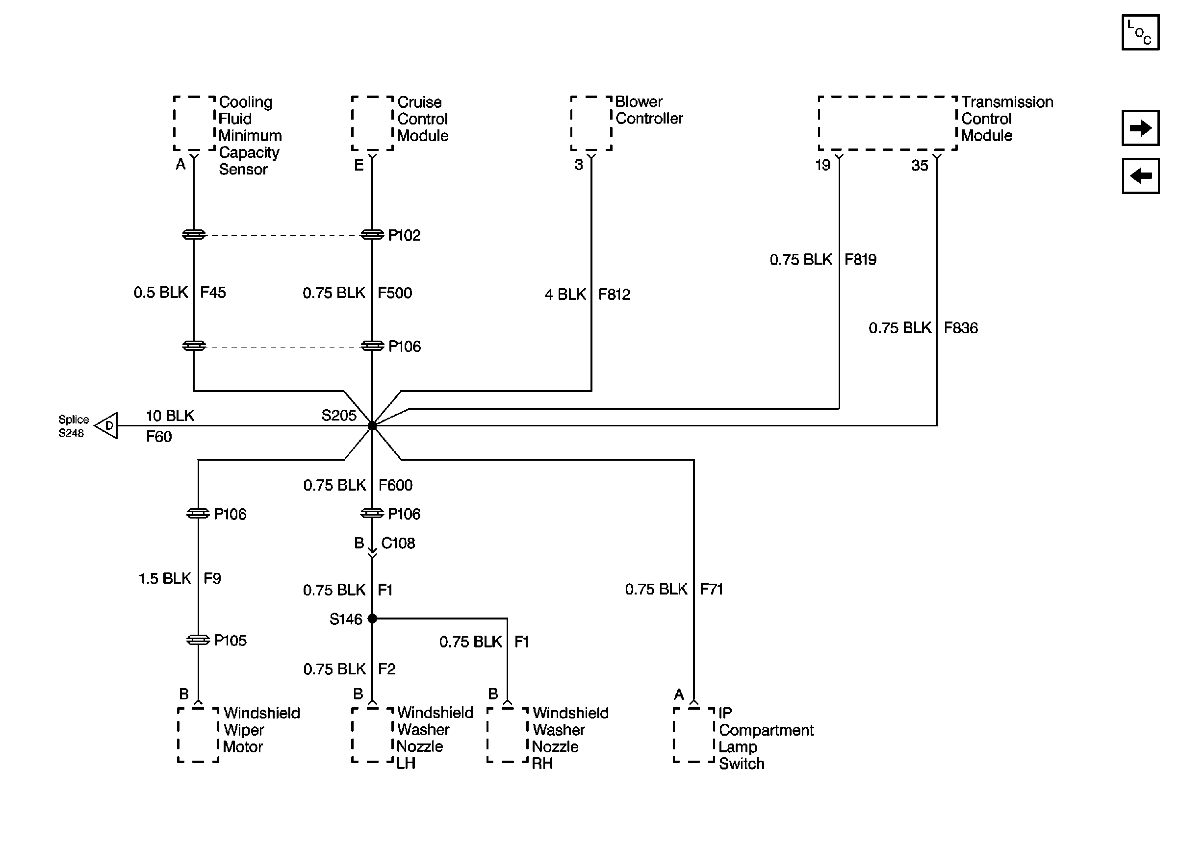
Cell 14 DLC, Traction Control Switch, and Engine Oil Level Sensor
Cell 14 BCM, Sun Roof Actuator, BCM, RCDLR, and Courtesy Lamps
Figure 6:

Cell 14 DLC, Traction Control Switch, and Engine Oil Level Sensor


Object Number: 237390  Size: FS
Power and Grounding Components
Cell 14 Heater Relays, Theft Deterrent Module, and Heater Switches
Cell 14 TCM, Cruise Control Module, Gauge and Instrument Cluster
Figure 7:

Cell 14 Heater Relays, Theft Deterrent Module, and Heater Switches


Object Number: 237393  Size: FS
Power and Grounding Components
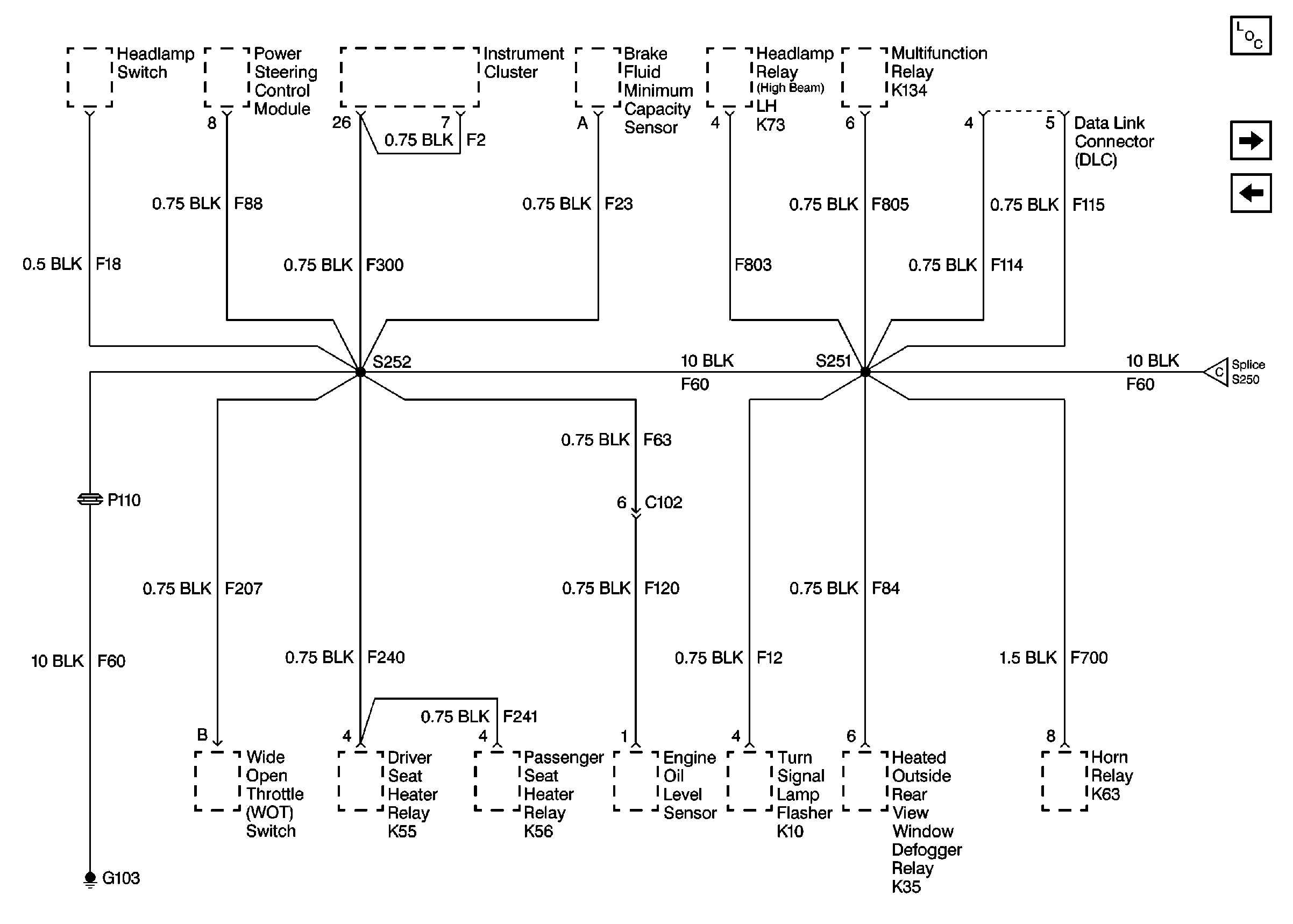
Horn Relay, Turn Signal Lamp Flasher, Gauge and Instrument Cluster Grounds
Cell 14 DLC, Traction Control Switch, and Engine Oil Level Sensor
Figure 8:

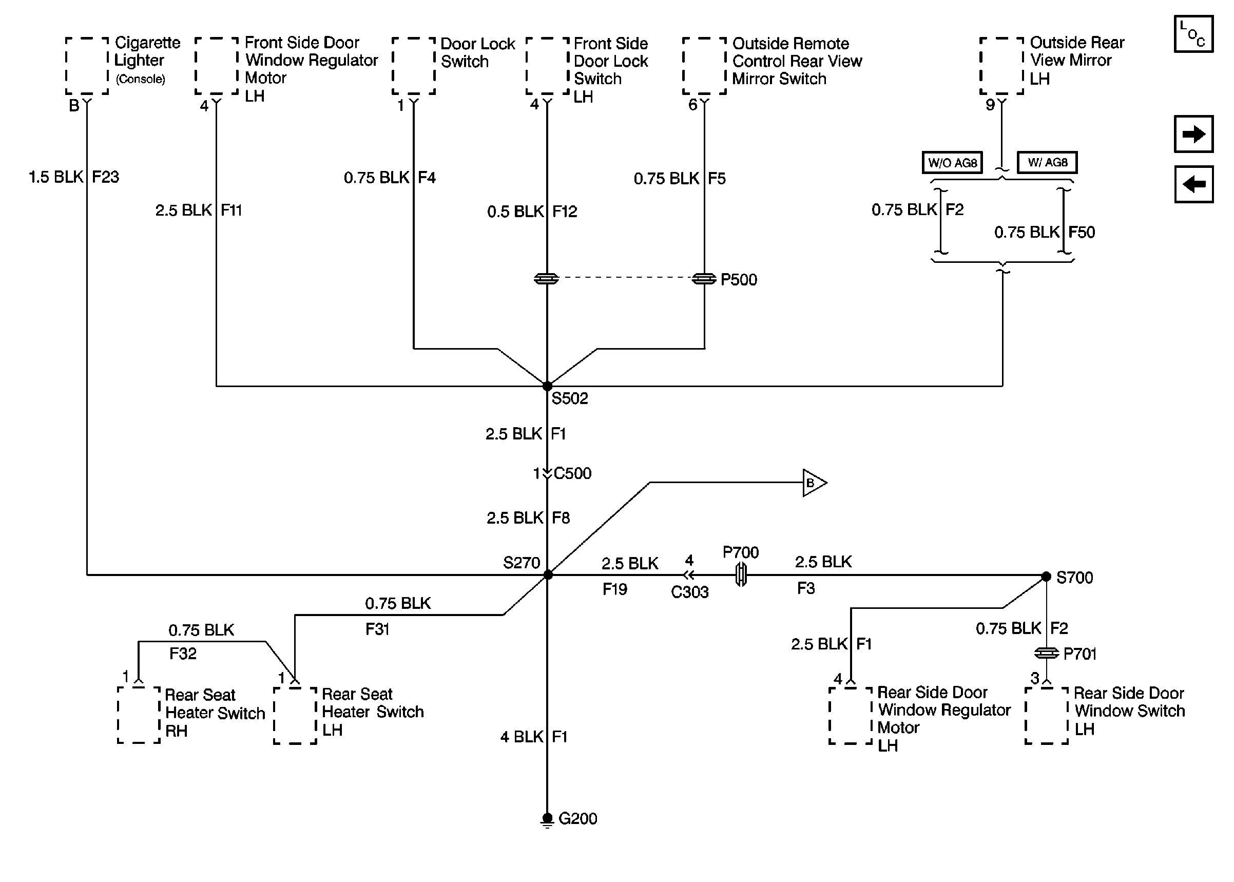
Cell 14 Door Lock Switch, Cigarette Lighter, and LH Outside Rear View Mirror


Object Number: 237396  Size: FS
Power and Grounding Components
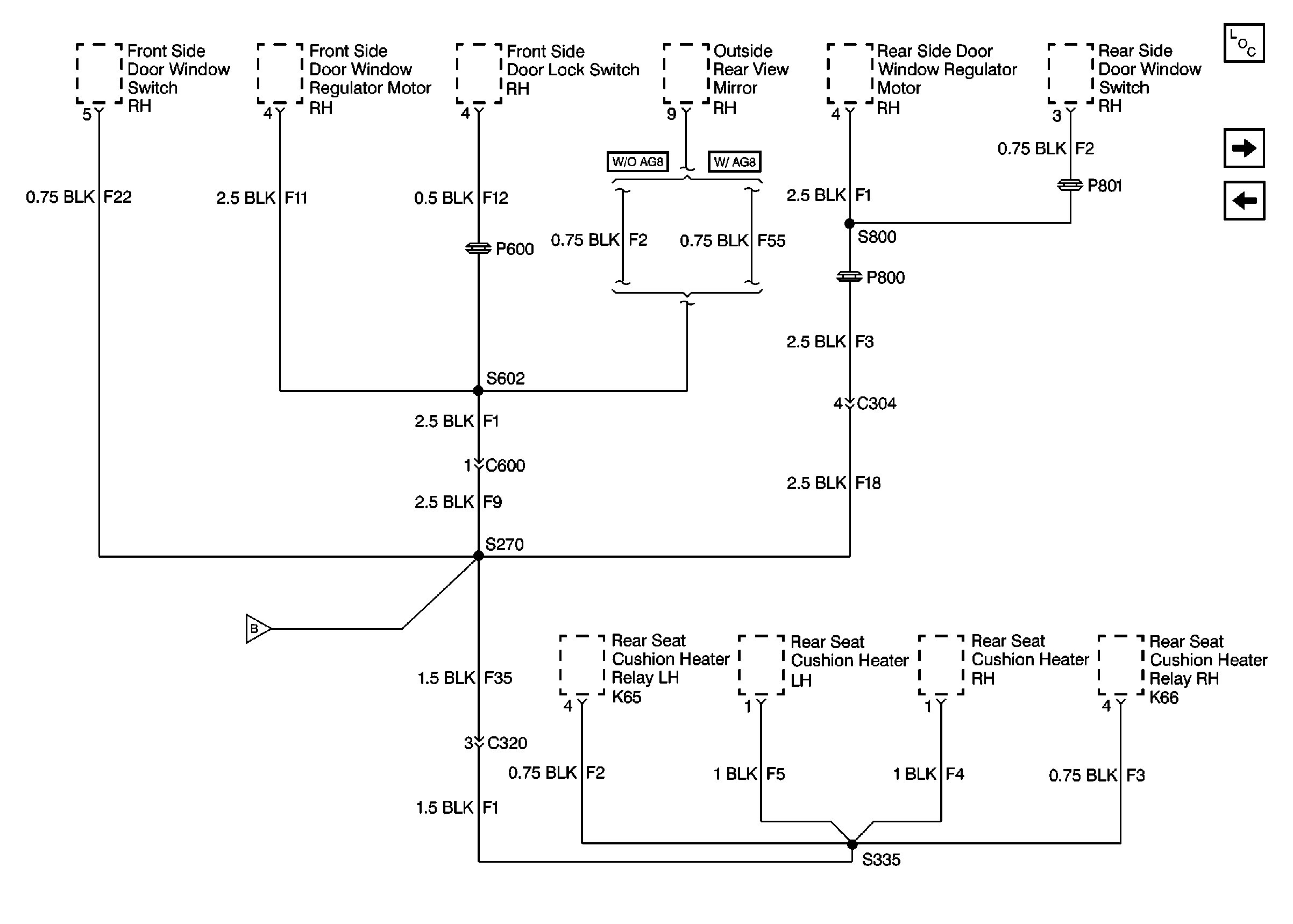
Cell 14 RH Outside Rear View Mirror and Rear Seat Cushion Heaters
Horn Relay, Turn Signal Lamp Flasher, Gauge and Instrument Cluster Grounds
Figure 9:

Cell 14 RH Outside Rear View Mirror and Rear Seat Cushion Heaters


Object Number: 237400  Size: FS
Power and Grounding Components
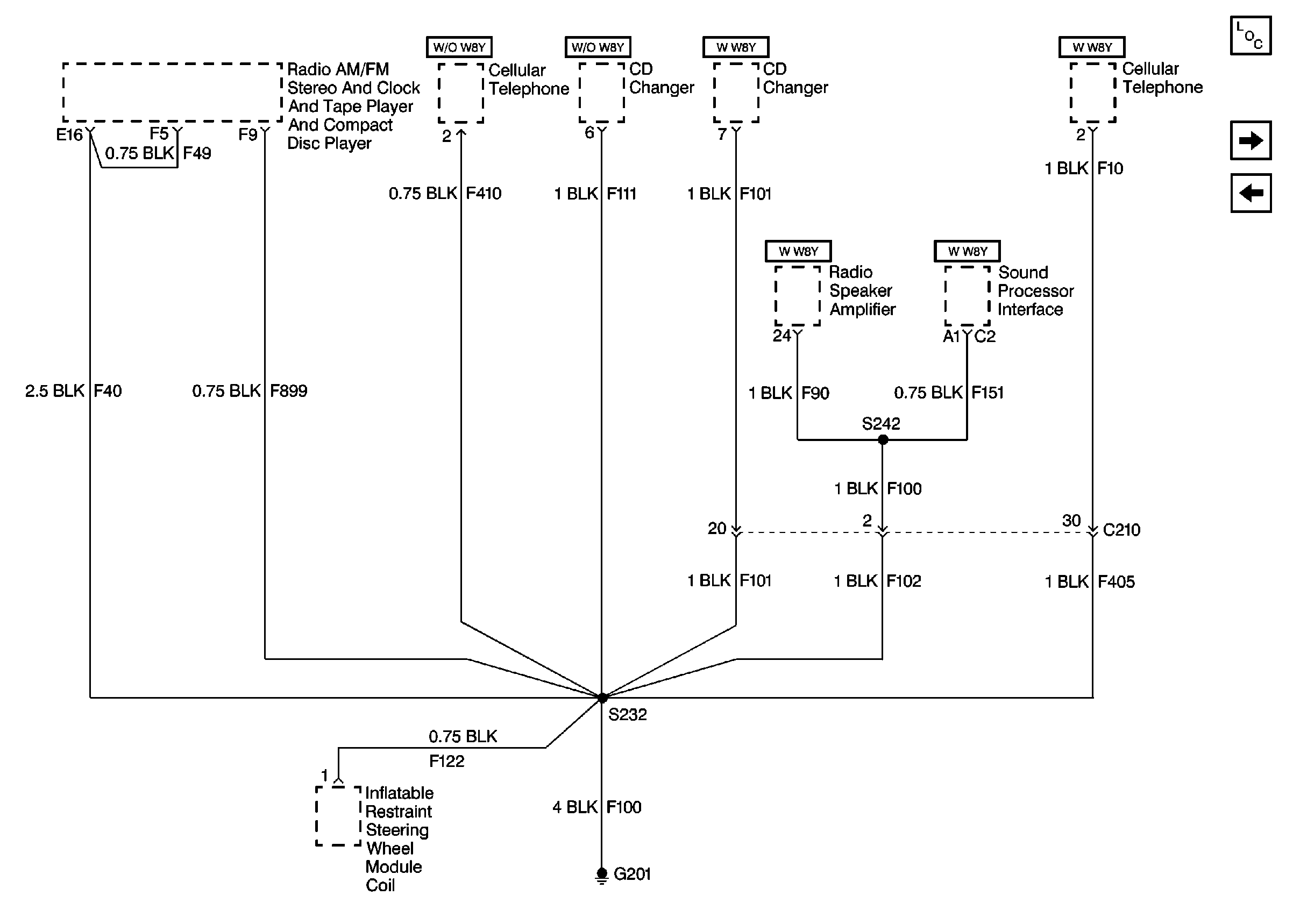
Cell 14 Radio, Cell Phone, CD Changer, and Radio Speaker Amplifier
Cell 14 Door Lock Switch, Cigarette Lighter, and LH Outside Rear View Mirror
Figure 10:

Cell 14 Radio, Cell Phone, CD Changer, and Radio Speaker Amplifier


Object Number: 237403  Size: FS
Power and Grounding Components
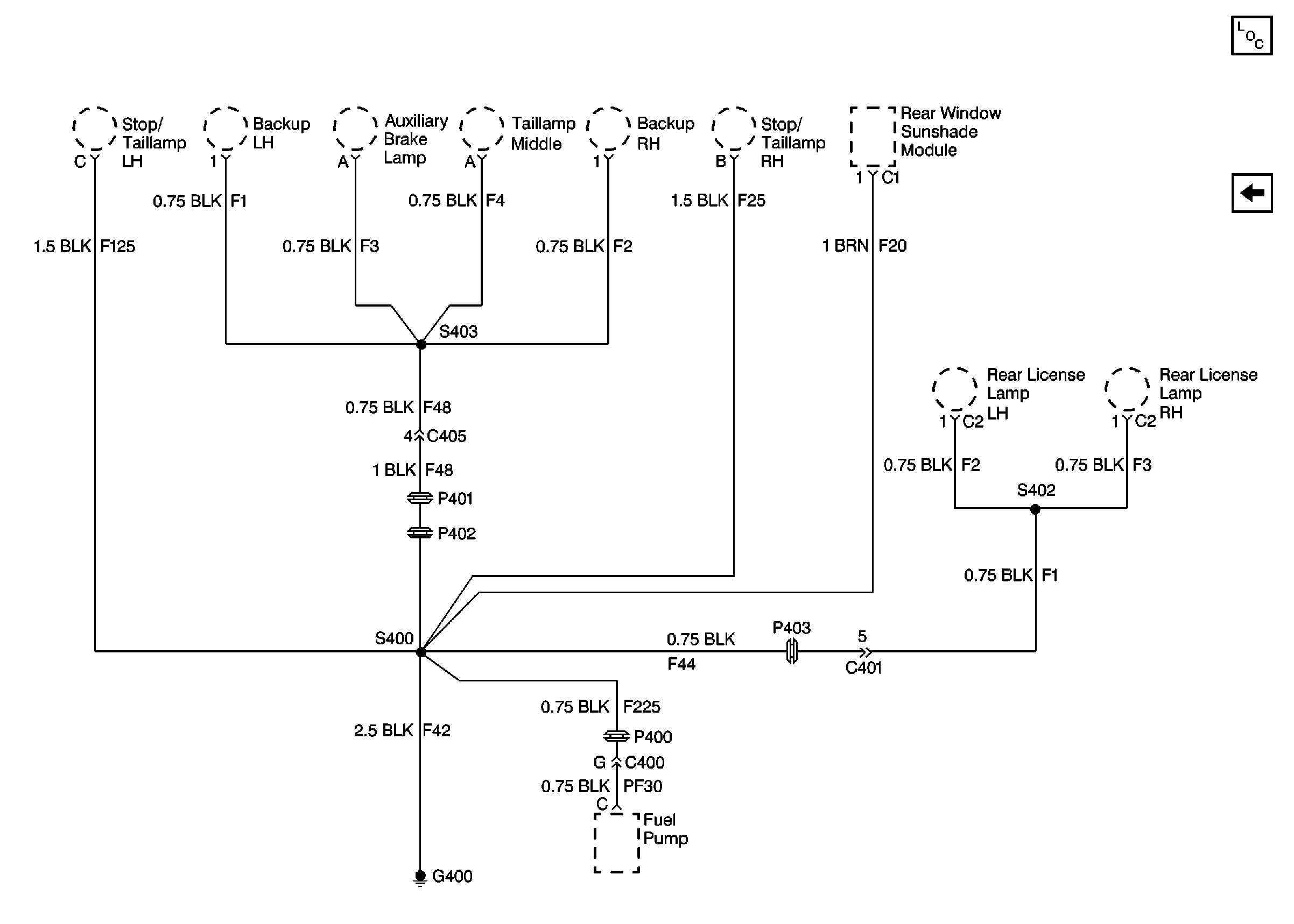
Cell 14 Fuel Pump and Rear Exterior Lamps
Cell 14 RH Outside Rear View Mirror and Rear Seat Cushion Heaters
Figure 11:

Cell 14 Fuel Pump and Rear Exterior Lamps


Object Number: 237406  Size: FS
Power and Grounding Components
Cell 14 Radio, Cell Phone, CD Changer, and Radio Speaker Amplifier