GM Service Manual Online
For 1990-2009 cars only
Figure 1:

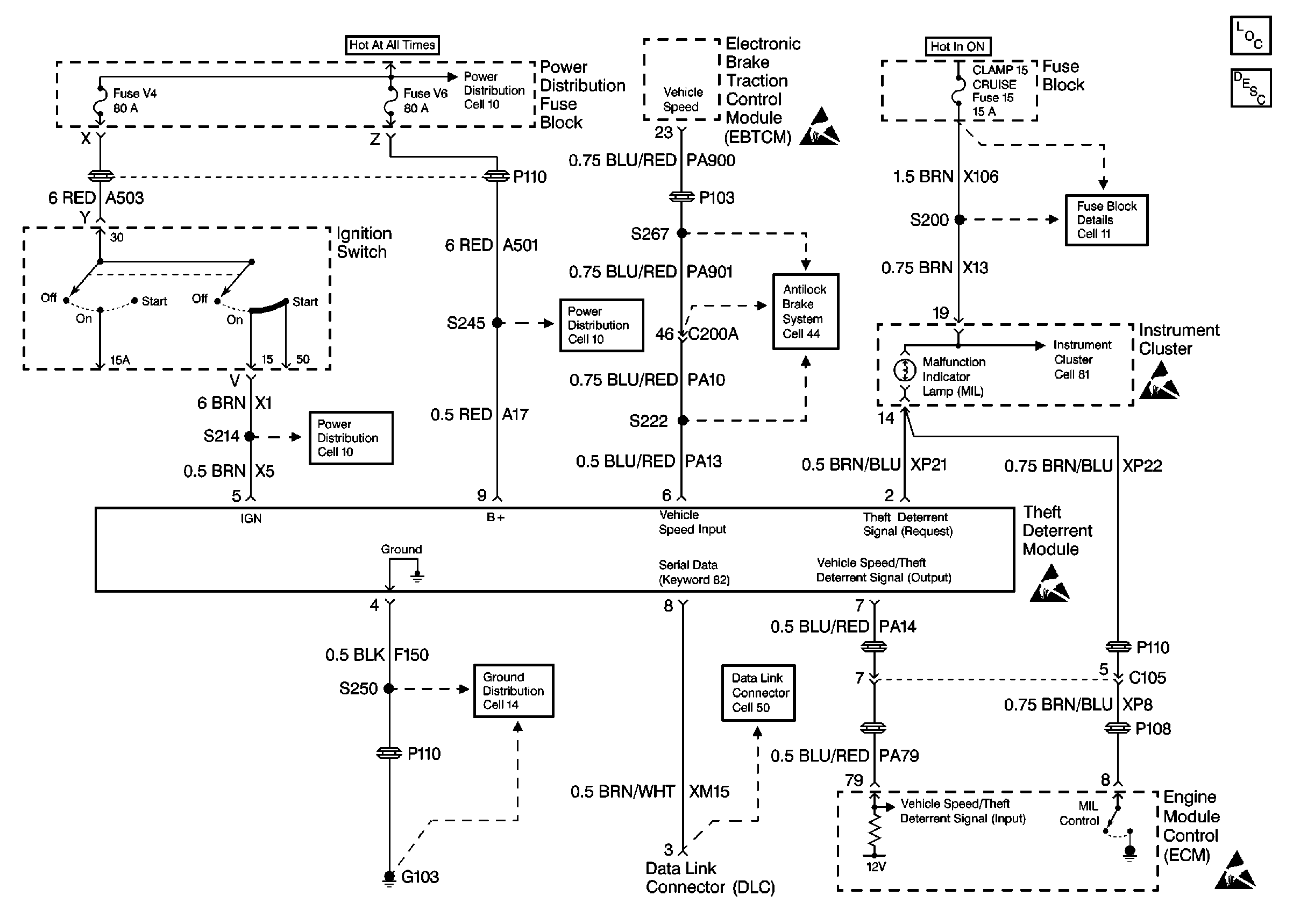
Theft Deterrent Module Power and Ground and DLC


Object Number: 243481  Size: FS
Figure 2:

Theft Deterrent (CTDS Power and Ground)


Object Number: 243484  Size: FS
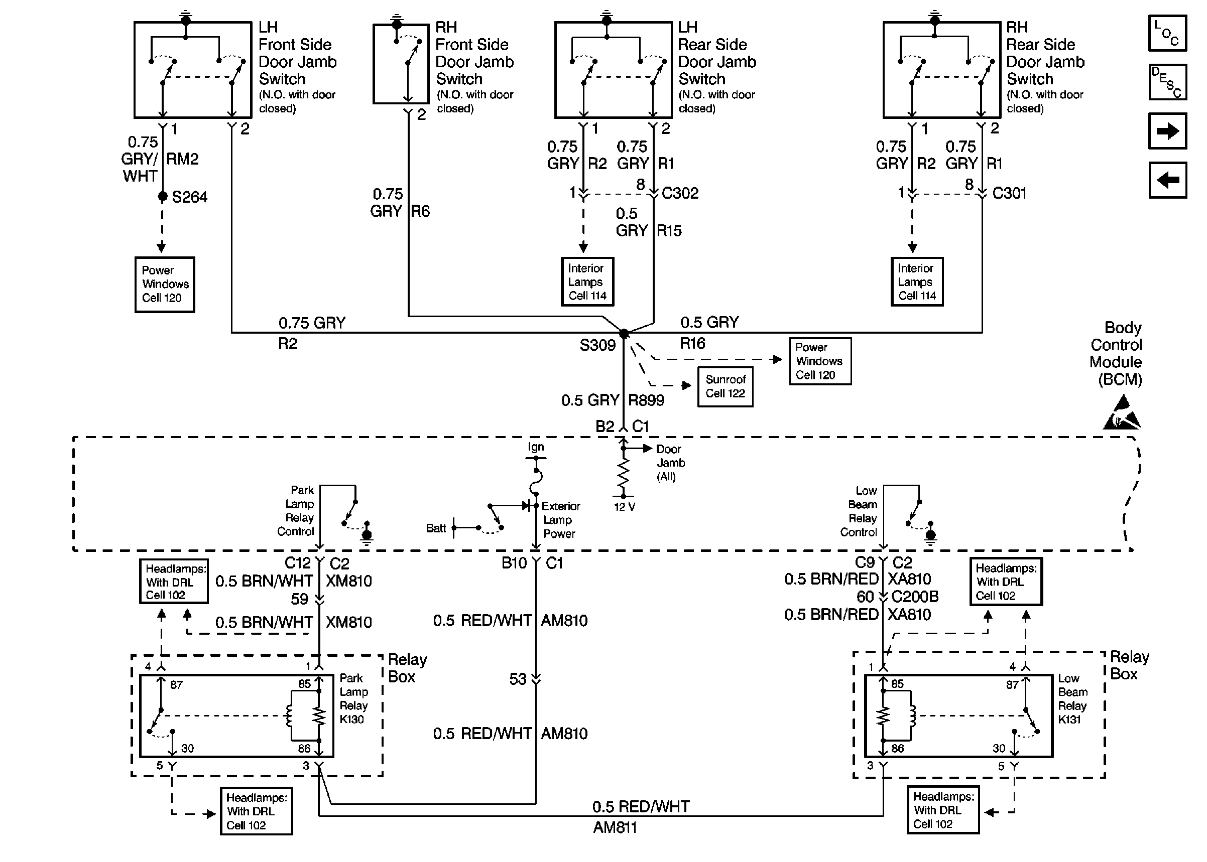
Figure 3:

Theft Deterrent (CTDS Door Jamb and Lock Switch Inputs)


Object Number: 243490  Size: FS
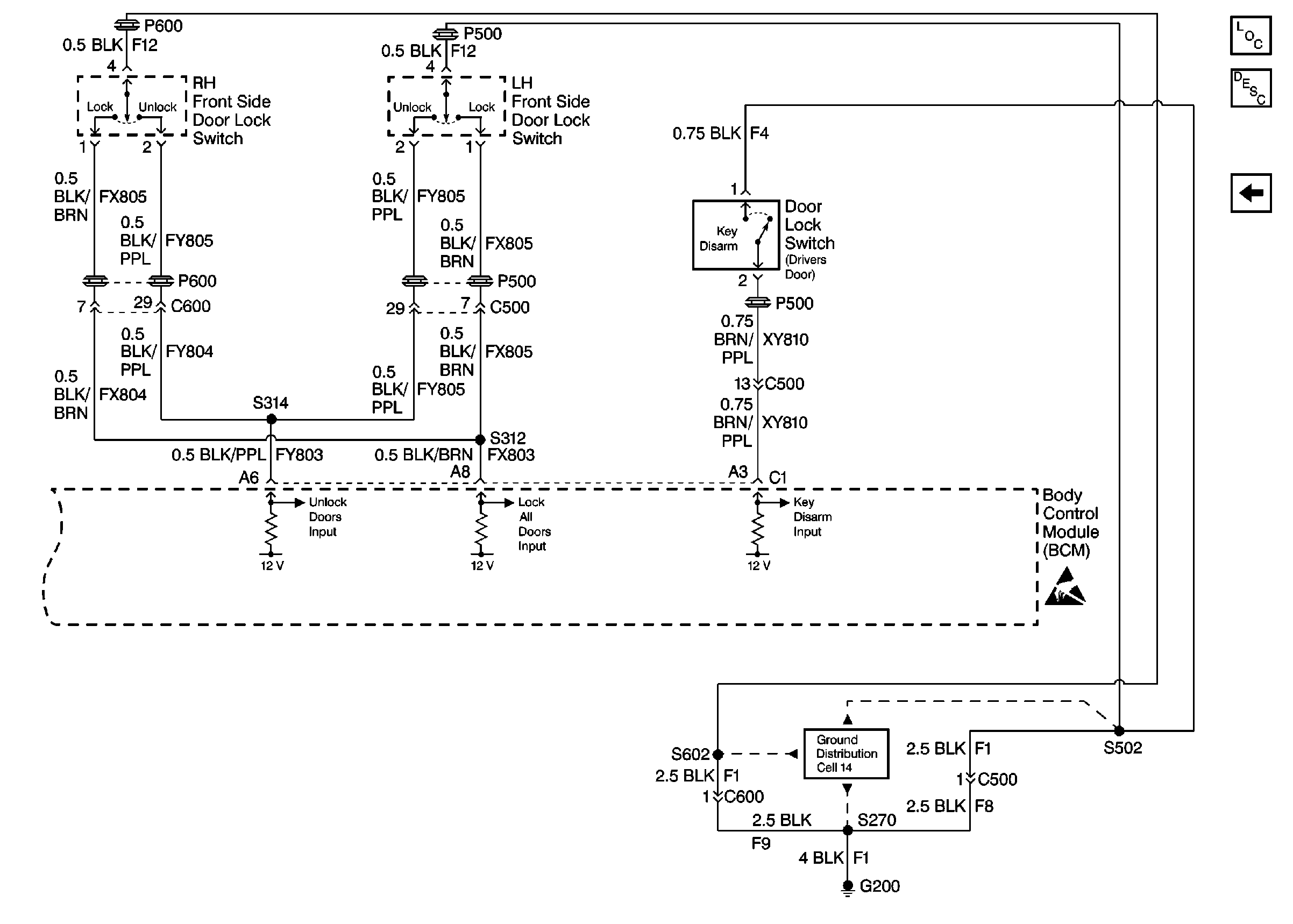
Figure 4:

CTDS Door Lock Switch Input


Object Number: 243912  Size: FS