GM Service Manual Online
For 1990-2009 cars only
Makes
🢒
Cadillac
🢒
1998
🢒
Catera
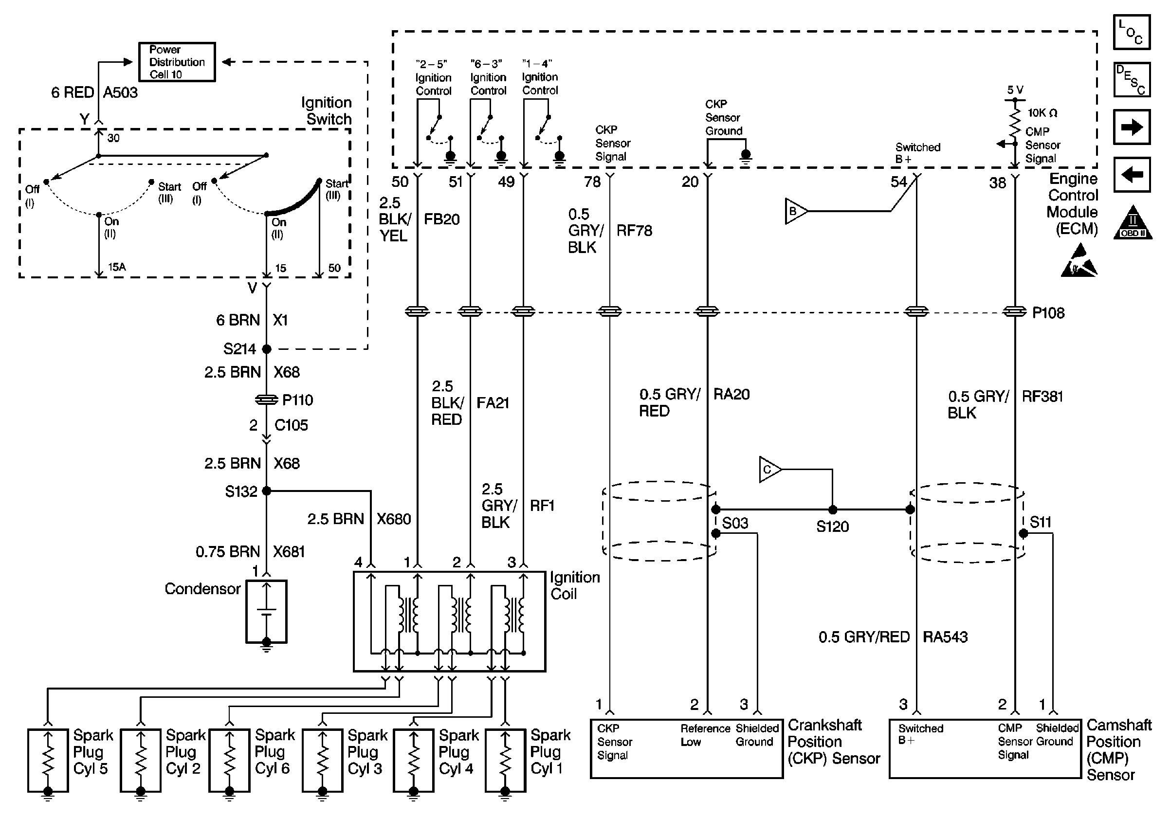
🢒 Cell 20: Ignition System
Cell 20: Ignition System
Cell 20: Ignition System
Engine Controls Components
Electronic Ignition (EI) System Description
Cell 20: Fuel Controls
Cell 20 - Power, Ground, MIL and DLC
Power Distribution Schematics