GM Service Manual Online
For 1990-2009 cars only
Figure 1:

Engine Controls Sensors


Object Number: 469993  Size: LF
(1)Fuel Pressure Regulator
(2)Engine Coolant Temperature (ECT) Sensor
(3)Engine Control Module (ECM)
(4)ECM Housing
(5)Crankshaft Position (CKP) Sensor
(6)EVAP Purge Solenoid
Figure 2:

Engine Compartment


Object Number: 469994  Size: LF
(1)Intake Plenum Switch-Over Solenoid Valve
(2)Intake Plenum Switch-Over Valve
(3)Throttle Position (TP) Sensor
(4)Intake Resonance Switch-Over Valve
(5)Intake Resonance Switch-Over Solenoid Valve
(6)Mass Air Flow (MAF) Sensor with Intake Air Temperature (IAT) Sensor
(7)Knock Sensor (KS) Bank 1
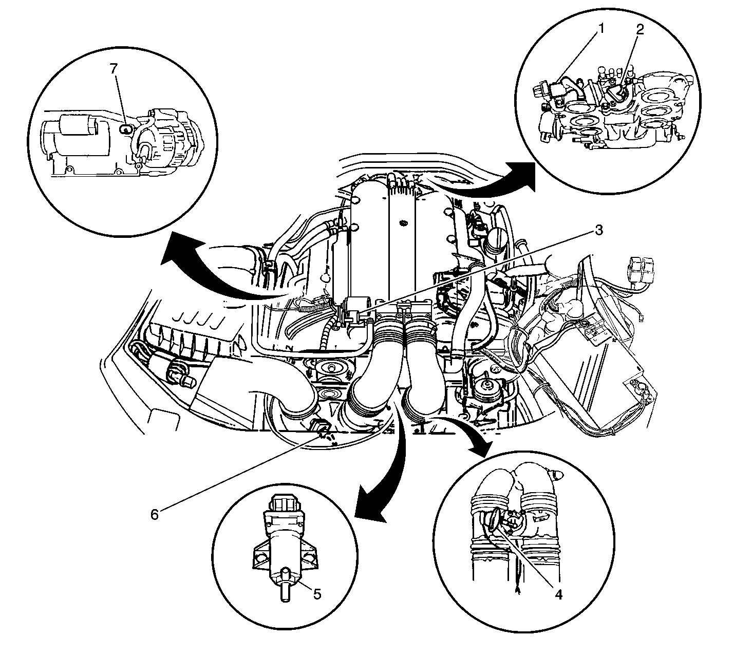
Figure 3:

Top LH Side of Engine


Object Number: 469996  Size: LF
(1)Intaker Plenum Switch-Over Solenoid Valve
(2)Knock Sensor (KS) Bank 2
(3)Camshaft Position (CMP) Sensor
Figure 4:

Top of Engine


Object Number: 657867  Size: LF
(1)Fuel Rail
(2)Fuel Injector (Cylinder #1)
(3)Fuel Injector (Cylinder #3)
(4)Fuel Injector (Cylinder #5)
(5)Fuel Pressure Service Port
(6)Main Fuel Injector Connector
(7)Fuel Pressure Regulator -- Atmospheric Vent Port
(8)Fuel Pressure Regulator
(9)Fuel Injector (Cylinder #6)
(10)Fuel Injector (Cylinder #4)
(11)Fuel Injector (Cylinder #2)
Figure 5:

ECM and Relay Housing


Object Number: 341646  Size: MF
(1)Engine Control Module (ECM)
(2)ECM Wiring Harness to Engine
(3)O2 Sensors Fuse, Heater (30A)
(4)Fuse (10A)
(5)Cooling Fans Test Connector
(6)ECM Relay Box Blower Motor Relay
(7)Blower Fuse, Radiator (10A)
(8)Fuel Pump Relay
(9)Engine Controls Power Relay (Main Relay)
(10)Cooling Fan Fuse (40A)
(11)Secondary AIR Fuse (50A)
(12)Cooling Fan Relay
(13)Cooling Fan Relay
(14)Cooling Fan Relay
(15)Cooling Fan Relay
(16)Inline Connector
(17)AC Compressor Clutch Relay
(18)Wiper Motor Relay
(19)Auxiliary Electric Water Pump Relay
(20)Cooling Fan Relay
(21)Secondary AIR Relay
(22)Relay Harness
(23)Cooling Fans Fuse (30A)
(24)Cooling Fans Fuse (30A)