GM Service Manual Online
For 1990-2009 cars only
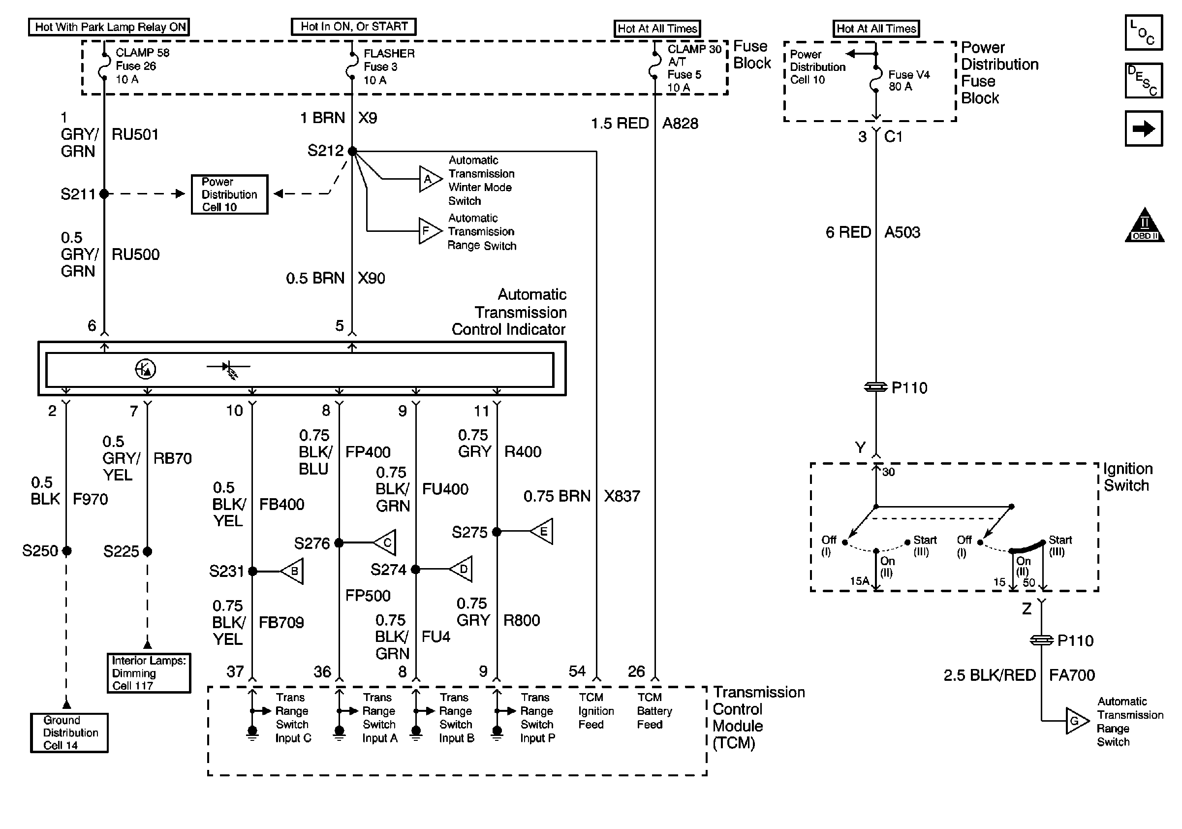
Figure 1:

Cell 39: Power and A/T Control Indicator


Object Number: 367108  Size: FS
Automatic Transmission Components
Electronic Component Description
Cell 39: Automatic Transmission Range Switch
Power Distribution Schematics
Ground Distribution Schematics
Cell 117 Instrument Cluster, Heater and A/C Control, and Cigarette Lighter
Cell 10 Power Distribution Fuse Block
Cell 39: Automatic Transmission Range Switch
Cell 39: Adapter Case, Winter and Sport Mode Switches
Cell 39: Automatic Transmission Range Switch
Cell 39: Automatic Transmission Range Switch
OBD II Symbol Description Notice
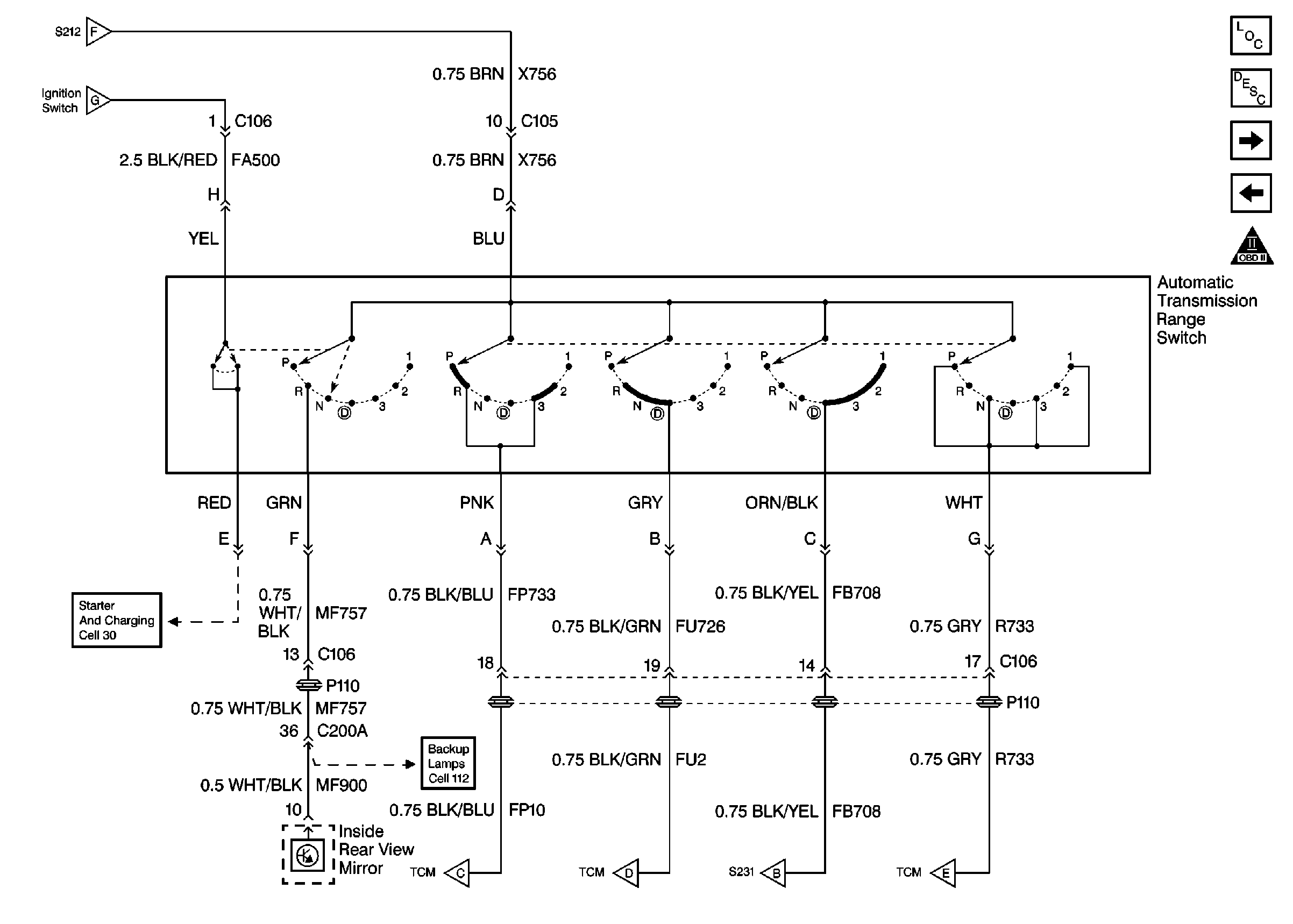
Figure 2:

Cell 39: Automatic Transmission Range Switch


Object Number: 367110  Size: FS
Automatic Transmission Components
Electronic Component Description
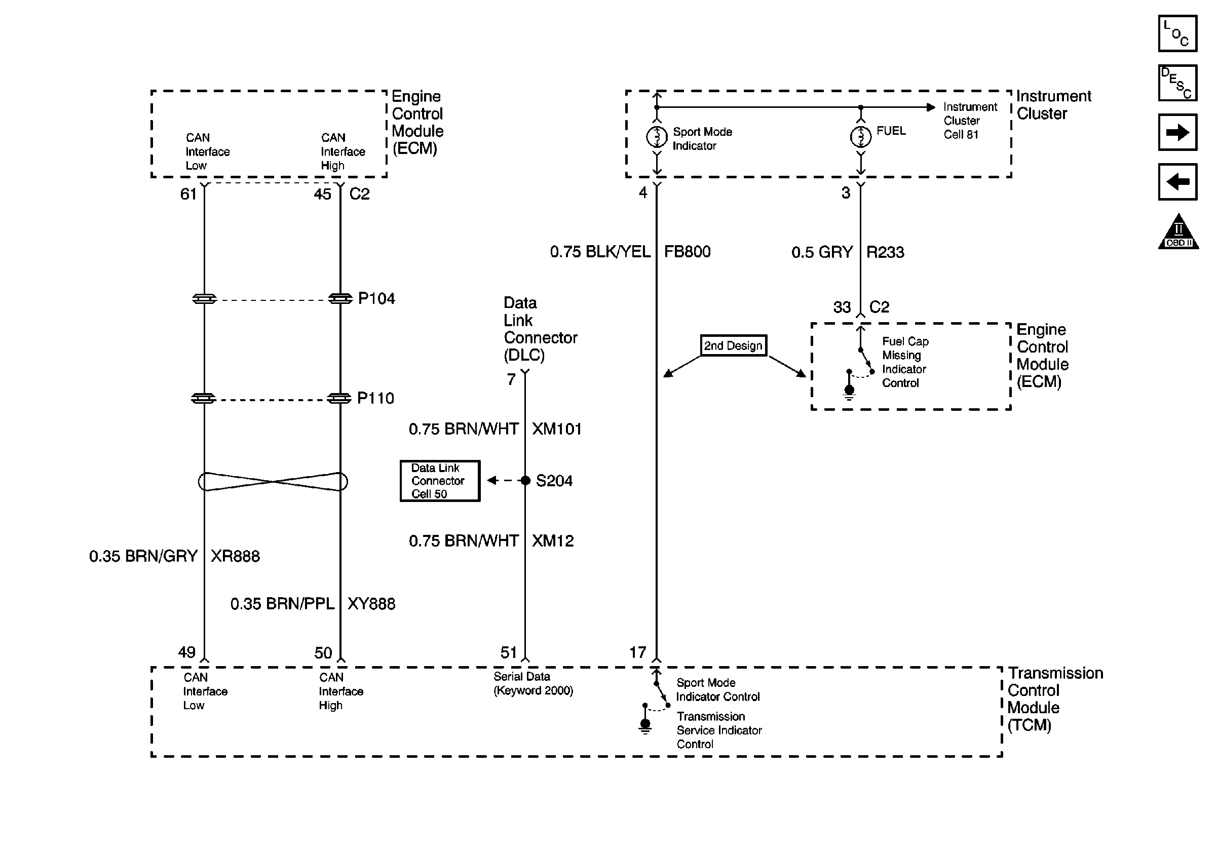
Cell 39: 1st Design Sport Mode Indicator, DLC and CAN Interface
Cell 39: Power and A/T Control Indicator
Cell 39: Power and A/T Control Indicator
Cell 39: Power and A/T Control Indicator
Cell 39: Power and A/T Control Indicator
Cell 39: Power and A/T Control Indicator
OBD II Symbol Description Notice
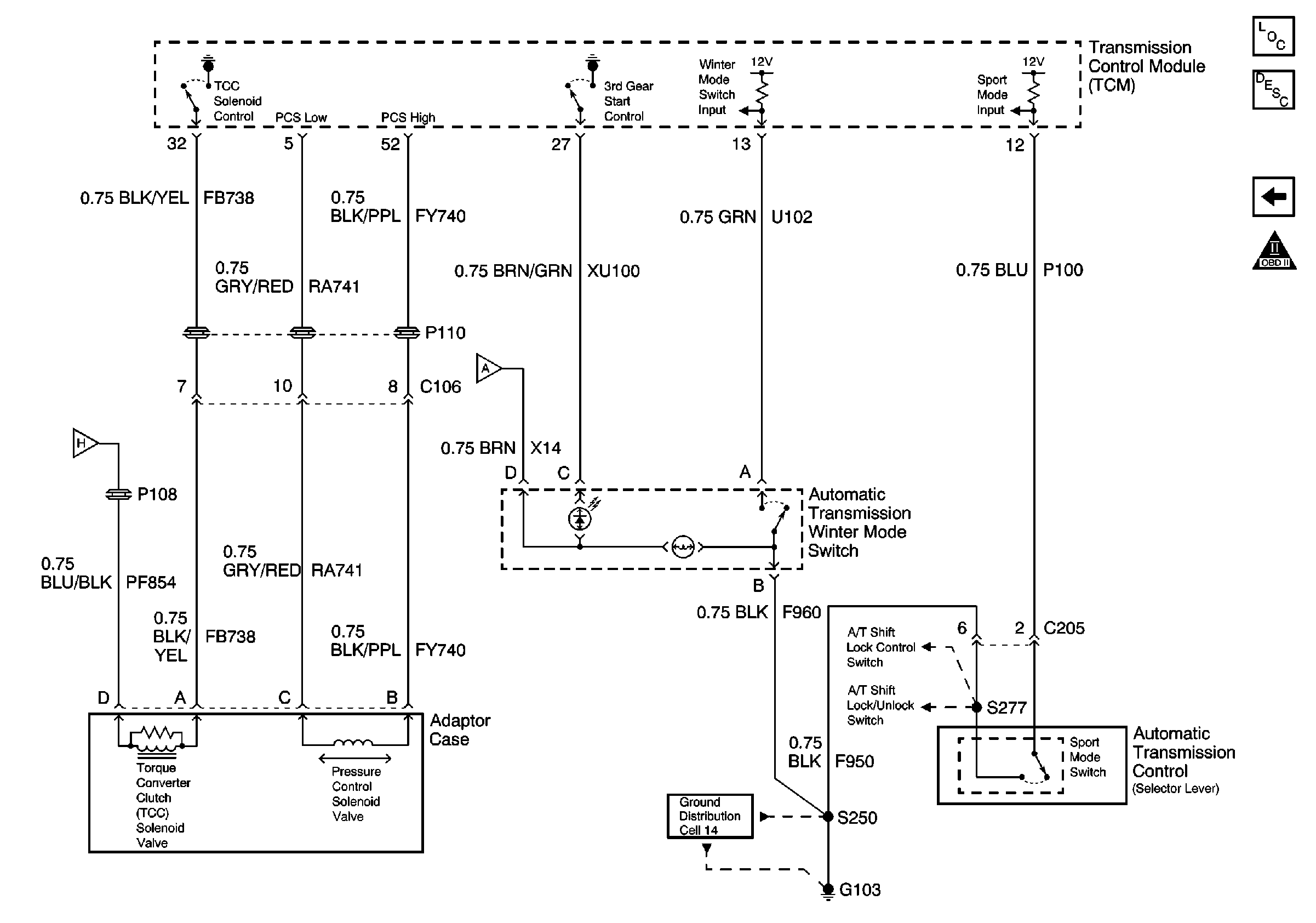
Figure 3:

Cell 39: 1st Design Sport Mode Indicator, DLC and CAN Interface


Object Number: 474312  Size: FS
Automatic Transmission Components
Electronic Component Description
Cell 50 Sun Roof Actuator, TCM, ECM, and Instrument Cluster
Cell 81: Instrument Cluster Cruise, Airbag, MIL and A/T Malfunction Indicators
Cell 39: 2nd Design Sport Mode Indicator, DLC and CAN Interface
Cell 39: Automatic Transmission Range Switch
OBD II Symbol Description Notice
Figure 4:

Cell 39: 2nd Design Sport Mode Indicator, DLC and CAN Interface


Object Number: 367119  Size: FS
Automatic Transmission Components
Electronic Component Description
Cell 39: 1st Design Sport Mode Indicator, DLC and CAN Interface
Cell 39: Automatic Transmission Range Switch
Cell 81: Instrument Cluster Cruise, Airbag, MIL and A/T Malfunction Indicators
Cell 50 Sun Roof Actuator, TCM, ECM, and Instrument Cluster
OBD II Symbol Description Notice
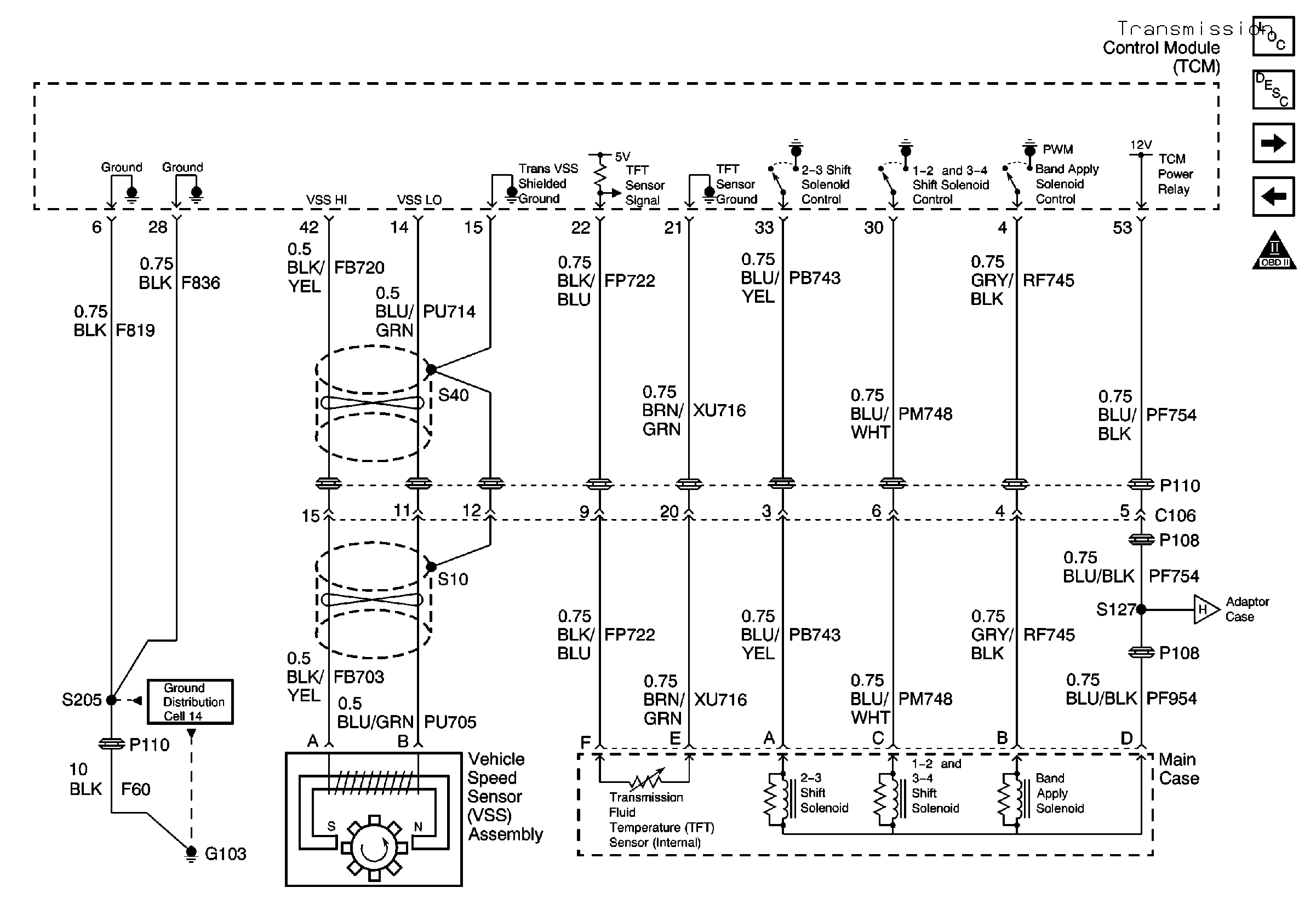
Figure 5:

Cell 39: Main Case, VSS and TCM Ground


Object Number: 367112  Size: FS
Automatic Transmission Components
Electronic Component Description
Cell 39: Adapter Case, Winter and Sport Mode Switches
Cell 39: 2nd Design Sport Mode Indicator, DLC and CAN Interface
OBD II Symbol Description Notice
Cell 39: Adapter Case, Winter and Sport Mode Switches
Cell 14 Transmission Control Module, Multifunction Relay, and WSW Motor
Figure 6:

Cell 39: Adapter Case, Winter and Sport Mode Switches


Object Number: 367116  Size: FS
Automatic Transmission Components
Electronic Component Description
Cell 39: Main Case, VSS and TCM Ground
OBD II Symbol Description Notice
Cell 39: Main Case, VSS and TCM Ground
Cell 39: Power and A/T Control Indicator
Cell 14 Heater Relays, Theft Deterrent Module, and Heater Switches