GM Service Manual Online
For 1990-2009 cars only
Makes
🢒
Cadillac
🢒
1999
🢒
Catera
🢒
Steering
🢒
Steering Wheel and Column - Tilt
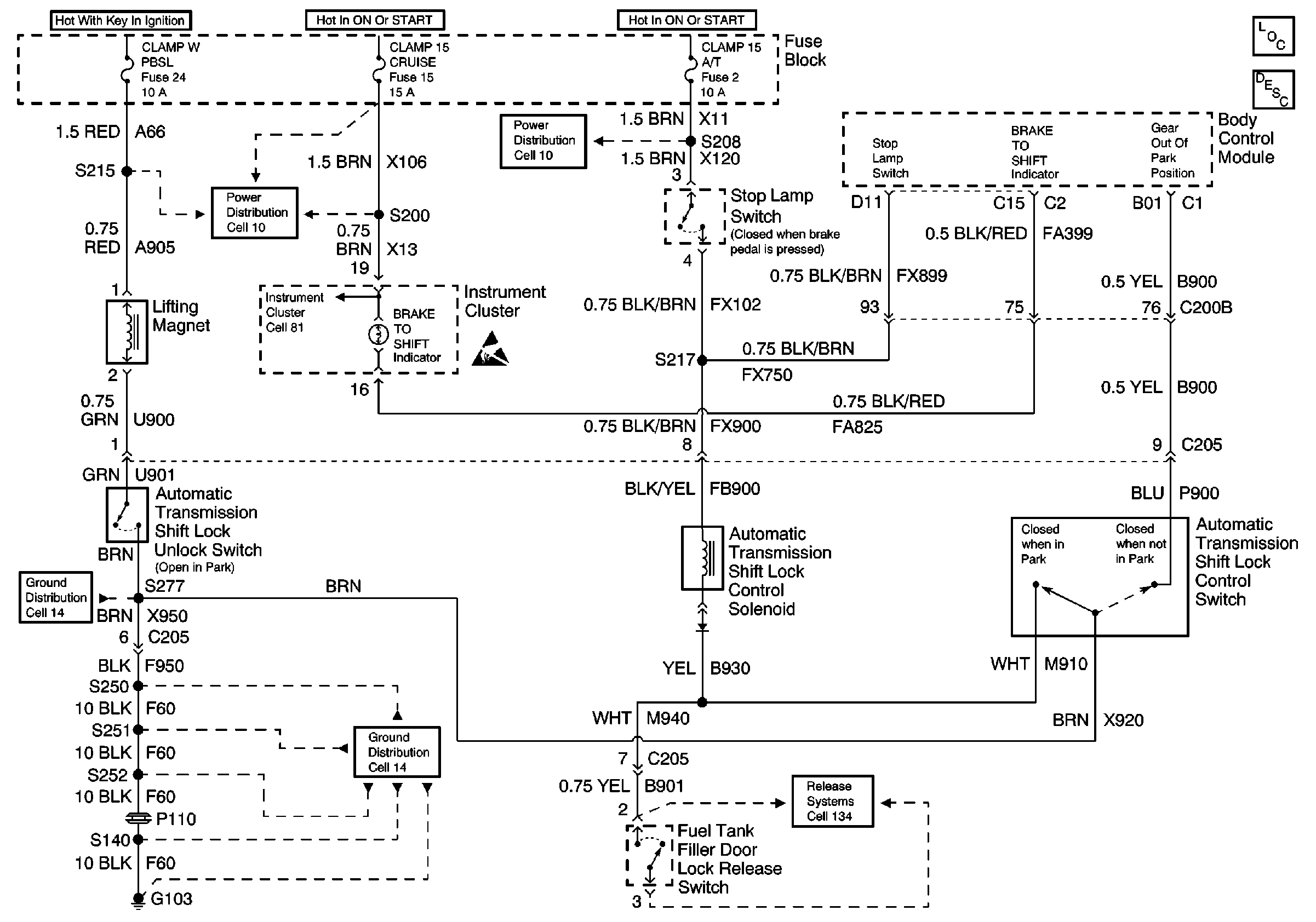
🢒 Shift Lock Control Schematics
Cell 138
Tilt Wheel/Column Components
Automatic Transmission Shift Lock Control Circuit Description
Power Distribution Schematics
Cell 10 Fuse Block, Window Regulator Motors and Automatic Transmission Switches
Handling Electrostatic Discharge Sensitive Parts Notice
Ground Distribution Schematics
Ground Distribution Schematics
Cell 134 Fuel Tank Filler Door Lock Release Switch, Rear CompartmenT Lid Release Switch,