GM Service Manual Online
For 1990-2009 cars only
Makes
🢒
Cadillac
🢒
1999
🢒
Catera
🢒
Steering
🢒
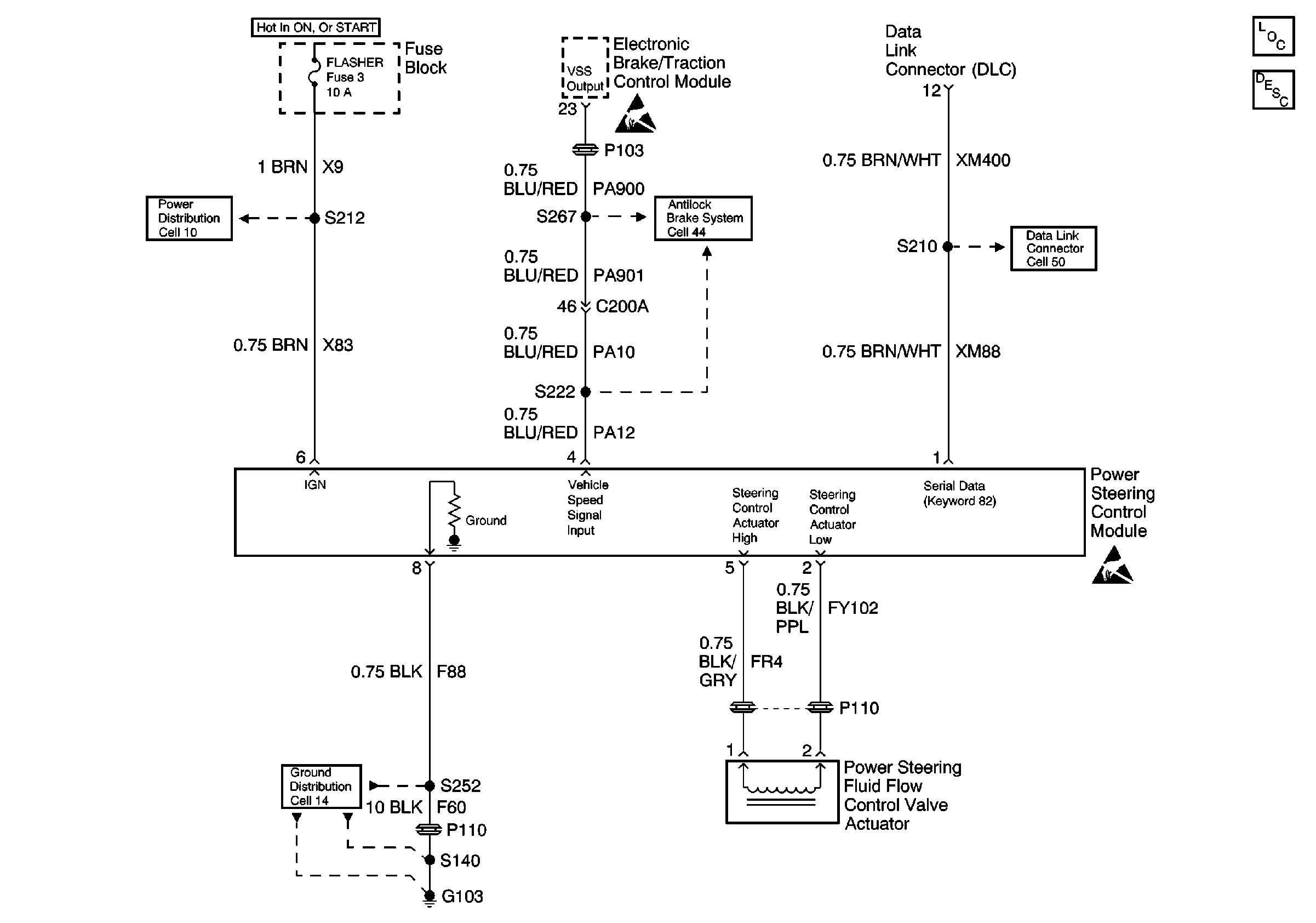
Variable Effort Steering
🢒 Steering Assist Schematics
Cell 45