GM Service Manual Online
For 1990-2009 cars only
Makes
🢒
Cadillac
🢒
1999
🢒
Catera
🢒
Body and Accessories
🢒
Wipers/Washer Systems
🢒 Wiper/Washer System (Pulse) Schematics
Figure
1:
Cell 91 WSWA Switch, Ineterval Switch, WSW Motor and Relay
Wiper/Washer System Components
Wiper/Washer System Circuit Description
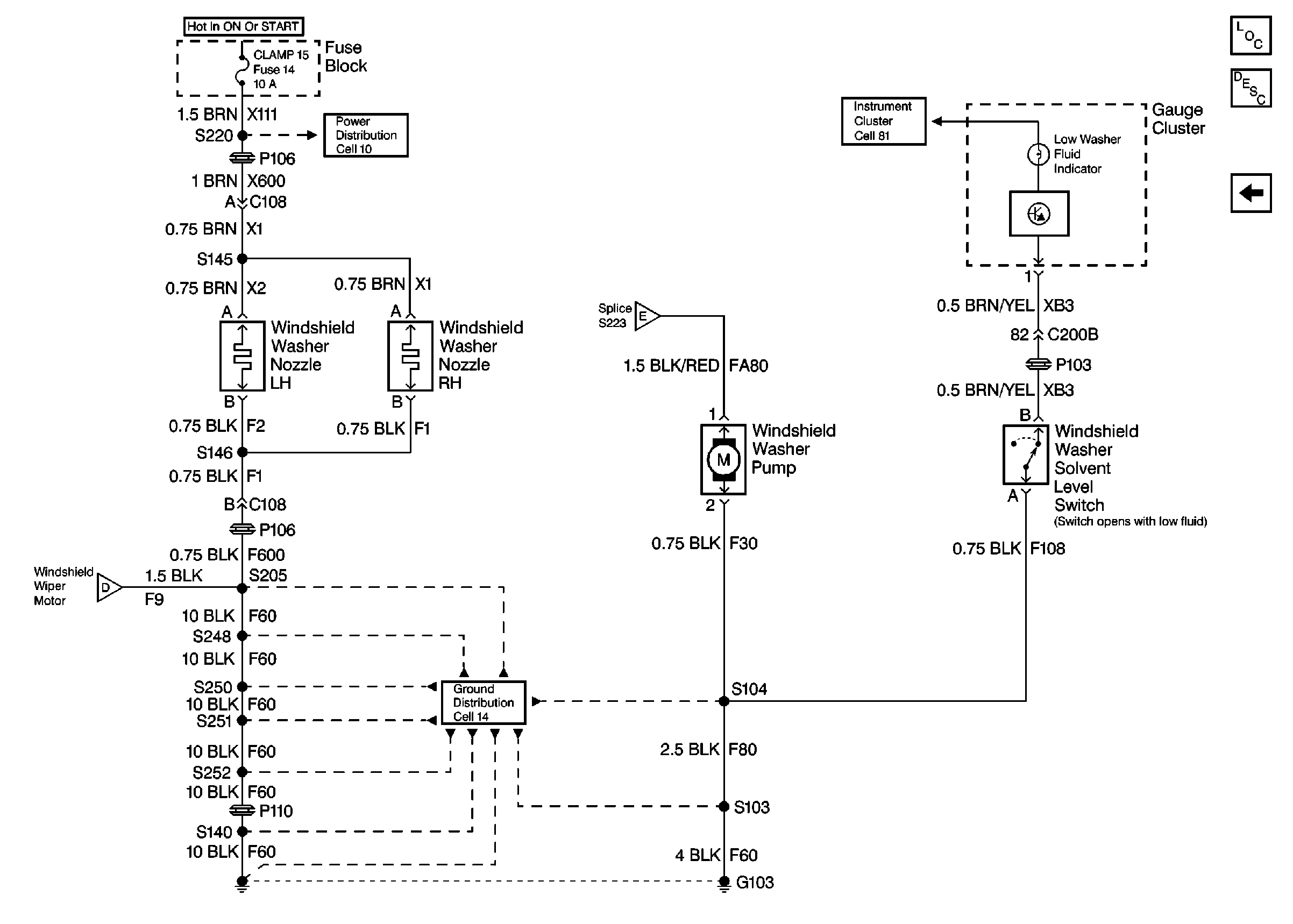
Cell 91 WSW Pump, WSW Nozzles, and Gauge Cluster
Handling Electrostatic Discharge Sensitive Parts Notice
Handling Electrostatic Discharge Sensitive Parts Notice
Cell 91 WSW Pump, WSW Nozzles, and Gauge Cluster
Cell 91 WSW Pump, WSW Nozzles, and Gauge Cluster
Cell 91 WSW Pump, WSW Nozzles, and Gauge Cluster
Cell 91 WSW Pump, WSW Nozzles, and Gauge Cluster
Cell 14 Relays, Electric Cooling Fan, and A/C and Cooling Switches
Figure
2:
Cell 91 WSW Pump, WSW Nozzles, and Gauge Cluster
Wiper/Washer System Components
Wiper/Washer System Circuit Description
Cell 91 WSWA Switch, Interval Switch, WSW Motor and Relay
Cell 10 Fuse Block, Heater Switches, Cell Phone, WSW Nozzles, and Heater A/C control
Cell 81: Gauge Cluster Brake Pad Wear and Seat Belt Warning Indicators
Cell 91 WSWA Switch, Interval Switch, WSW Motor and Relay
Cell 91 WSWA Switch, Interval Switch, WSW Motor and Relay
Ground Distribution Schematics