GM Service Manual Online
For 1990-2009 cars only
Figure 1:

Cell 51: BCM Power, Ground and DLC


Object Number: 389055  Size: FS
Body Control Module Components
Body Control System Operation
Cell 51: Multifunction Relay K134
Handling ESD Sensitive Parts Notice
Ground Distribution Schematics
Cell 50 DLC Power and Ground
Power Distribution Schematics
Cell 10 Power Distribution Fuse Block
Figure 2:

Cell 51: Multifunction Relay K134


Object Number: 389059  Size: FS
Body Control Module Components
Body Control System Operation
Cell 51: Door Lock Relay K135
Cell 51: BCM Power, Ground and DLC
Cell 14 Transmission Control Module, Multifunction Relay, and WSW Motor
Handling ESD Sensitive Parts Notice
Cell 51: Door Lock Relay K135
Cell 10 Fuse Block, WSWA System, and Multifunction Relay
Cell 114 BCM, Multifunction Relay K134, and Front Side Door Jamb Switch
Figure 3:

Cell 51: Door Lock Relay K135


Object Number: 389056  Size: FS
Body Control Module Components
Body Control System Operation
Cell 51: DRL, LH and RH High Beam Relays
Cell 51: Multifunction Relay K134
Handling ESD Sensitive Parts Notice
Handling ESD Sensitive Parts Notice
Cell 51: Multifunction Relay K134
Cell 134 Fuel Tank Filler Door Lock Release Switch, Rear CompartmenT Lid Release Switch,
Cell 150 Compact Disk Changer and Sound Processor Interface (Bose® System)
Cell 134 Door Lock Relay, BCM, Fuel Tank Filler Door Lock Actuator, Rear Compartment Acuator
Figure 4:

Cell 51: DRL, LH and RH High Beam Relays


Object Number: 389062  Size: FS
Body Control Module Components
Body Control System Operation
Cell 51: Low Beam and Park Lamp Relays
Cell 51: Door Lock Relay K135
Cell 14 Door Lock Relay K135, ALC Sensor, and EBTCM
Ground Distribution Schematics
Cell 51: Headlamps ON, Brk. to Shift and Security Ind. Controls
Handling ESD Sensitive Parts Notice
Cell 103 Fog Lamp Switch and Multifunction Relay K134
Figure 5:

Cell 51: Low Beam and Park Lamp Relays


Object Number: 389067  Size: FS
Body Control Module Components
Body Control System Operation
Cell 51: Headlamps ON, Brk. to Shift and Security Ind. Controls
Cell 51: DRL, LH and RH High Beam Relays
Cell 10 Fuse Block, Low Beam Relay and Park Lamp Relay
Handling ESD Sensitive Parts Notice
Cell 102 BCM, Headlamp Switch, Park Lamp Relay K130, and Low Beam RelayK131
Cell 102 BCM, Headlamp Switch, Park Lamp Relay K130, and Low Beam RelayK131
Figure 6:

Cell 51: Headlamps ON, Brk. to Shift and Security Ind. Controls


Object Number: 220227  Size: FS
Body Control Module Components
Body Control System Operation
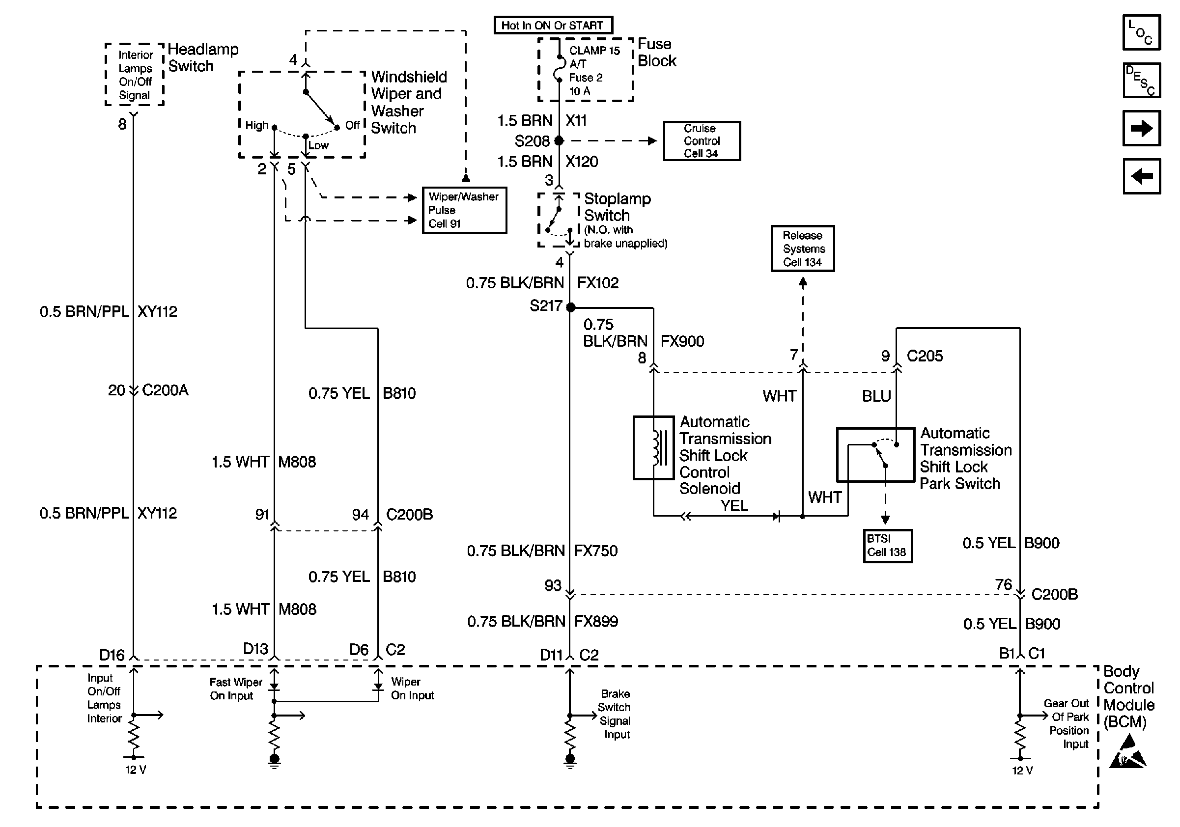
Cell 51: Fast Wiper Input, Interior and Stop Lamps Switch Input
Cell 51: Low Beam and Park Lamp Relays
Figure 7:

Cell 51: Fast Wiper Input, Interior and Stop Lamps Switch Input


Object Number: 510219  Size: FS
Figure 8:

Cell 51: Door Lock Switches, Twilight Sentinel® and OnStar Inputs


Object Number: 220202  Size: FS
Figure 9:

Cell 51: Exterior Lamp Power and All Door Jamb Switch


Object Number: 220217  Size: FS
Body Control Module Components
Body Control System Operation
Cell 51: Fast Wiper Input, Interior and Stop Lamps Switch Input
Interior Lights Dimming Schematics
Power Distribution Schematics
Headlights/Daytime Running Lights (DRL) Schematics
Power Distribution Schematics