GM Service Manual Online
For 1990-2009 cars only
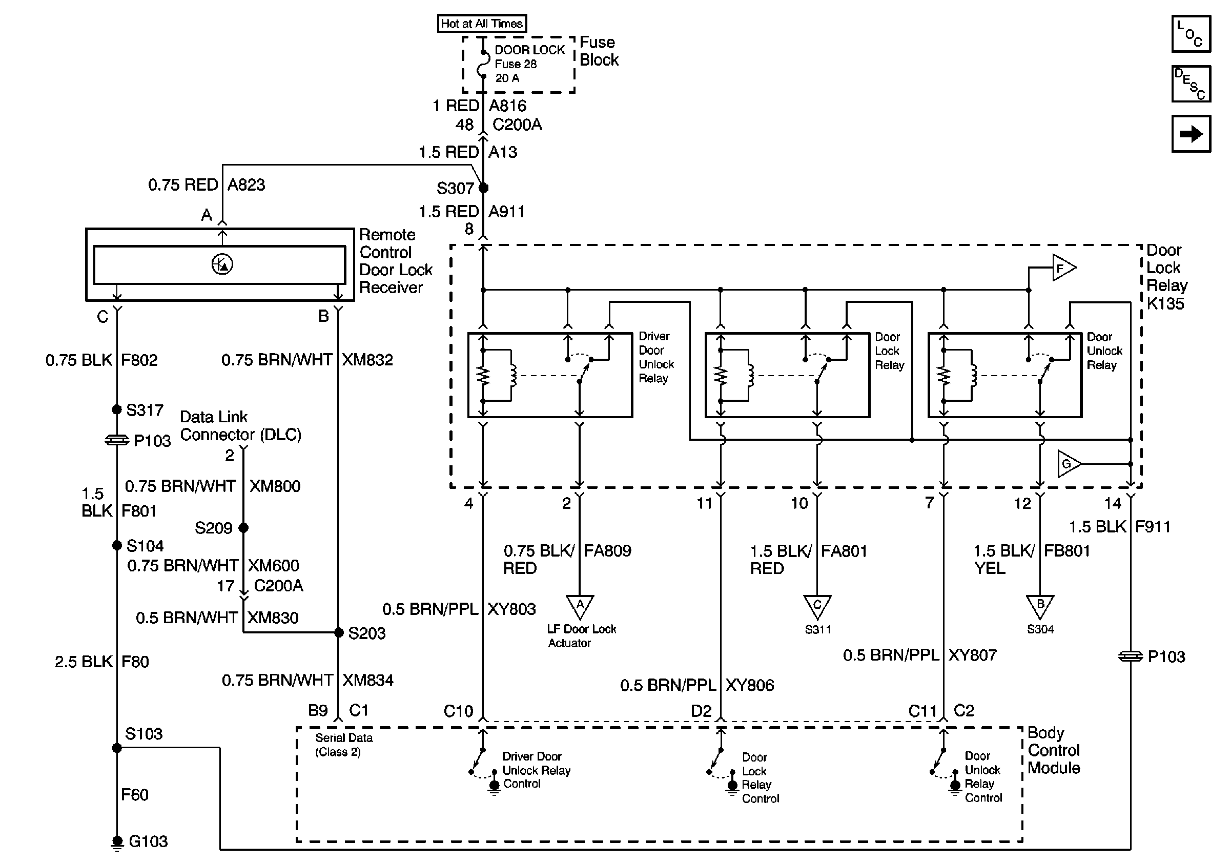
Figure 1:

Cell 132: Power, Ground, RCDLR, Door Lock Relay and BCM


Object Number: 469509  Size: FS
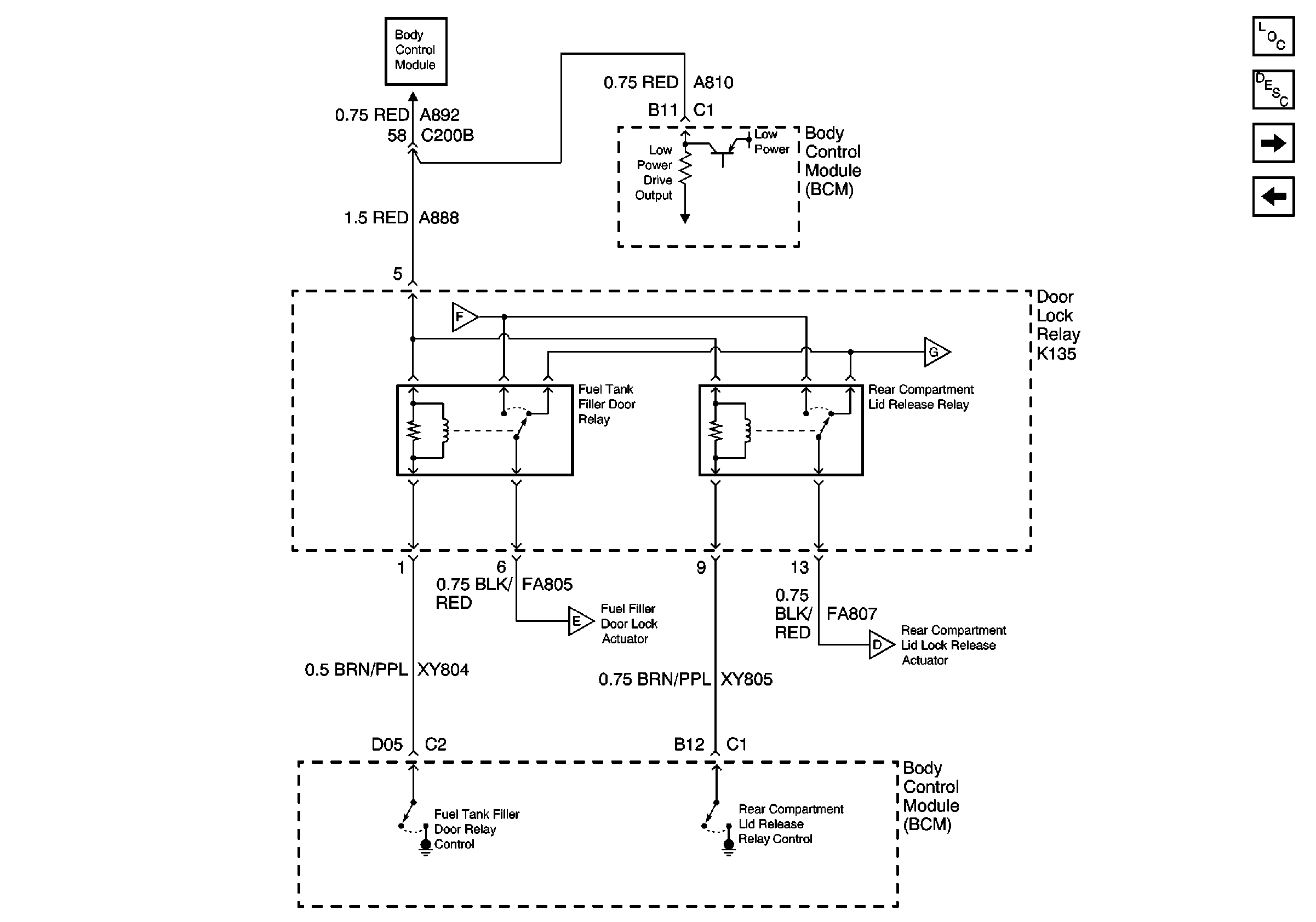
Cell 132: Fuel Door and Trunk Release Relays
Figure 2:

Cell 132: Fuel Door and Trunk Release Relays


Object Number: 243477  Size: FS
Cell 132: Door Lock, Trunk Lock and Fuel Door Release Actuators
Cell 132: Power, Ground, RCDLR, Door Lock Relay and BCM
Figure 3:

Cell 132: Door Lock, Trunk Lock and Fuel Door Release Actuators


Object Number: 243478  Size: FS
Cell 132: Fuel Door and Trunk Release Relays