GM Service Manual Online
For 1990-2009 cars only
Makes
🢒
Cadillac
🢒
1999
🢒
Catera
🢒
Body and Accessories
🢒
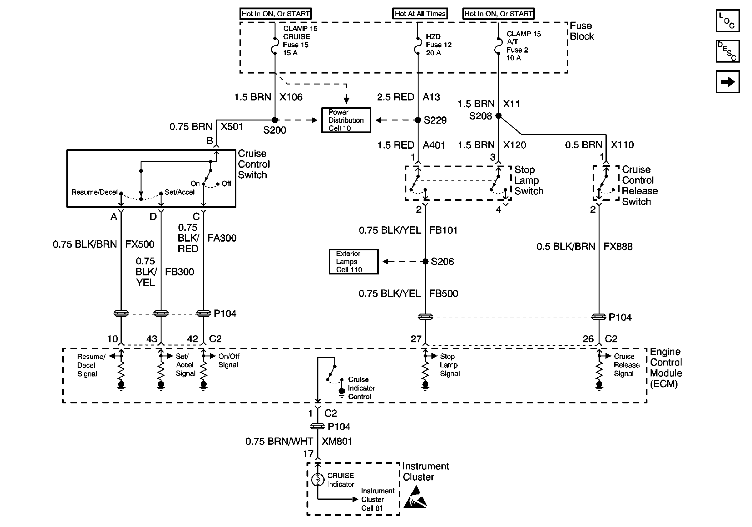
Cruise Control
🢒 Cruise Control Schematics
Figure
1:
Cell 34: Cruise Control Switch Inputs
Figure
2:
Cell 34: TP and APP Sensors