GM Service Manual Online
For 1990-2009 cars only
Makes
🢒
Cadillac
🢒
1999
🢒
Catera
🢒
Body and Accessories
🢒
Stationary Windows
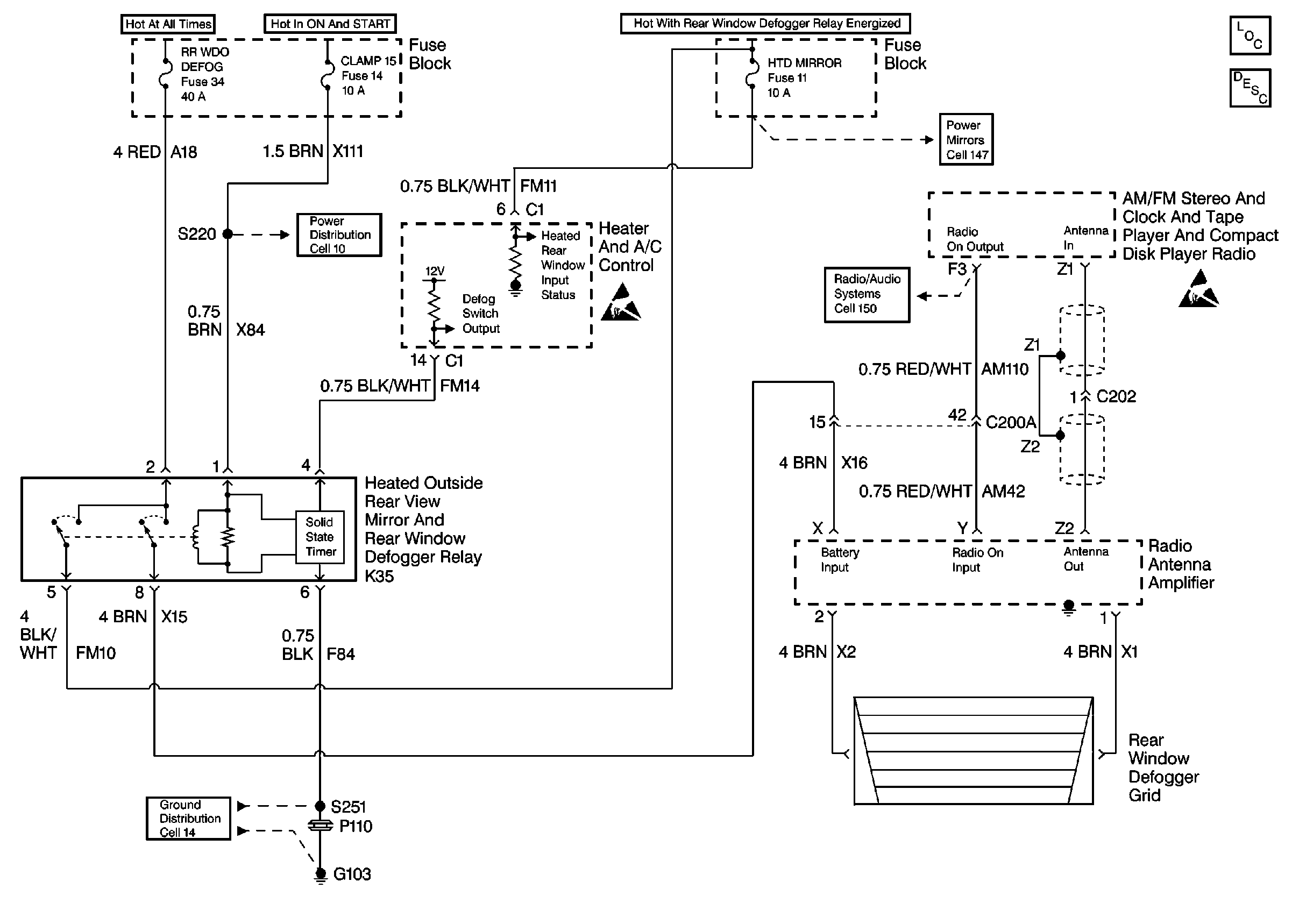
🢒 Defogger Schematics
Cell 61: Rear Defog Relay and Antenna Amplifier