GM Service Manual Online
For 1990-2009 cars only
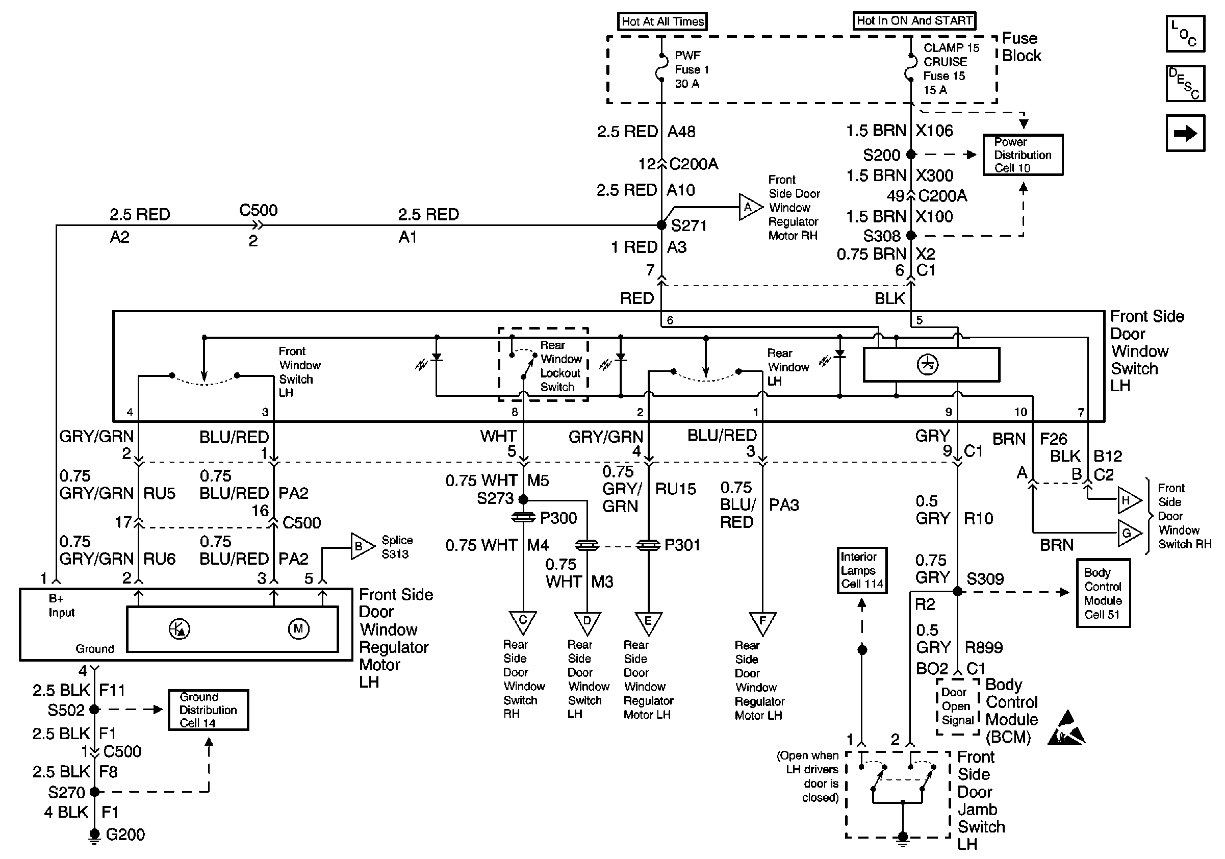
Figure 1:

Cell 120 LH Front Side Door Window Switch, and Window Regulator Motor


Object Number: 384044  Size: FS
Power Door Systems Components
Power Windows Circuit Description
Cell 120 LH Rear Side Door Window Switch, and Window Regulator Motor
Cell 120 LH Rear Side Door Window Switch, and Window Regulator Motor
Cell 10 Fuse Block, Cruise Control, Heater Relays, Instrument Cluster, and Headlamp Switch
Cell 120 LH Rear Side Door Window Switch, and Window Regulator Motor
Cell 120 RH Rear Side Door Window Switch, and Window Regulator Motor
Cell 120 RH Front Side Door Window Switch, and Window Regulator Motor
Cell 120 RH Front Side Door Window Switch, and Window Regulator Motor
Cell 120 RH Front Side Door Window Switch, and Window Regulator Motor
Cell 120 LH Rear Side Door Window Switch, and Window Regulator Motor
Cell 120 LH Rear Side Door Window Switch, and Window Regulator Motor
Cell 51: Exterior Lamp Power and All Door Jamb Switch
Cell 14 Rear Seat Cushion Heaters, Rear Heater Switches, and Rear Window Regulator Motors
Handling Electrostatic Discharge Sensitive Parts Notice
Figure 2:

Cell 120 RH Front Side Door Window Switch, and Window Regulator Motor


Object Number: 384059  Size: FS
Power Door Systems Components
Power Windows Circuit Description
Cell 120 RH Rear Side Door Window Switch, and Window Regulator Motor
Cell 120 LH Rear Side Door Window Switch, and Window Regulator Motor
Cell 120 LH Front Side Door Window Switch, and Window Regulator Motor
Cell 120 LH Front Side Door Window Switch, and Window Regulator Motor
Cell 120 RH Rear Side Door Window Switch, and Window Regulator Motor
Cell 120 LH Front Side Door Window Switch, and Window Regulator Motor
Cell 120 LH Rear Side Door Window Switch, and Window Regulator Motor
Cell 14 Rear Seat Cushion Heaters, Rear Heater Switches, and Rear Window Regulator Motors
Figure 3:

Cell 120 LH Rear Side Door Window Switch, and Window Regulator Motor


Object Number: 384052  Size: FS
Power Door Systems Components
Power Windows Circuit Description
Cell 120 RH Front Side Door Window Switch, and Window Regulator Motor
Cell 120 LH Front Side Door Window Switch, and Window Regulator Motor
Cell 120 LH Front Side Door Window Switch, and Window Regulator Motor
Cell 120 LH Front Side Door Window Switch, and Window Regulator Motor
Cell 120 RH Rear Side Door Window Switch, and Window Regulator Motor
Cell 120 RH Rear Side Door Window Switch, and Window Regulator Motor
Cell 120 LH Front Side Door Window Switch, and Window Regulator Motor
Cell 14 Rear Seat Cushion Heaters, Rear Heater Switches, and Rear Window Regulator Motors
Cell 120 RH Front Side Door Window Switch, and Window Regulator Motor
Cell 120 RH Rear Side Door Window Switch, and Window Regulator Motor
Cell 120 LH Front Side Door Window Switch, and Window Regulator Motor
Figure 4:

Cell 120 RH Rear Side Door Window Switch, and Window Regulator Motor


Object Number: 384072  Size: FS
Power Door Systems Components
Power Windows Circuit Description
Cell 120 LH Front Side Door Window Switch, and Window Regulator Motor
Cell 120 RH Front Side Door Window Switch, and Window Regulator Motor
Cell 120 RH Front Side Door Window Switch, and Window Regulator Motor
Cell 120 LH Rear Side Door Window Switch, and Window Regulator Motor
Cell 120 LH Rear Side Door Window Switch, and Window Regulator Motor
Cell 120 LH Rear Side Door Window Switch, and Window Regulator Motor
Cell 14 Rear Seat Cushion Heaters, Rear Heater Switches, and Rear Window Regulator Motors