GM Service Manual Online
For 1990-2009 cars only
Makes
🢒
Cadillac
🢒
1999
🢒
Catera
🢒
Body and Accessories
🢒
Roof
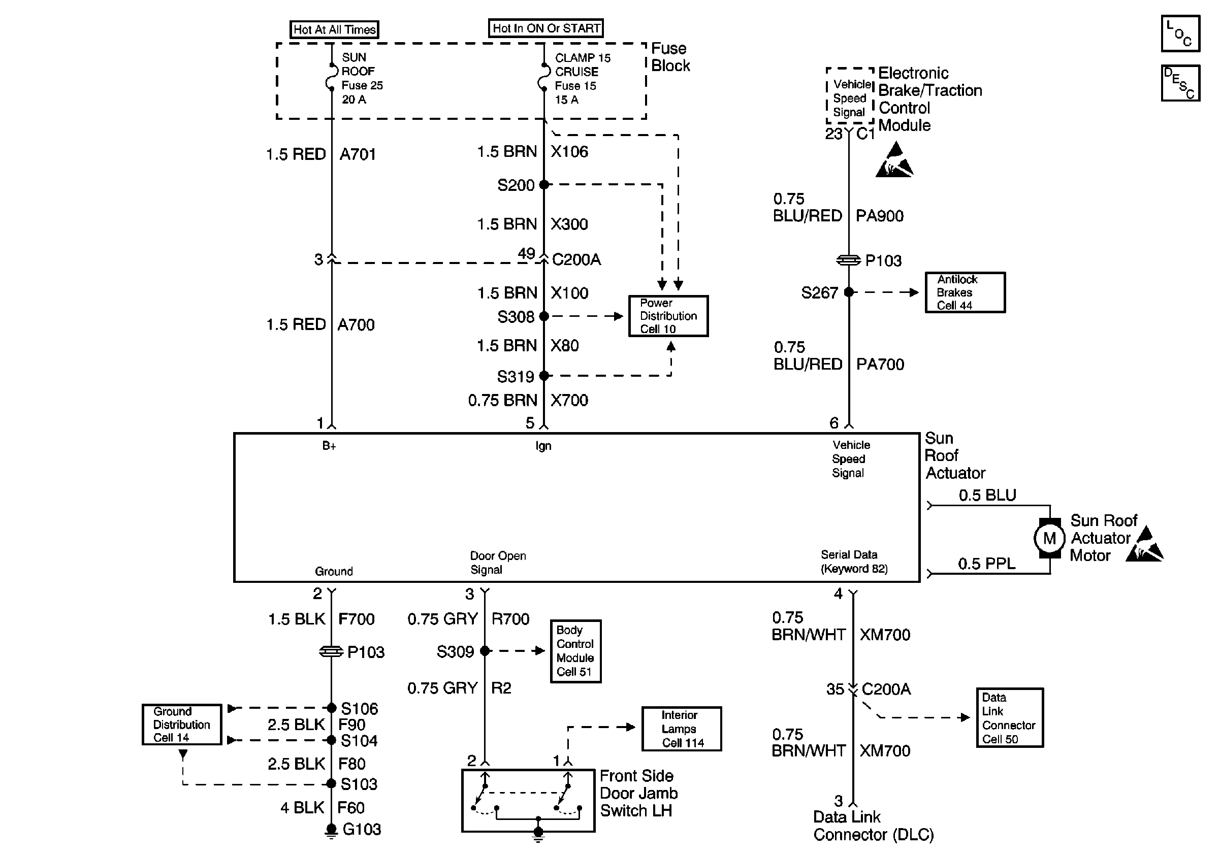
🢒 Sunroof Schematics
Cell 122
Power Roof Systems Components
Power Sunroof Circuit Description
Cell 10 Fuse Block, Cruise Control, Heater Relays, Instrument Cluster, and Headlamp Switch
Handling Electrostatic Discharge Sensitive Parts Notice
Cell 44 EBTCM, Can Buss, ECM, and Vehicle Speed Signal
Handling Electrostatic Discharge Sensitive Parts Notice
Cell 14 Door Lock Relay K135, ALC Sensor, and EBTCM
Cell 51: Exterior Lamp Power and All Door Jamb Switch
Cell 114 BCM, Multifunction Relay K134, and Front Side Door Jamb Switch
Cell 50 Sun Roof Actuator, TCM, ECM, and Instrument Cluster