GM Service Manual Online
For 1990-2009 cars only
Makes
🢒
Cadillac
🢒
1999
🢒
Catera
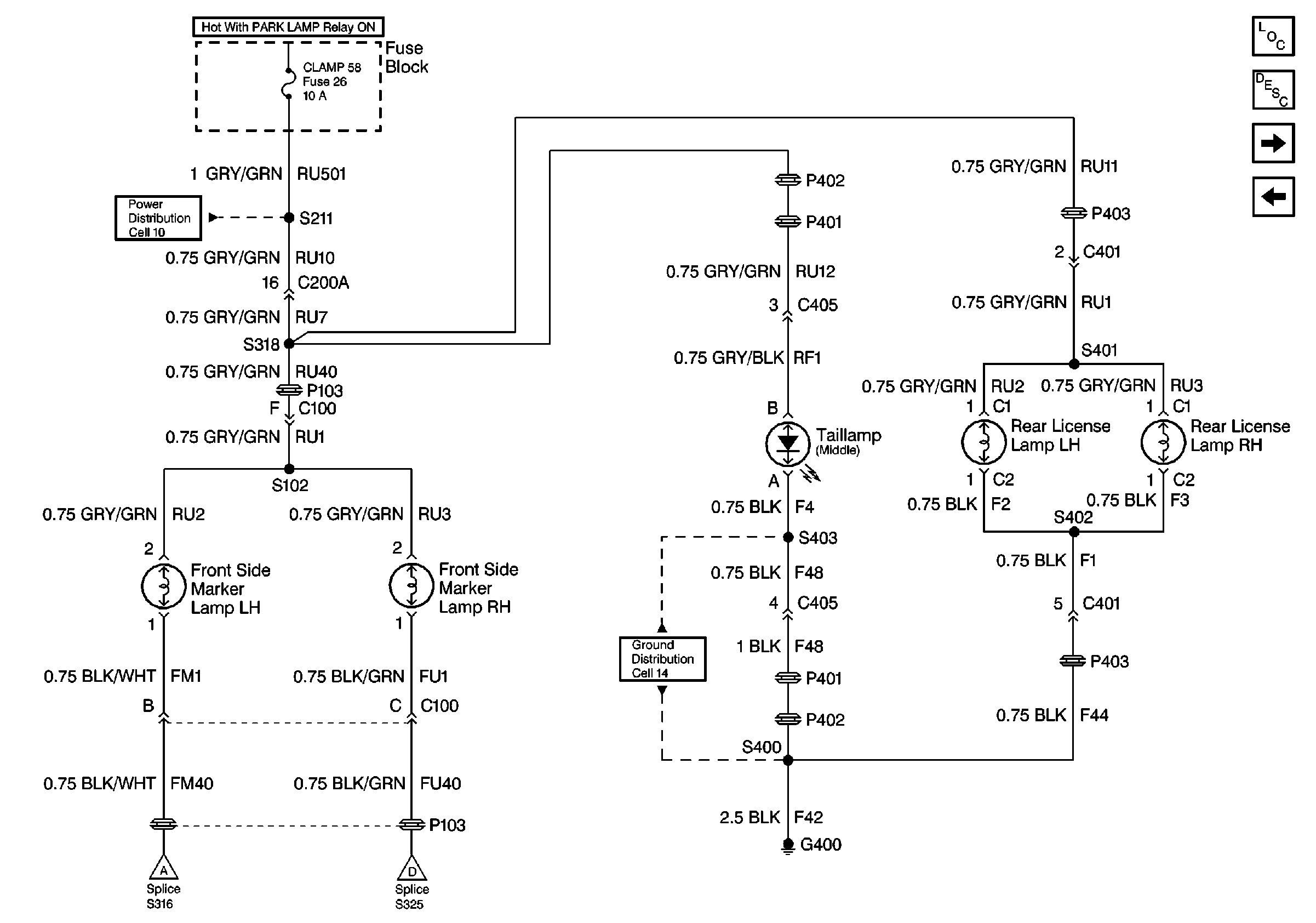
🢒 Cell 110 Front Side Marker Lamp, Tailamp, Rear License Lamp
Cell 110 Front Side Marker Lamp, Tailamp, Rear License Lamp
Cell 110 Front Side Marker Lamp, Tailamp, Rear License Lamp
Lighting Systems Components
Exterior Lights Circuit Description
Cell 110 Cornering Lamps, Stop/Tailamps, Auxiliary Brake Lamp
Cell 110 Hazard Warning Switch, Turn Signal Switch and Instrument Cluster
Cell 10 Fuse Block, Radio, Rear License Lamps, and Headlamp Switch
Cell 14 Fuel Pump, Sunshade Motor, and Rear Exterior Lamps
Cell 110 Park/Turn Signal Lamps, Rear Side Marker Lamps, and Stop/Tailamps
Cell 110 Park/Turn Signal Lamps, Rear Side Marker Lamps, and Stop/Tailamps