GM Service Manual Online
For 1990-2009 cars only
Makes
🢒
Cadillac
🢒
1999
🢒
Catera
🢒 Cell 112
Cell 112
Cell 112
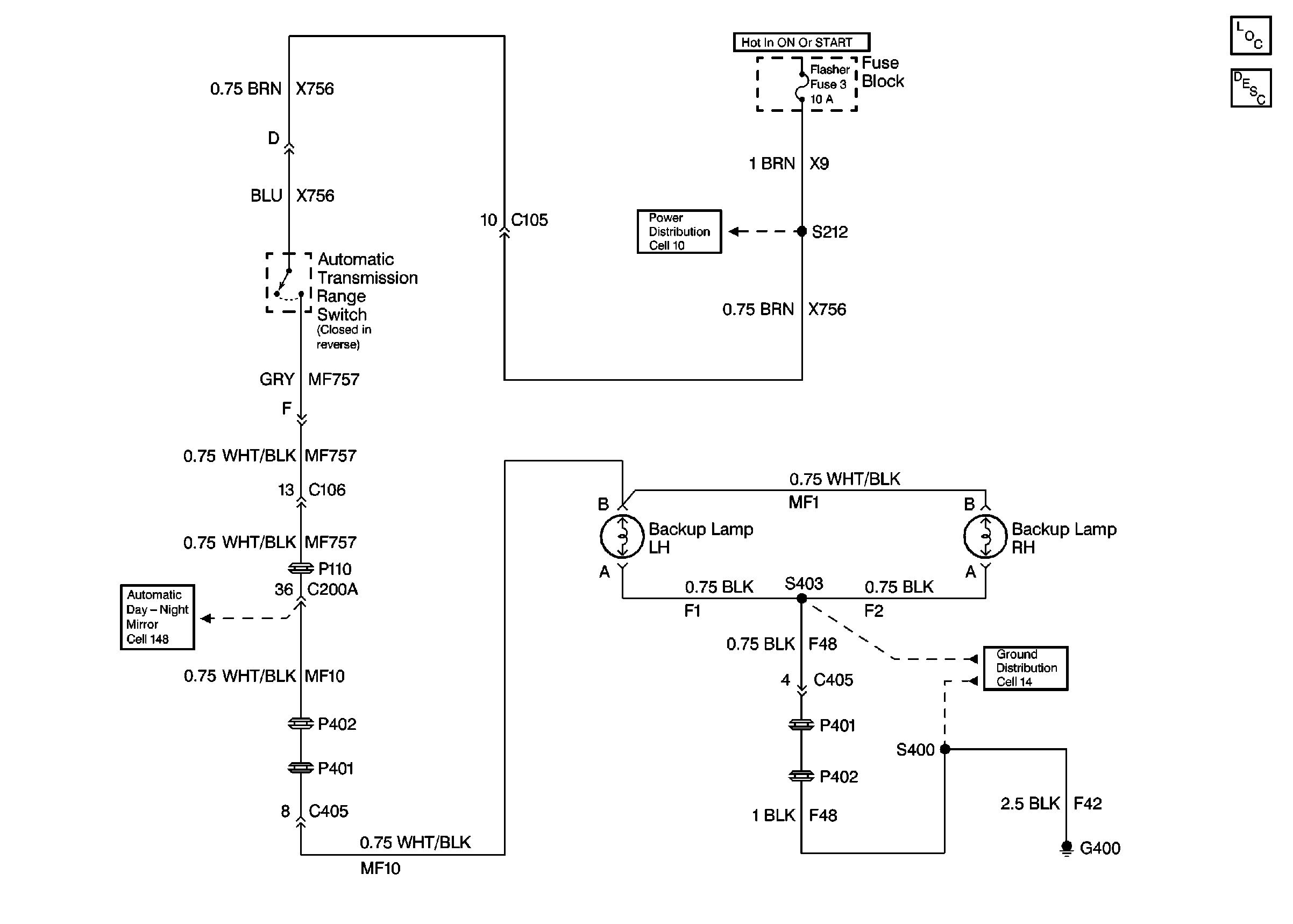
Lighting Systems Components
Backup Lamp Circuit Description
Cell 10 Fuse Block, Window Regulator Motors and Automatic Transmission Switches
Cell 14 Fuel Pump, Sunshade Motor, and Rear Exterior Lamps
Cell 148