GM Service Manual Online
For 1990-2009 cars only
Makes
🢒
Cadillac
🢒
1999
🢒
Catera
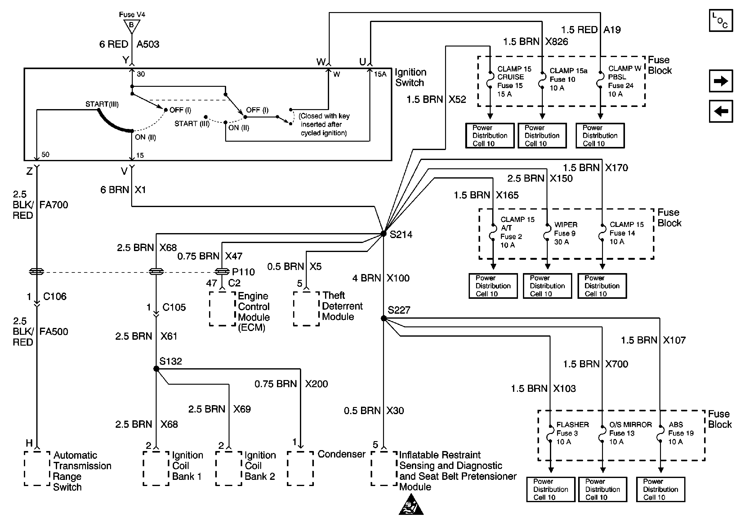
🢒 Cell 10 Ignition Switch and Fuse Block
Cell 10 Ignition Switch and Fuse Block
Cell 10 Ignition Switch and Fuse Block
Power and Grounding Components
Cell 10 Fuse Block, Heated Outside Rear View Mirror and Rear Defogger Relay
Cell 10 Engine Controls, Fuel Injectors, and Heated oxygen Sensors
Cell 10 Power Distribution Fuse Block
Cell 10 Fuse Block, Cruise Control, Heater Relays, Instrument Cluster, and Headlamp Switch
Cell 10 Fuse Block, Fan Control Relays, BCM, Heater and AC controls, and AC Load Switch,
Cell 10 Fuse Block, BCM, Lifting Magnet, Sun Roof Actuator, and Gauge CLuster
Cell 10 Fuse Block, Window Regulator Motors and Automatic Transmission Switches
Cell 10 Fuse Block, WSWA System, and Multifunction Relay
Cell 10 Fuse Block, Heater Switches, Cell Phone, WSW Nozzles, and Heater A/C control
Cell 10 Fuse Block, Window Regulator Motors and Automatic Transmission Switches
Cell 10 Fuse Block, Fan Control Relays, BCM, Heater and AC controls, and AC Load Switch,
Cell 10 Fuse Block, Horns, Fuel Pump, EBTCM, LH Headlamp and DRL Relays
SIR Caution