GM Service Manual Online
For 1990-2009 cars only
Makes
🢒
Cadillac
🢒
1999
🢒
Catera
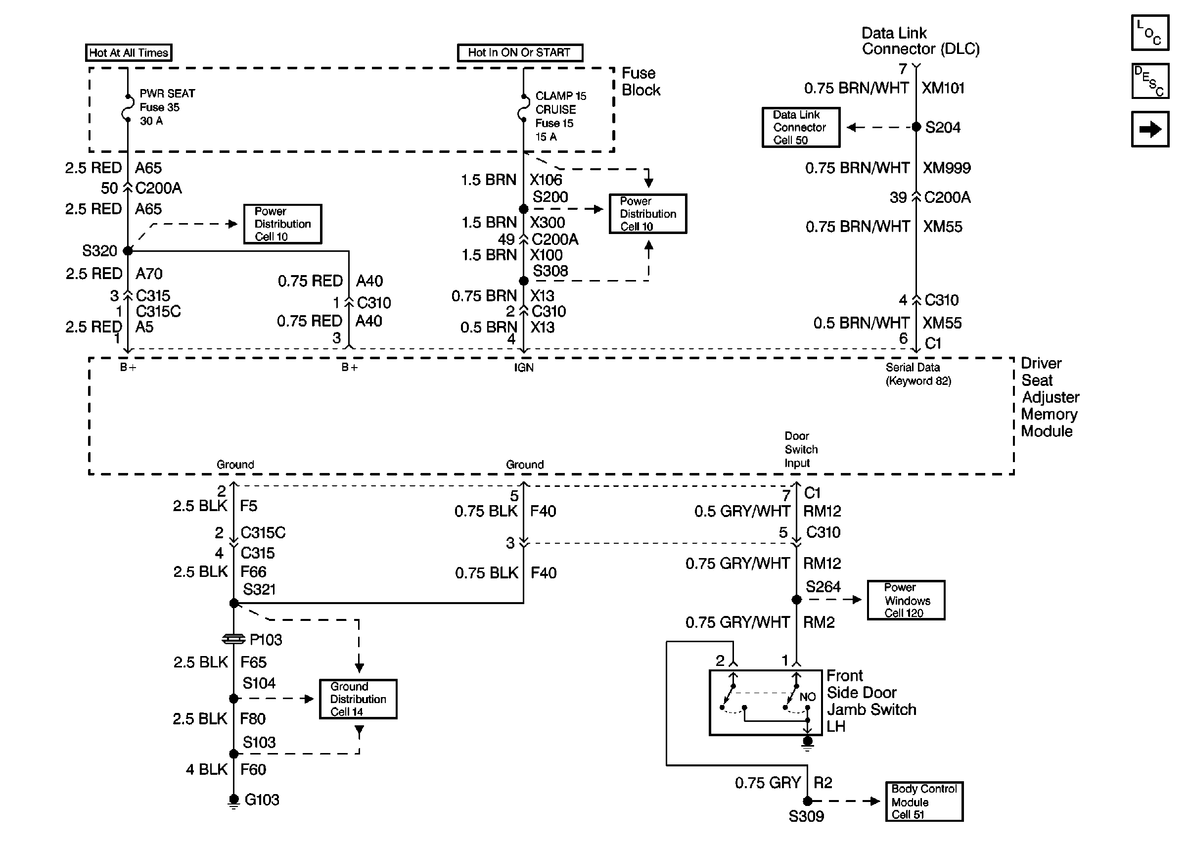
🢒 Cell 141 Driver Seat Adjuster Memory Module Power and Ground
Cell 141 Driver Seat Adjuster Memory Module Power and Ground
Cell 141 Driver Seat Adjuster Memory Module Power and Ground
Power Seat Systems Components
Memory Seat Circuit Description
Cell 141 Driver Seat Adjuster Switch and Actuator Motors With Memory
Cell 50 Sun Roof Actuator, TCM, ECM, and Instrument Cluster
Cell 10 Fuse Block, Cruise Control, Heater Relays, Instrument Cluster, and Headlamp Switch
Cell 10 Fuse Block, Turn Signal Switch, Blower Control, and A/C Compressor Relay
Cell 14 Door Lock Relay K135, ALC Sensor, and EBTCM
Cell 114 BCM, Multifunction Relay K134, and Front Side Door Jamb Switch
Cell 51: Exterior Lamp Power and All Door Jamb Switch