GM Service Manual Online
For 1990-2009 cars only
Makes
🢒
Cadillac
🢒
1999
🢒
Catera
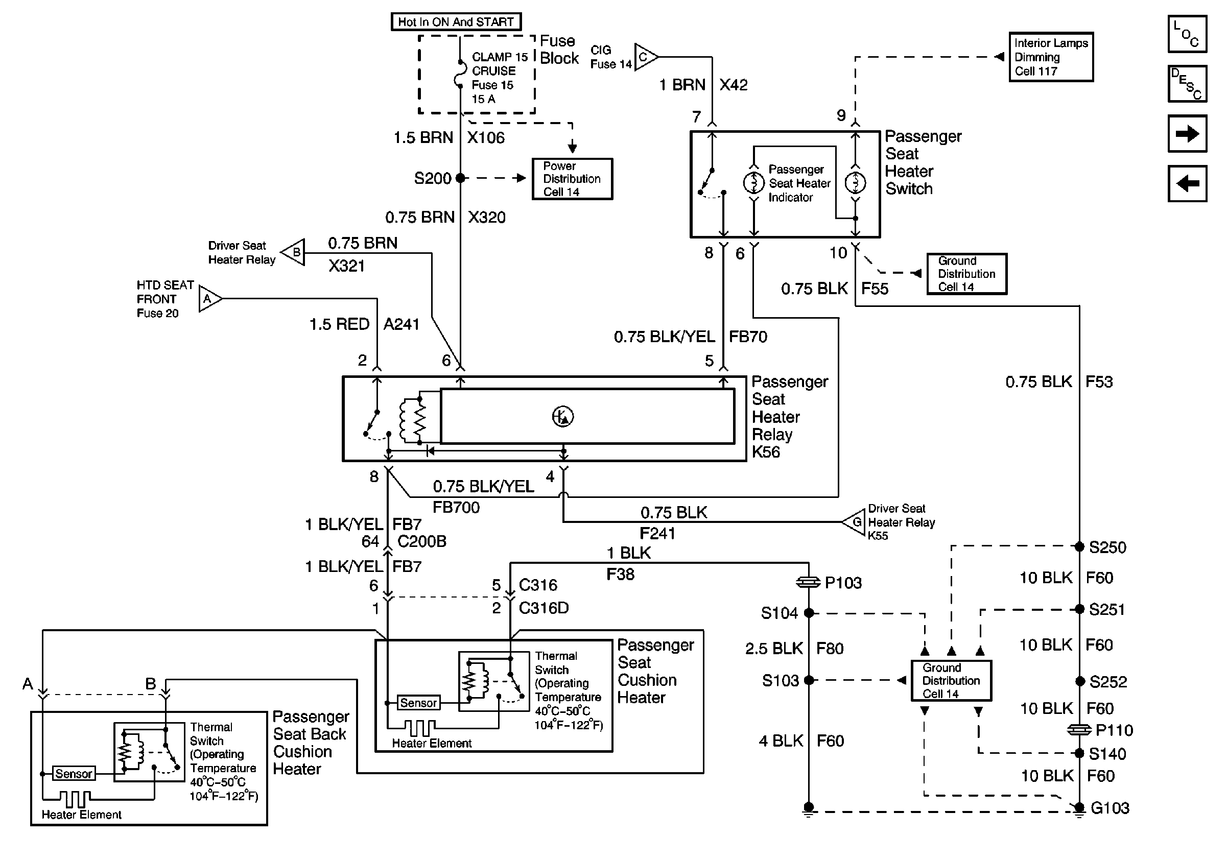
🢒 Cell 143 Passenger Seat Heater Switch and Heater Relay K56
Cell 143 Passenger Seat Heater Switch and Heater Relay K56
Cell 143 Passenger Seat Heater Switch and Heater Relay K56
Power Seat Systems Components
Heated Seats Circuit Description
Cell 143 LH and RH Rear Seat Heater Switches
Cell 143 LH and RH Rear Seat Cushion Heater Relays
Cell 143 Driver Seat Heater Switch and Heater Relay K55
Cell 143 Driver Seat Heater Switch and Heater Relay K55
Cell 143 Driver Seat Heater Switch and Heater Relay K55
Cell 143 Driver Seat Heater Switch and Heater Relay K55
Cell 117 Instrument Cluster, Heater and A/C Control, and Cigarette Lighter
Cell 14 Heater Relays, Theft Deterrent Module, and Heater Switches
Cell 10 Fuse Block, Cruise Control, Heater Relays, Instrument Cluster, and Headlamp Switch
Ground Distribution Schematics