GM Service Manual Online
For 1990-2009 cars only

DTC 169 Outside Temperature Sensor Voltage Low 2nd Design


Object Number: 243012  Size: LF

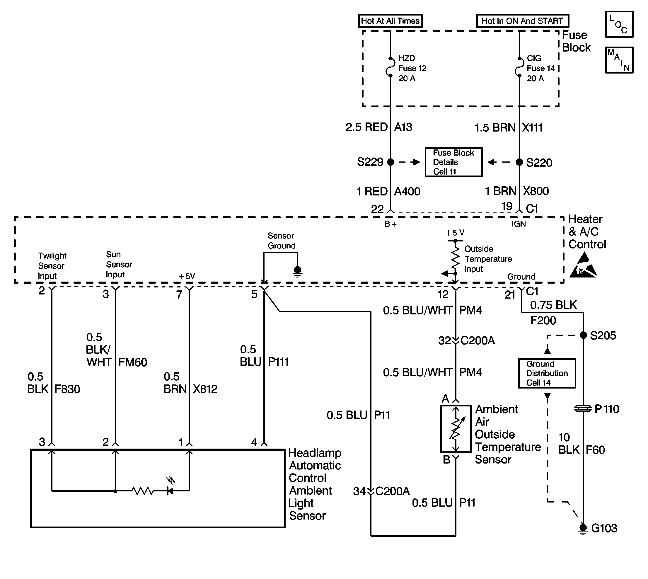
Circuit Description

The outside air temperature sensor is located behind the lower grille of the front fascia on the left side of the vehicle. In this position, it is exposed at airflow through the grill before the air enters the radiator. This provides a sample of the outside (ambient) air temperature.

The sensor is a thermistor used to control the signal voltage to the heater and A/C control. The heater and A/C control supplies a reference voltage (about 5 volts) on circuit PM 4 to the sensor and measures the voltage drop in the circuit to obtain a temperature signal. This signal is an input that tells the heater and A/C control how much cooling or heating will be required to deliver to the passenger compartment. It also affects the mode and blower motor speed.

Resistance of the sensor varies from 169,400 ohms at -40°C (-40°F) to 1,245 ohms at 60°C (140°F). When the outside (ambient) air temperature is cold, the thermistor resistance is high; therefore, the Heater and A/C control will receive a high signal voltage input. If the air temperature is hot, the thermistor resistance is low, the Heater and A/C control will receive a low signal voltage input.

The outside temperature is displayed on the display panel of the heater and A/C control. The displayed temperature value is derived from a series of calculations performed by a processor in the heater and A/C control. When the measured outside temperature is less than the displayed value, the processor filters less of the input signal, stores it in EEPROM, and rapidly updates the display. If the measured outside temperature is greater than the displayed value and the vehicle is moving, the processor filters more of the input signal, stores it in EEPROM, and updates the display at a much slower rate.

Conditions for Setting the DTC

    • With the ignition in the ON position, circuit PM4 is checked continuously every 200 ms.
    • Circuit PM4 stays or near zero voltage.

Action Taken When the DTC Sets

    • The heater and A/C control displays the outside temperature as F
    • The system uses 10°C (50°F) as a default value.

Conditions for Clearing the DTC

    • The conditions for the fault are no longer present.
    • Using a scan tool.
    • A history DTC will clear after 20 consecutive ignition cycles if the condition for the fault is no longer present.

Diagnostic Aids

    • If the DTC is a history or an intermittent. Try to perform the tests shown while "wiggling" wiring and connectors, this can often cause the malfunction to appear.
    • Visually inspect sensor connector and harness for damage, corrosion or water intrusion.
    • Check for adequate terminal tension, mis-routed harness, rubbed through wire insulation, and broken wire inside the insulation.
    • If using the chart below, the resistance value of the sensor must be close to the ohmic values given in the chart. If not the sensor is considered skewed and must be replaced.

°C

°F

Ohmsohms

Temperature vs. Resistance Values (Approximate)

-40

-40

169,400

-30

-22

88,740

-20

-4

48,580

-10

14

27,670

0

32

16,330

10

50

9,951

20

68

6,246

30

86

4,028

40

104

2,663

50

122

1,801

60

140

1,245

Test Description

The number(s) below refer to the step number(s) on the diagnostic table.

  1. This step checks for the available reference voltage from the heater and A/C control.

  2. This step replaces the sensor. If the reference voltage was measured in the previous step, this would indicate the heater and A/C control and the wiring are OK.

  3. This step checks for a possible intermittent problem. Moving the wiring during a diagnostic check may have corrected the problem temporarily. Review the suggestions in Diagnostic Aids when attempting to locate an intermittent problem.

  4. This step replaces the heater and A/C control. If a DTC 169 continues to reset after a repair or no repair, the most likely cause is an internal malfunction in the heater and A/C control.

Step

Action

Value(s)

Yes

No

1

Was the Air Delivery System Check performed?

-

Go to Step 2

Go to HVAC Air Delivery System Check

2

  1. Disconnect the electrical connector from the ambient air temperature sensor.
  2. Turn the ignition switch to the ON position.
  3. Using a DMM, measure the voltage at terminal A.

Is the measured voltage within the specified value?

4.5-5.5 V

Go to Step 3

Go to Step 4

3

Replace the ambient air temperature sensor.

Is the replacement complete?

--

Go to Step 11

--

4

  1. Disconnect connector C200A
  2. Measure the voltage at C200A terminal 32 (female terminal) with the ignition in the ON position.

Is the voltage reading within the specified value?

4.5-5.5 V

Go to Step 5

Go to Step 6

5

  1. Make sure that the sensor connector is still disconnected.
  2. Measure the resistance to ground at terminal 32 of C200A (male terminal).

Is the resistance reading within the specified value?

OL

Go to Step 7

Go to Step 8

6

  1. Remove the heater and A/C control.
  2. Disconnect connector C1.
  3. Measure the resistance to ground at terminal 12 of connector C1.

Is the resistance reading within the specified value?

OL

Go to Step 11

Go to Step 10

7

Problem may be intermittent at this time. Refer to Diagnostic Aids.

Was a problem found and repaired?

--

Go to Step 11

Go to Intermittents and Poor Connections Diagnosis in Wiring Systems

8

Locate and repair the short to ground in CKT PM 4 between C200A and the ambient air temperature sensor.

Is the circuit repair complete?

--

Go to Step 11

--

9

Replace and program the heater and A/C control. Refer to Control Assembly Replacement for the programming procedure.

Is the replacement and programming complete?

--

Go to HVAC Air Delivery System Check

--

10

Locate and repair the short to ground in CKT PM 4 between connector C1 and C200A.

Is the circuit repair complete?

--

Go to Step 11

--

11

  1. Reassemble any connectors/components removed.
  2. Install the scan tool and clear codes.
  3. Recheck for DTCs.

Is a current DTC 169 present?

--

Go to Step 9

System OK