 
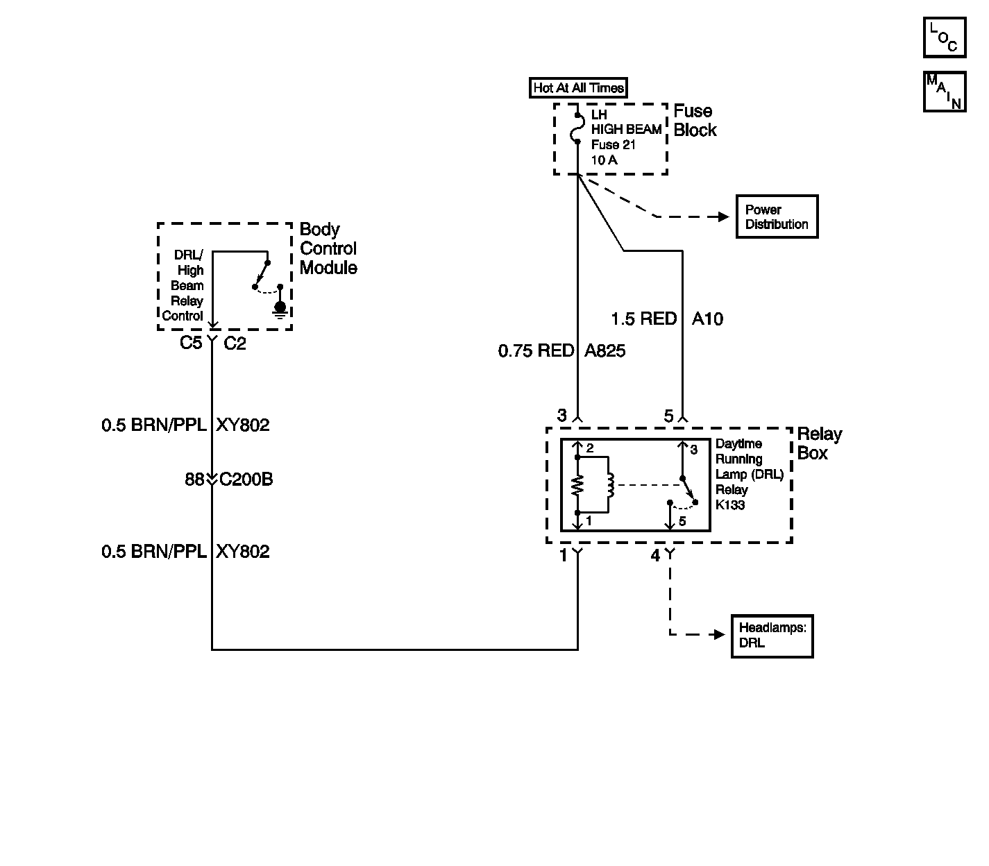
The body control module (BCM) commands the daytime running lamps (DRL) On and Off through a discrete output to the DRL relay. The daytime running lamps can only be active under one or all of the following conditions:
| • | The ignition switch is in the ON position. | 
| • | The Twilight Sentinel is not active. | 
| • | The low beam headlamps are OFF. | 
| • | The high beam headlamps are OFF. | 
| • | The fog lamps are OFF. | 
| • | The transmission is not in PARK. | 
The high beam lamps are placed in series when the DRL relay is energized. This circuit configuration provides the lower illumination for the DRL.
The BCM monitors the output to the DRL relay every second at terminal C5. The fault code is set when the feedback doesn't match the commanded state for 2 seconds (open circuit, short to B+ or ground).
| • | The BCM continues to command the state requested until the state is achieved or changes. | 
| • | Stores a DTC B2470 in the BCM memory. | 
| • | The conditions for the fault are no longer present. | 
| • | The use of a scan tool. | 
| • | A history DTC will clear after 50 consecutive ignition cycles if the condition for the fault is no longer present. | 
Refer to Power and Grounding Component Views in Wiring Systems for an end view and for terminal assignments of the relay box when the diagnostics direct you to take electrical measurements at the relay box.
Test for the following conditions if a history or intermittent DTC is indicated:
| • | A damaged wiring harness. Inspect the wiring harness for damage. If the wiring harness appears to be in good condition, observe the display on the DMM while moving the connectors and wiring harnesses related to the circuits. A change in the DMM display during this test will indicate the location of the fault. | 
| • | For additional information, refer to Intermittents and Poor Connections Diagnosis . | 
The following numbers refer to the step numbers on the diagnostic table:
This step uses a scan tool to test the DRL operation and to verify if the fault is present.
This step tests for an intermittent condition in the circuits that can cause a DTC B2470 to set.
After verifying that no circuit problems exist, the BCM is most likely at fault. The BCM needs to be programmed after installation.
| Step | Action | Value(s) | Yes | No | 
|---|---|---|---|---|
| 1 | Did you perform the BCM System Check? | -- | Go to Step 2 | |
| 
 Did the daytime running lamps light when commanded ON? | -- | Go to Step 3 | Go to Step 4 | |
| 
 Were any repairs made? | -- | Go to Step 12 | -- | |
| 4 | 
 Is the measured voltage at the specified value? | B+ | Go to Step 5 | Go to Step 6 | 
| 5 | 
 Is the voltage at terminal C5 less than the specified value? | 1 V | Go to Step 11 | Go to Step 10 | 
| 6 | 
 Was an open found in either circuit or DRL relay coil? | -- | Go to Step 8 | Go to Step 7 | 
| 7 | Measure the resistance from BCM connector C2 terminal C5 (CKT XY802) to a good ground. Is the measured resistance at the specified value? | OL | Go to Step 12 | Go to Step 9 | 
| 8 | Locate and repair the open circuit in CKTs XY802, A825 or replace the relay. Is the repair or replacement complete? | -- | Go to Step 12 | -- | 
| 9 | Locate and repair the short to ground in CKT XY802. Is the repair complete? | -- | Go to Step 12 | -- | 
| 10 | Locate and repair the short to B+ in CKT XY802. Is the repair complete? | -- | Go to Step 12 | -- | 
| Important: Perform the set up procedure for the BCM. Replace the BCM. Refer to Body Control Module Replacement . Is the replacement complete? | -- | Go to Step 12 | -- | |
| 12 | 
 Did a current DTC B2470 set? | -- | Go to Step 2 | System OK |