GM Service Manual Online
For 1990-2009 cars only
Figure 1:

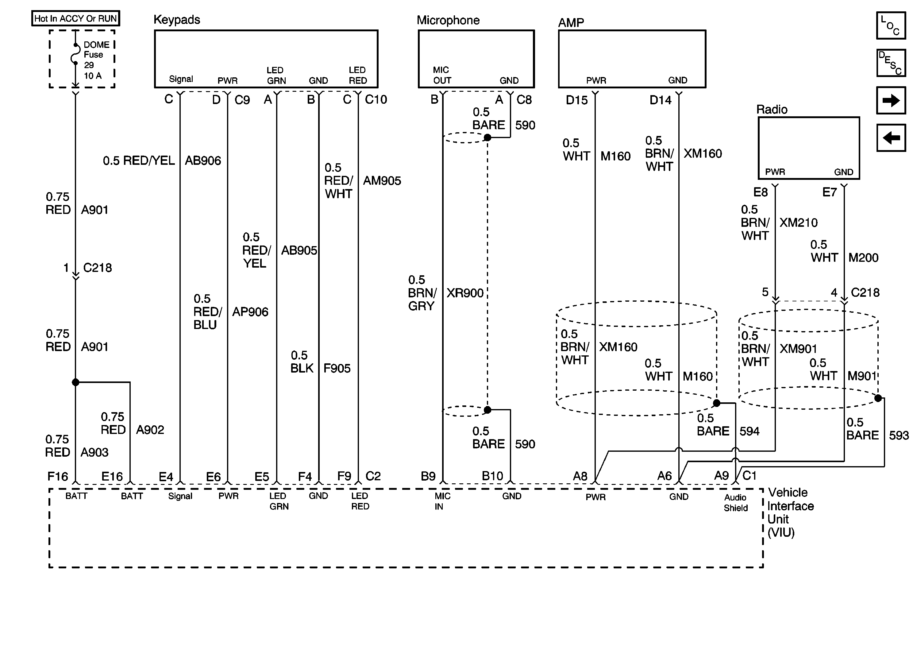
OnStar System GEN 2 ( Base Radio )


Object Number: 413539  Size: FS
Master Electrical Component List
OnStar Description and Operation
OnStar System GEN 2 ( Bose Radio )
Cell 153 Cellular Telephone (Bose® System)
Handling Electrostatic Discharge Sensitive Parts Notice
Cell 10 Fuse Block, WSWA System, and Multifunction Relay
Cell 50 DLC Power and Ground
Cell 134 Door Lock Relay, BCM, Fuel Tank Filler Door Lock Actuator, Rear Compartment Acuator
Cell 10 Fuse Block, ALC Sensor, Door Lock Relay K135, and Multifunction Relay
Handling Electrostatic Discharge Sensitive Parts Notice
Cell 14 Radio, Cell Phone, CD Changer, and Radio Speaker Amplifier
SIR Caution
Figure 2:

OnStar System GEN 2 ( Bose Radio )


Object Number: 450095  Size: FS
Master Electrical Component List
OnStar Description and Operation
OnStar System GEN 2 ( Base Radio )
Handling Electrostatic Discharge Sensitive Parts Notice
Cell 10 Fuse Block, WSWA System, and Multifunction Relay
Cell 10 Fuse Block, ALC Sensor, Door Lock Relay K135, and Multifunction Relay
Cell 50 DLC Power and Ground
Cell 50 DLC Power and Ground
Handling Electrostatic Discharge Sensitive Parts Notice
Cell 14 Radio, Cell Phone, CD Changer, and Radio Speaker Amplifier
SIR Caution
Figure 3:
Object Number: 639761  Size: SF
Figure 4:
Object Number: 639717  Size: SF