GM Service Manual Online
For 1990-2009 cars only
Figure 1:

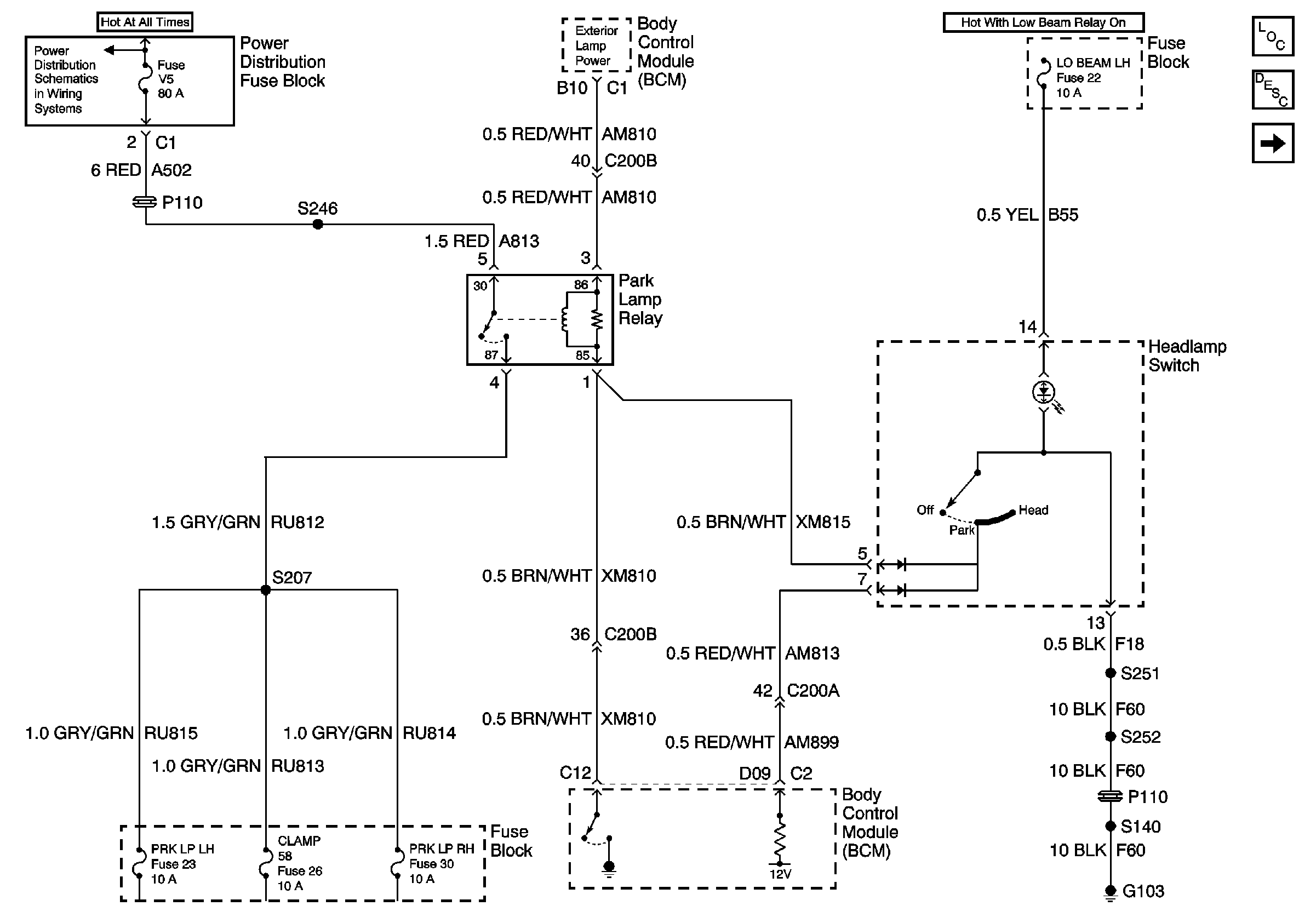
BCM Headlamp Switch Park Lamp Relay K130 and Fuse Block


Object Number: 594566  Size: FS
Figure 2:

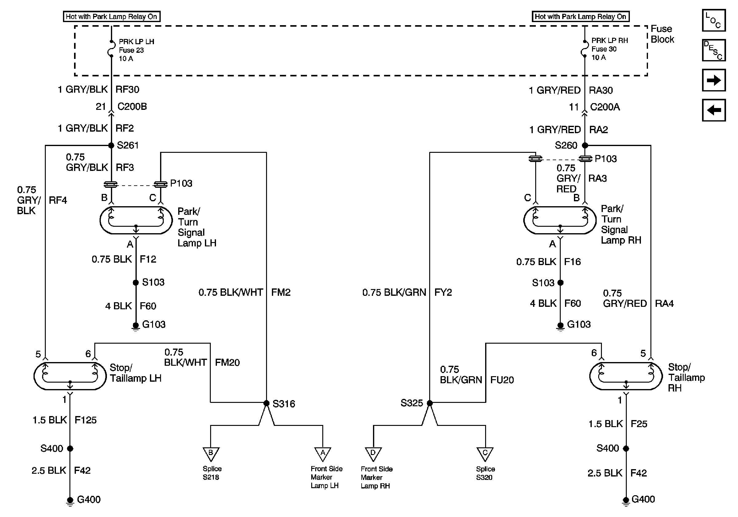
Park/Turn Signal Lamps and Stop/Taillamps


Object Number: 594544  Size: FS
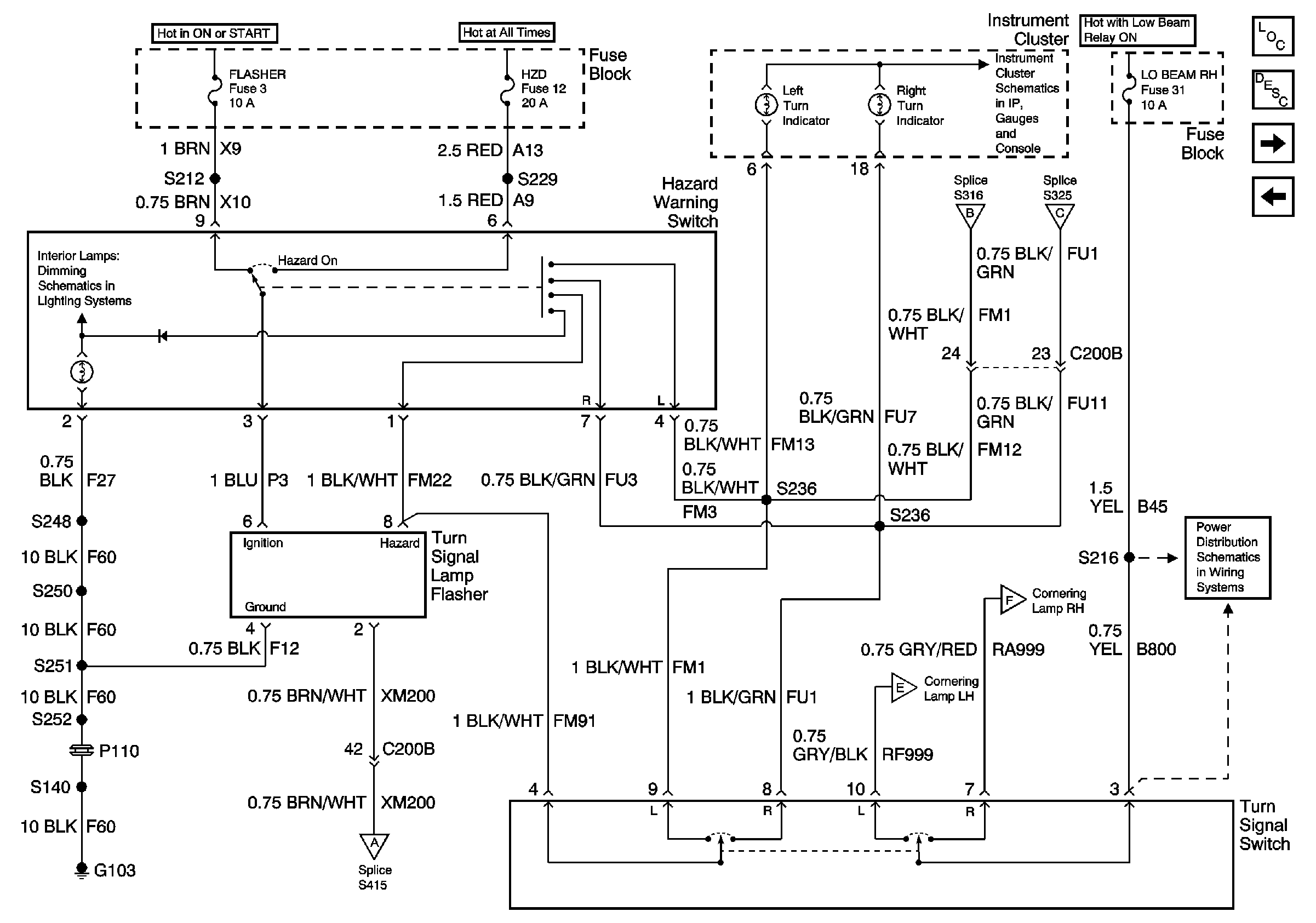
Figure 3:

Hazard Warning Switch, Turn Signal Switch and Instrument Cluster


Object Number: 594547  Size: FS
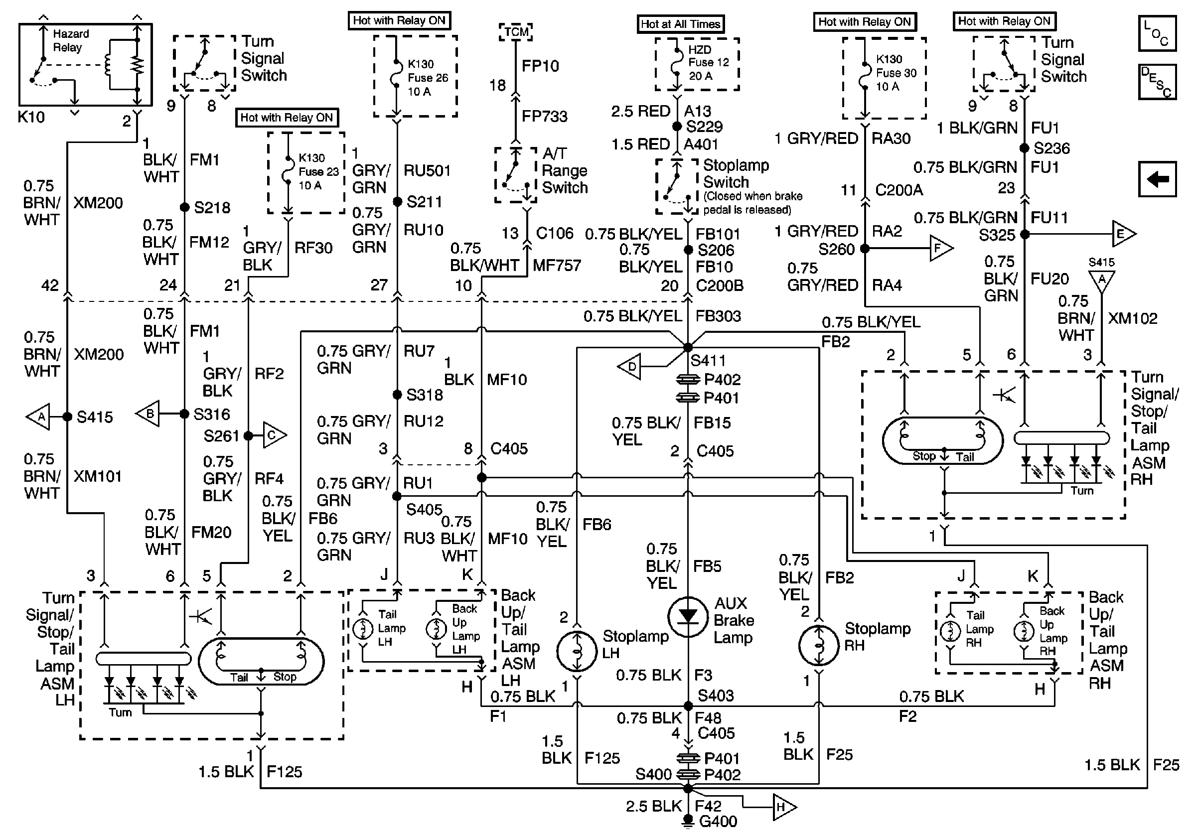
Figure 4:

Front Marker Lamps and Rear License Lamps


Object Number: 594555  Size: FS
Figure 5:

Cornering Lamps, Stop/Taillamps, Backup Lamps


Object Number: 594560  Size: FS