GM Service Manual Online
For 1990-2009 cars only
Makes
🢒
Cadillac
🢒
2000
🢒
Catera
🢒
Body and Accessories
🢒
Lighting Systems
🢒 Interior Lights Dimming Schematics
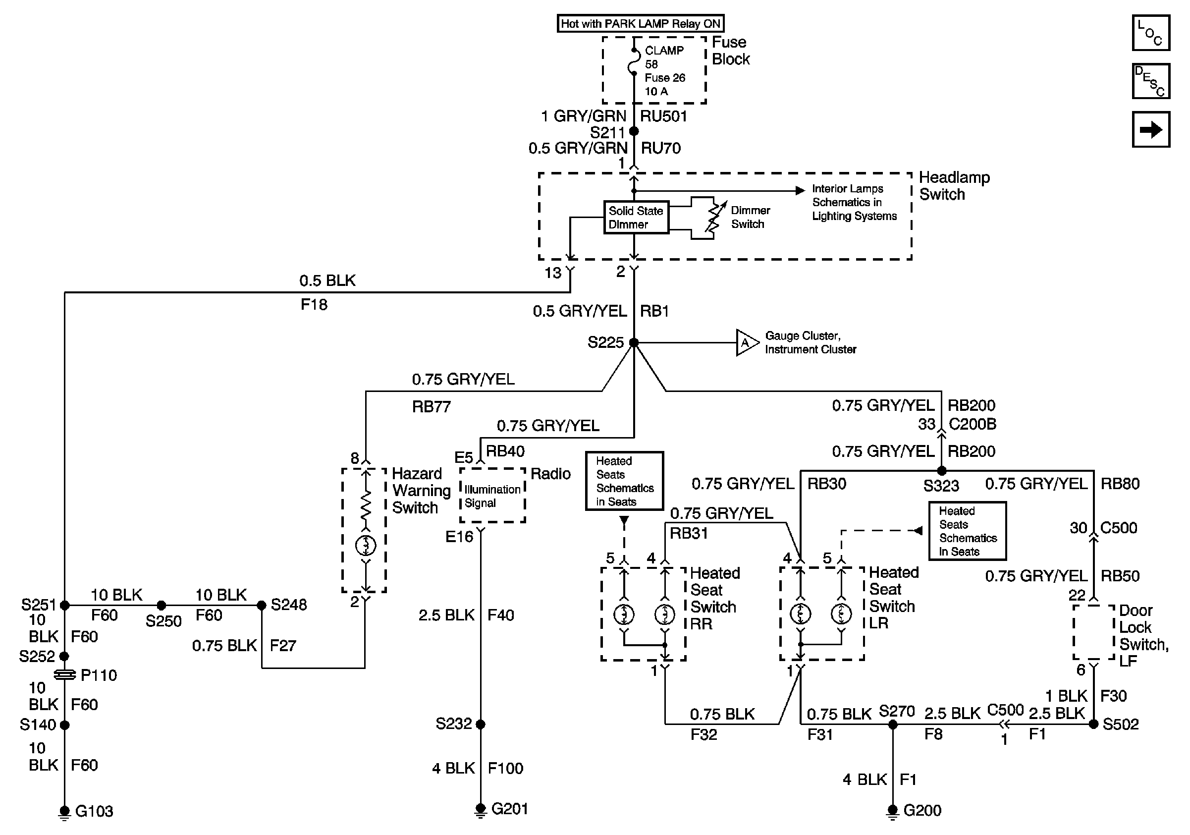
Figure
1:
Headlamp Switch Rear Seat Heater Switch and Radio
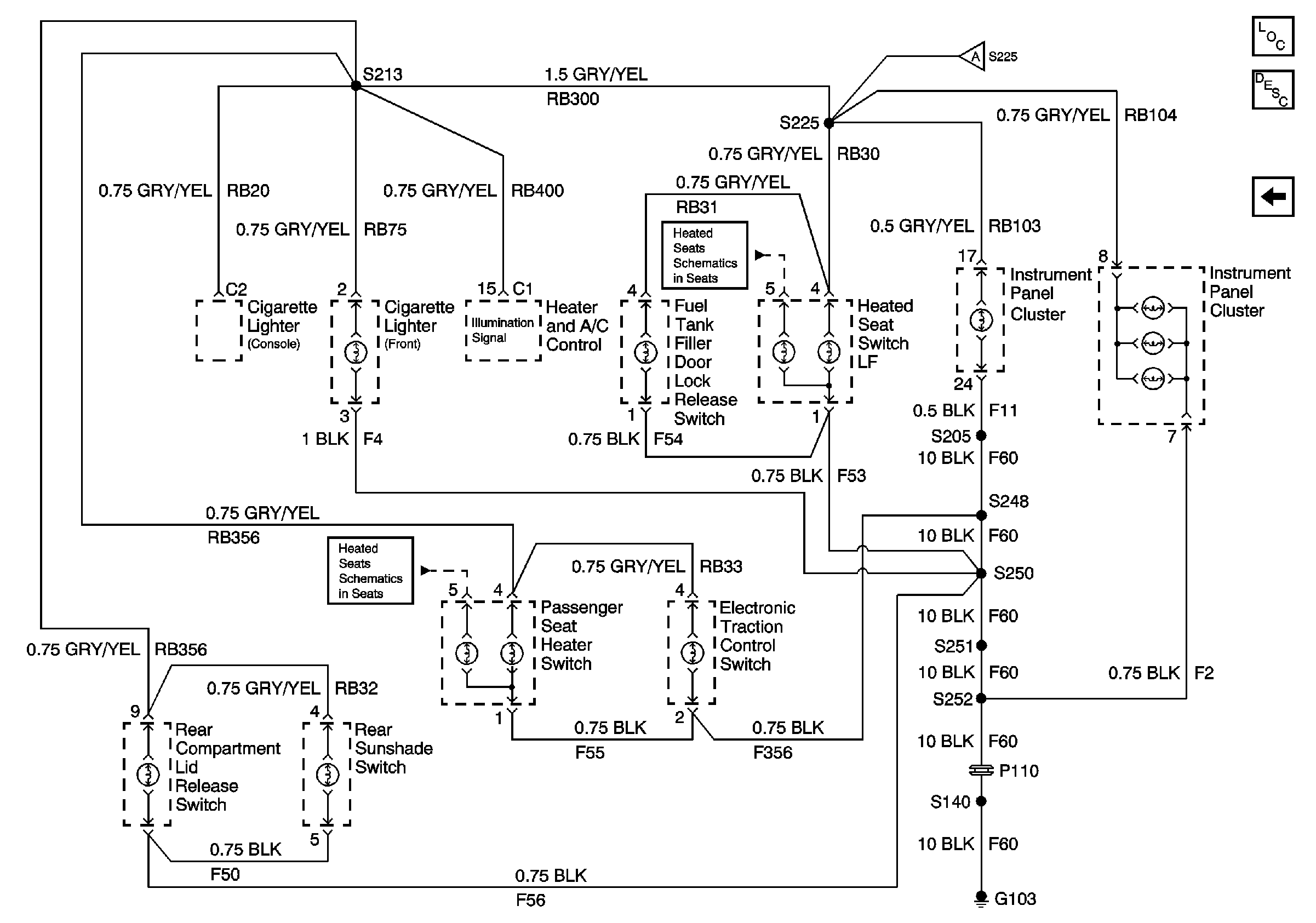
Figure
2:
Instrument Cluster, Heater and AC Control and Cigarette Lighter