GM Service Manual Online
For 1990-2009 cars only
Figure 1:

Power Distribution, Fuse Block


Object Number: 367080  Size: FS
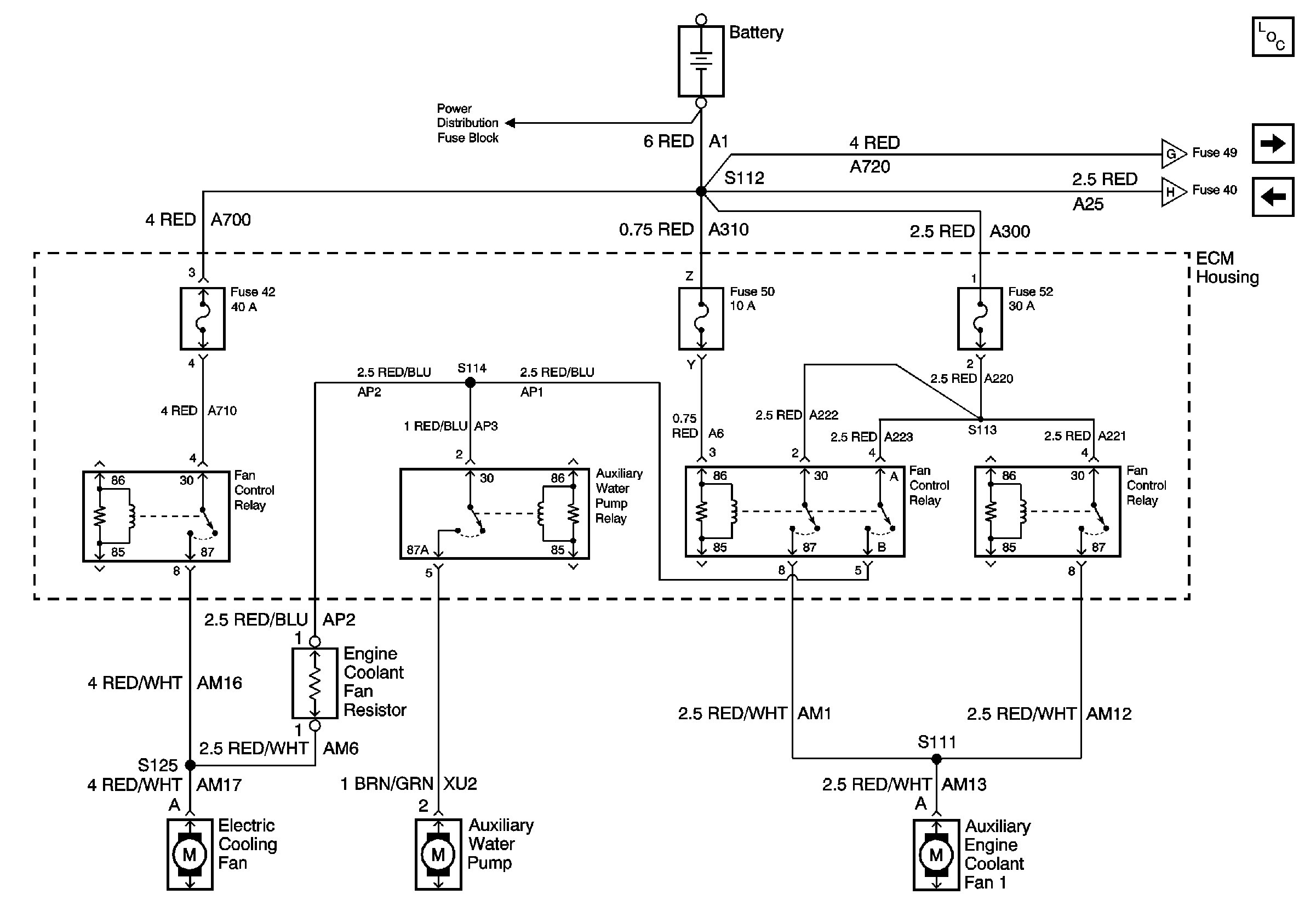
Figure 2:

ECM Housing, Electric Cooling Fan Auxiliary Engine Cooling Fan 1


Object Number: 590284  Size: FS
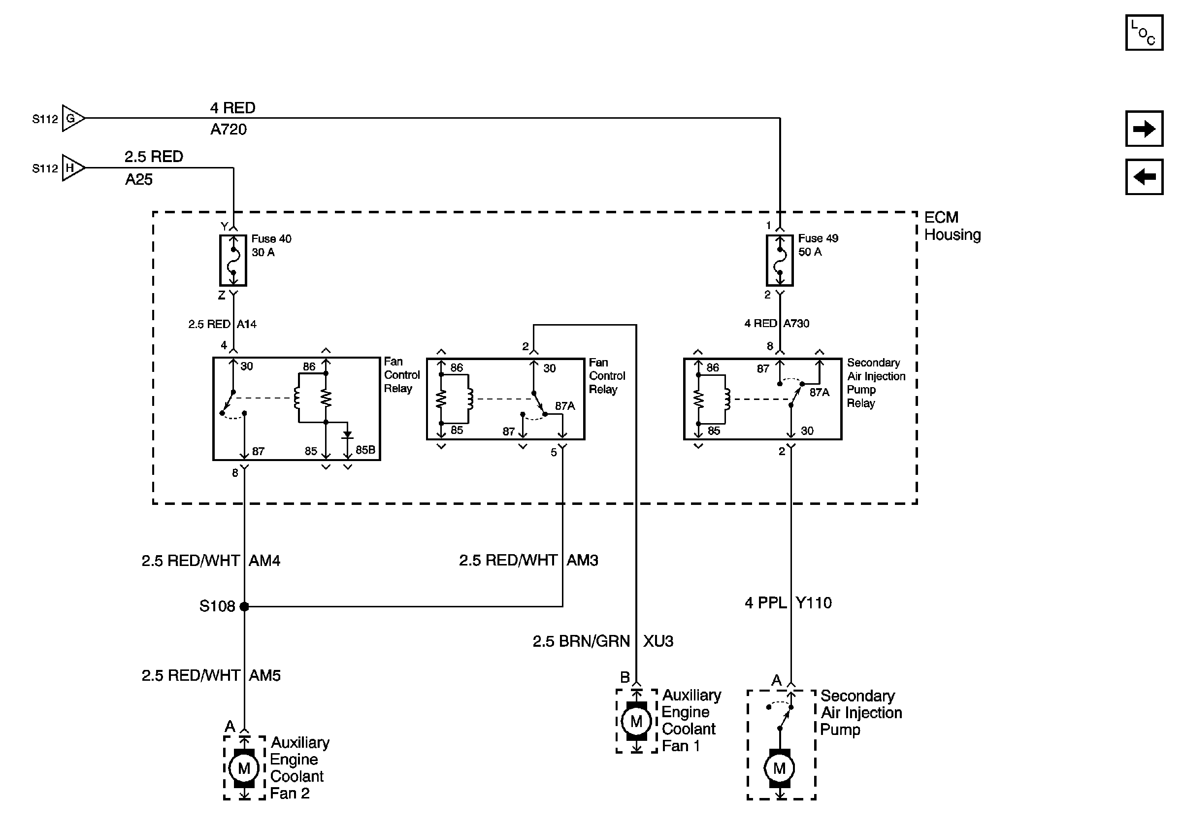
Figure 3:

ECM Housing, Secondary Air Injection Pump, Auxiliary Engine Cooling Fan 2


Object Number: 590307  Size: FS
Figure 4:

Fuse Block, Low Beam Relay and Park Lamp Relay


Object Number: 590309  Size: FS
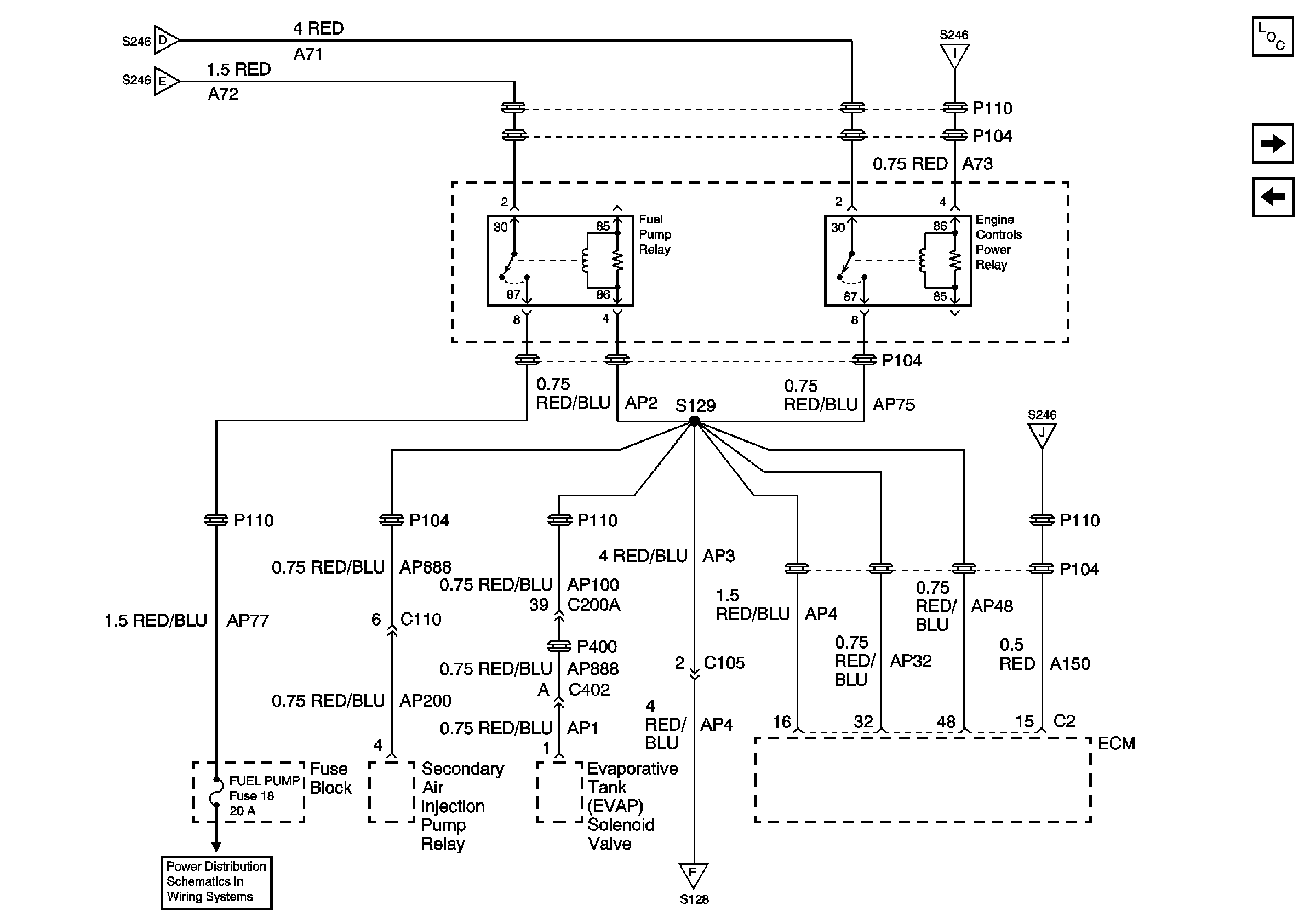
Figure 5:

ECM Housing, ECM, Engine Controls Power Relay and Fuel Pump Relay


Object Number: 590311  Size: FS
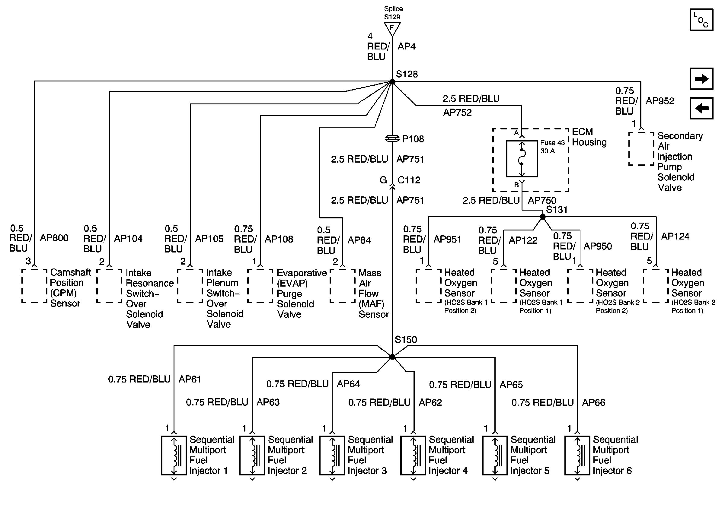
Figure 6:

Engine Controls, Fuel Injectors and Heated Oxygen Sensors


Object Number: 590315  Size: FS
Figure 7:

Ignition Switch and Fuse Block


Object Number: 590317  Size: FS
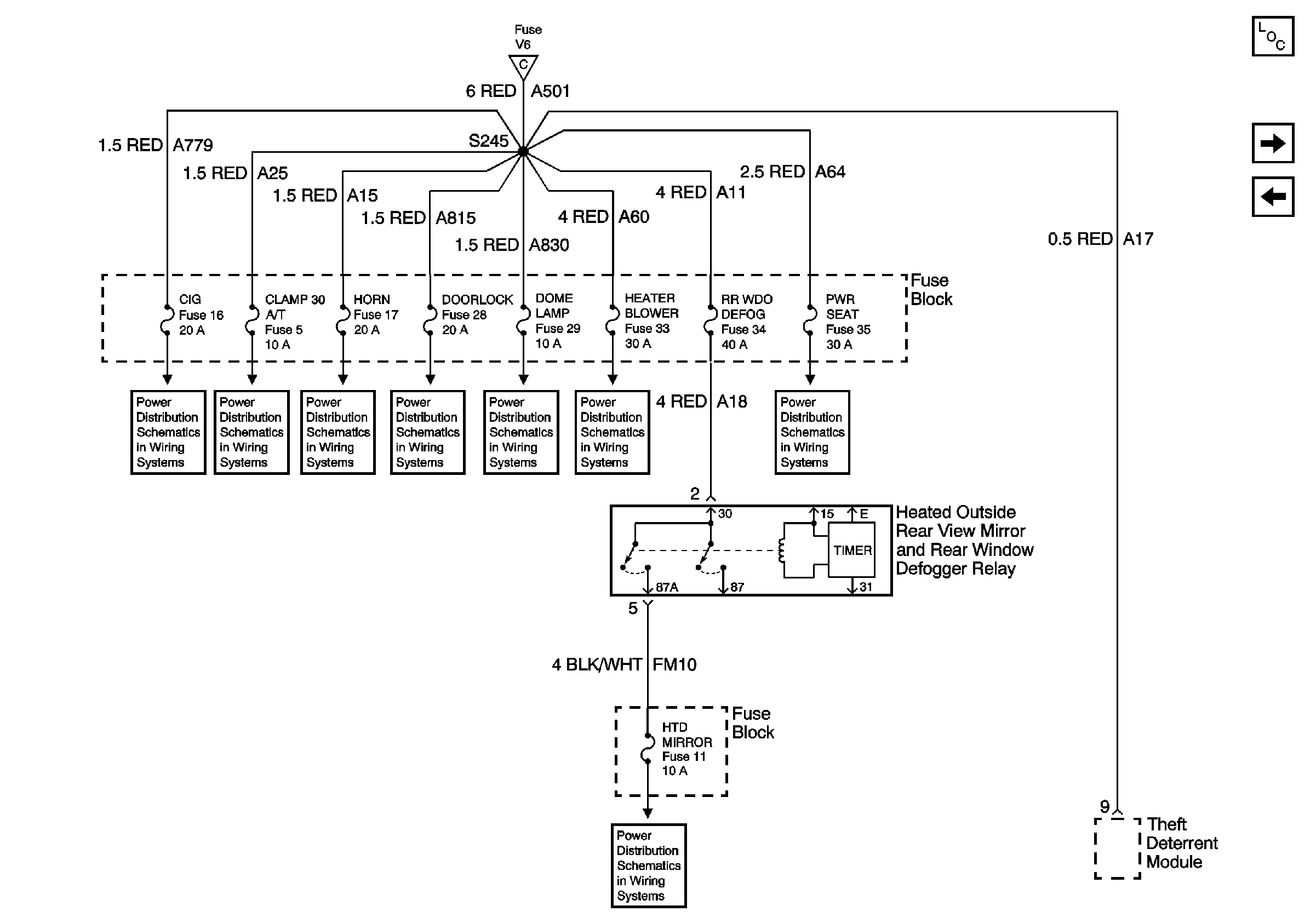
Figure 8:

Fuse Block, Heated Outside Rear View Mirror and Rear Defogger Relay


Object Number: 590326  Size: FS
Figure 9:

Fuse Block Window Regulator Motor and Automatic Transmission Switches


Object Number: 590334  Size: FS
Figure 10:

Fuse Block, Heater Relays, TCM, Rear Window Regulator Motors and Rear Sunshade


Object Number: 590336  Size: FS
Figure 11:

Fuse Block, WSWA System and Multifuction Relay


Object Number: 237264  Size: FS
Figure 12:

Fuse Block, Fan Control Relays, BCM, Heater and AC Controls and AC Load Switch


Object Number: 590338  Size: FS
Figure 13:

Fuse Block, LH and RH Outside Rear View Mirror, DLC and Gauge Cluster


Object Number: 590351  Size: FS
Figure 14:

Fuse Block, Heater Switches, Cell Phone, WSW Nozzels and Heater AC Controls


Object Number: 590352  Size: FS
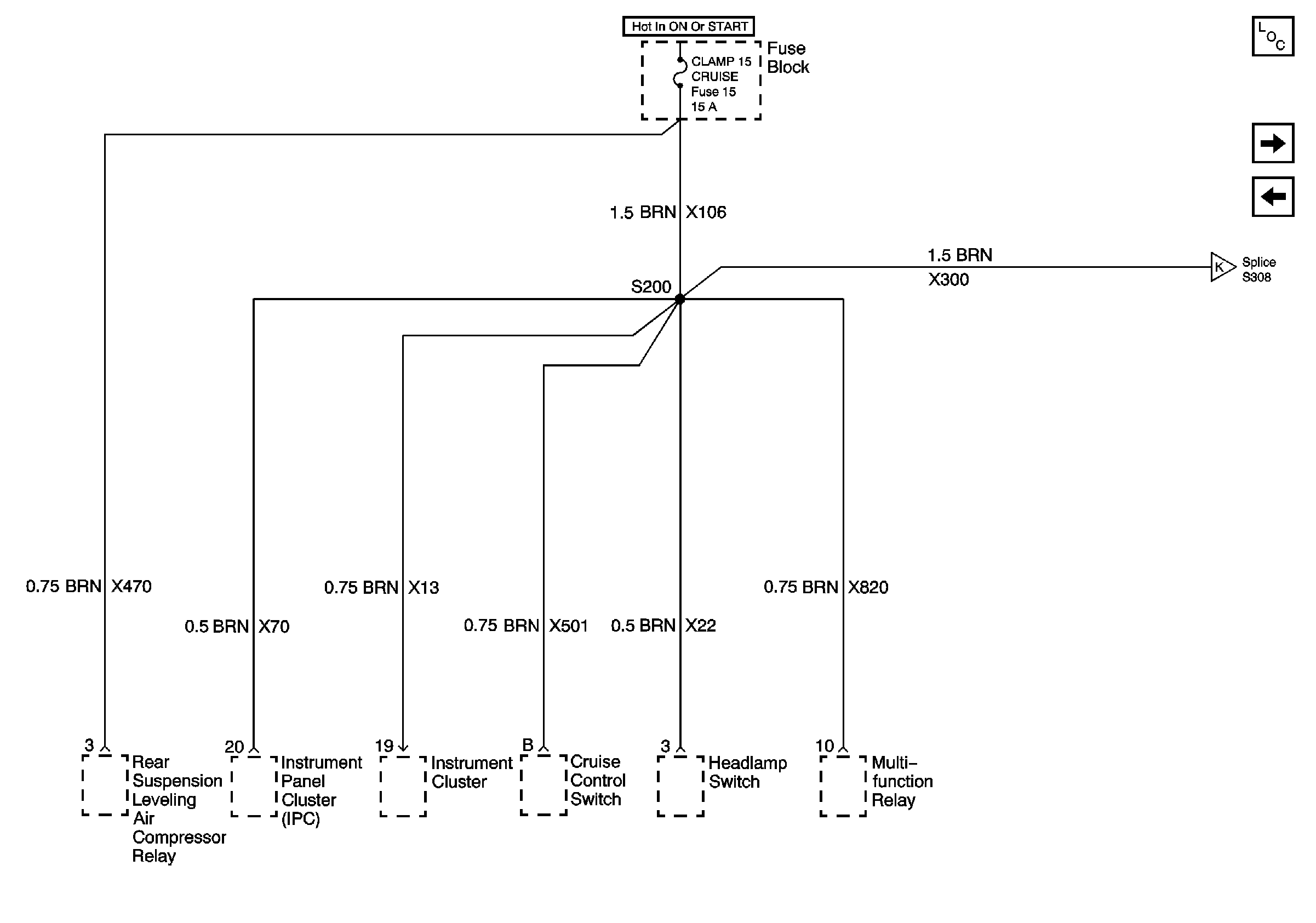
Figure 15:

Fuse Block, Cruise Control, Instrument Cluster and Headlamp Switch


Object Number: 590353  Size: FS
Figure 16:

Fuse Block, BCM, Sun Roof Actuator, ALC Sensor and Inside Rear View Mirror


Object Number: 590354  Size: FS
Figure 17:

Fuse Block, Horns, Fuel Pump, EBTCM, LH Headlamp and DLR Relay


Object Number: 590357  Size: FS
Figure 18:

Fuse Block, BCM, Lifting Magnet, Sun Roof Actuator and Gauge Cluster


Object Number: 590360  Size: FS
Figure 19:

Fuse Block, Rear License Lamps, and Headlamp Switch


Object Number: 590362  Size: FS
Figure 20:

Fuse Block, ALC Sensor, Door Lock Relay K135 and Multifunction Relay


Object Number: 590364  Size: FS
Figure 21:

Fuse Block, Turn Signal Switch, Blower Control, and AC Compressor Relay


Object Number: 590367  Size: FS