GM Service Manual Online
For 1990-2009 cars only
Figure 1:

Power, Ground, and DLC


Object Number: 605767  Size: FS
Figure 2:

Multifunction Relay K134


Object Number: 606371  Size: FS
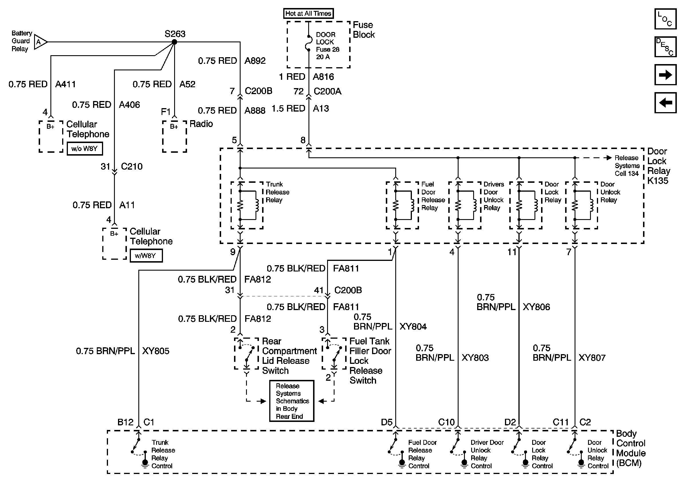
Figure 3:

Door Lock Relay K135


Object Number: 606375  Size: FS
Figure 4:

DRL Relay K133, LH High Beam Relay K73, and RH High Beam Relay K132


Object Number: 606378  Size: FS
Figure 5:

Low Beam Relay K131 and Park Lamp Relay K130


Object Number: 606387  Size: FS
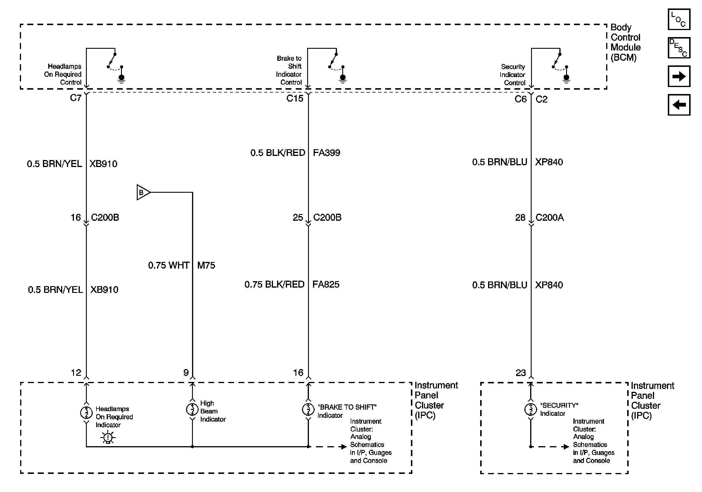
Figure 6:

Headlamps On, Hi Beam, Brake to Shift, and Security Indicator Controls


Object Number: 606438  Size: FS
Figure 7:

Headlamp, Wiper, and Stoplamp Switch Inputs


Object Number: 606443  Size: FS
Figure 8:

Headlamp, Wiper, and Stoplamp Switch Inputs


Object Number: 606450  Size: FS
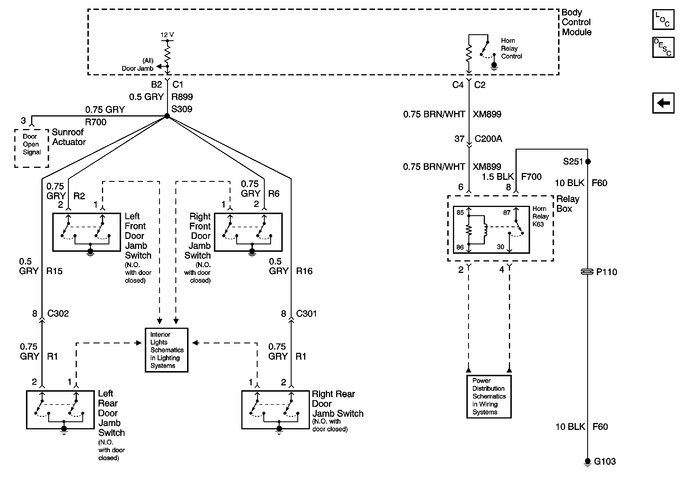
Figure 9:

Horn Relay K63 and Door Jamb Switch Inputs


Object Number: 606451  Size: FS