GM Service Manual Online
For 1990-2009 cars only
Figure 1:

Immobilizer: Power, Ground, DLC, and Vehicle Speed Input


Object Number: 606792  Size: FS
Figure 2:

CTD: BCM, Horn Relay, and Security Indicator Controls


Object Number: 606802  Size: FS
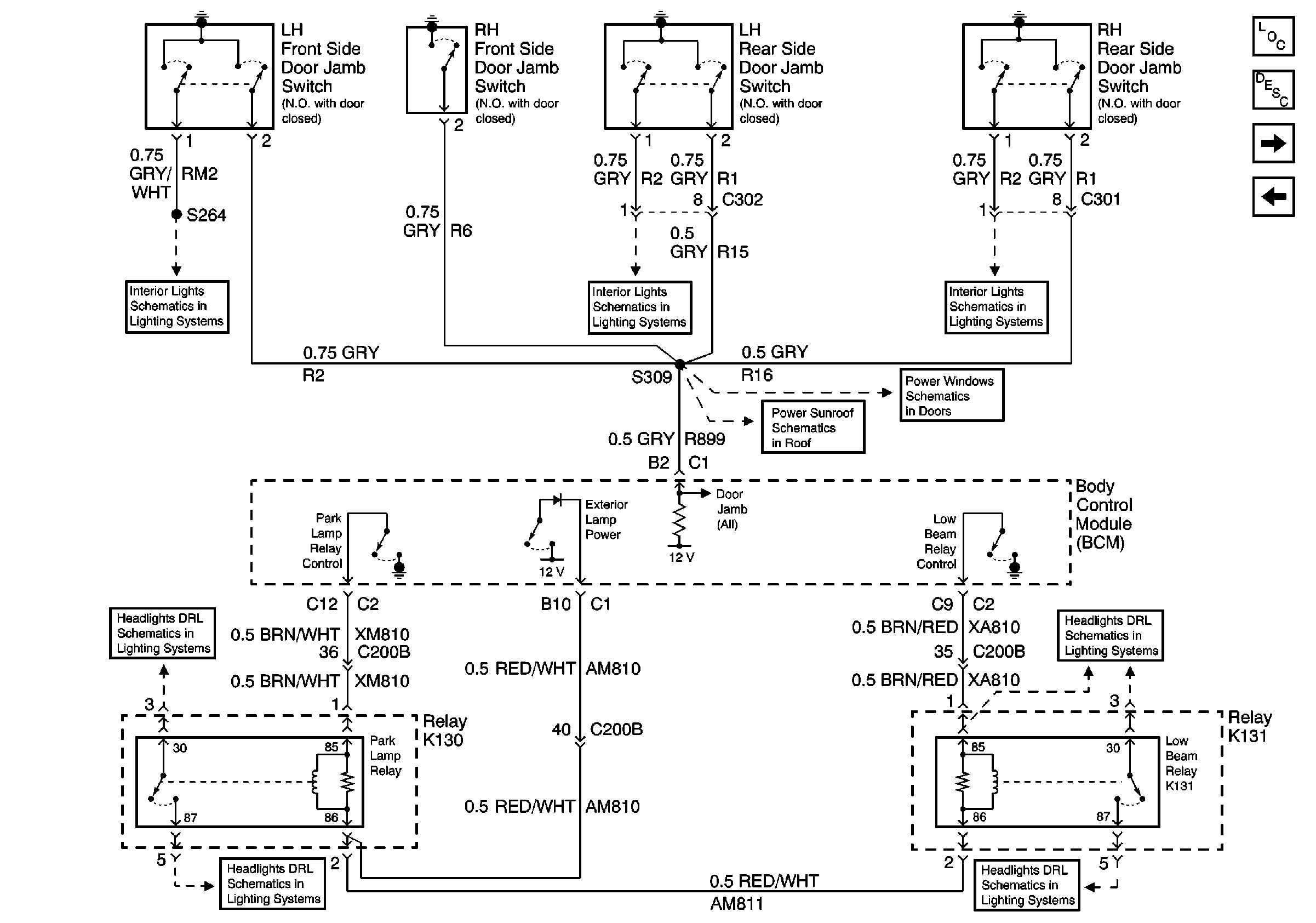
Figure 3:

CTD: BCM, Door Jamb Switches, Low Beam and Park Lamp Relay Controls


Object Number: 606812  Size: FS
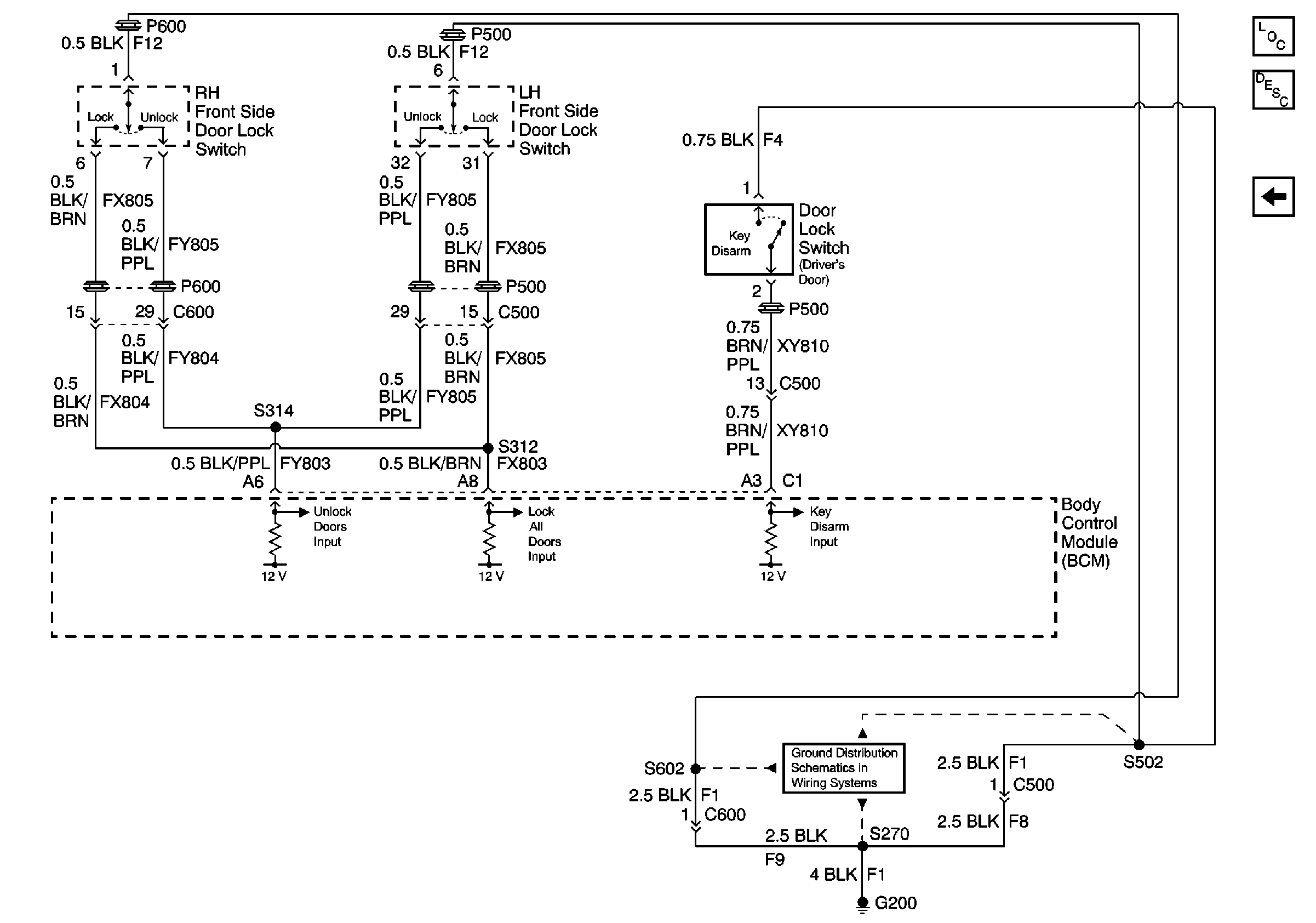
Figure 4:

CTD: BCM, Key Disarm Switch Input and Door Lock Switches


Object Number: 606815  Size: FS