GM Service Manual Online
For 1990-2009 cars only
Makes
🢒
Cadillac
🢒
2000
🢒
Catera
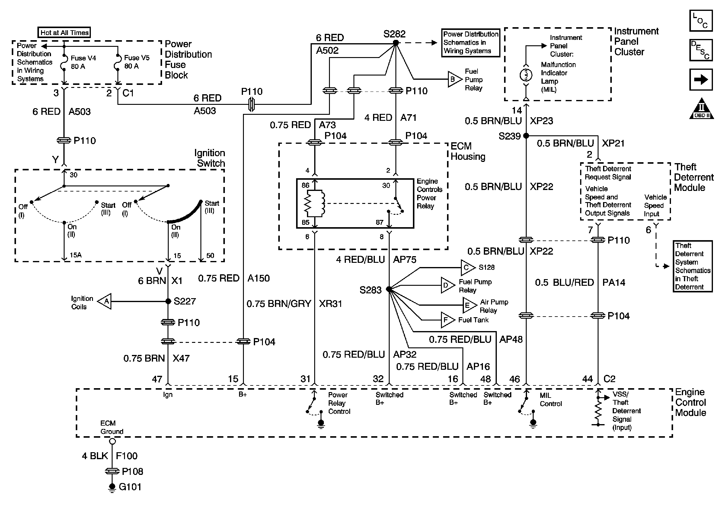
🢒 Power, Ground, VSS, and MIL
Power, Ground, VSS, and MIL
Power, Ground, VSS, and MIL
Master Electrical Component List
Serial Data CAN Interface
Engine Controls Schematic Icons
Power Distribution Schematics
Theft Deterrent System Schematics
Power Distribution Schematics