GM Service Manual Online
For 1990-2009 cars only
Makes
🢒
Cadillac
🢒
2000
🢒
Catera
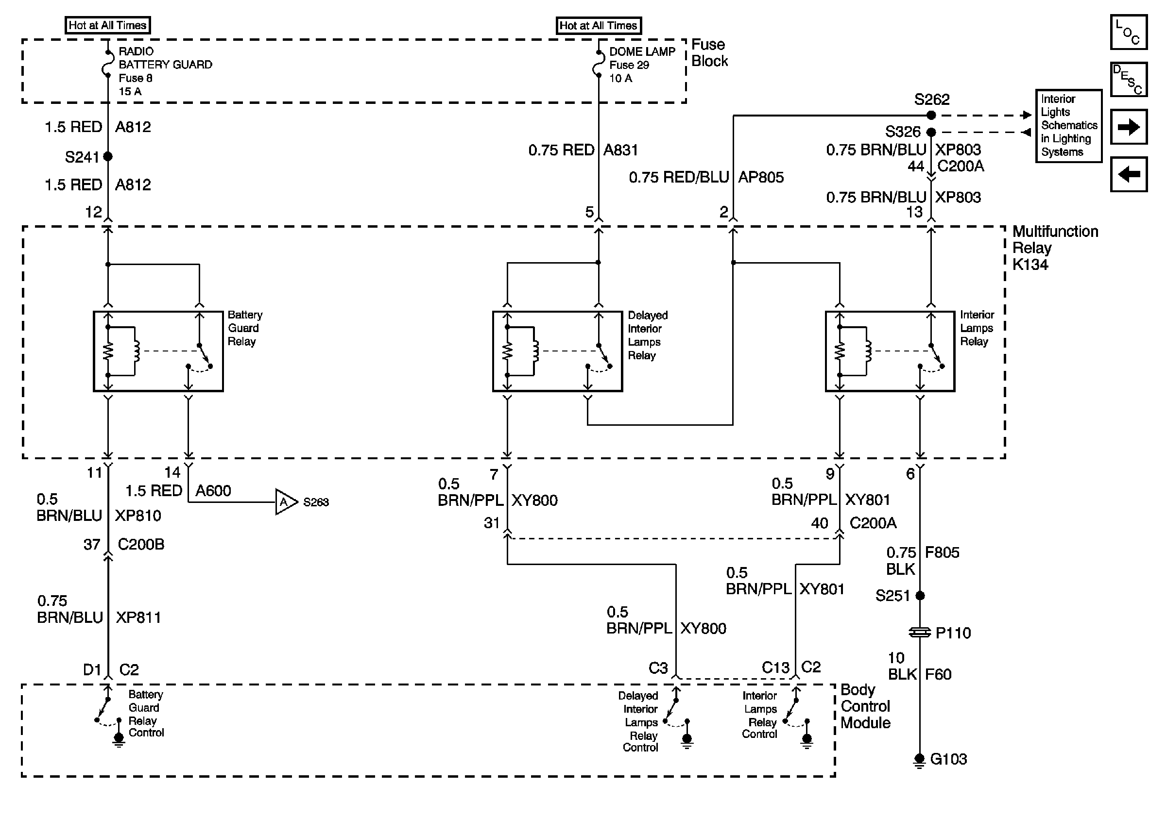
🢒 Multifunction Relay K134
Multifunction Relay K134
Multifunction Relay K134