GM Service Manual Online
For 1990-2009 cars only
Makes
🢒
Cadillac
🢒
2000
🢒
Catera
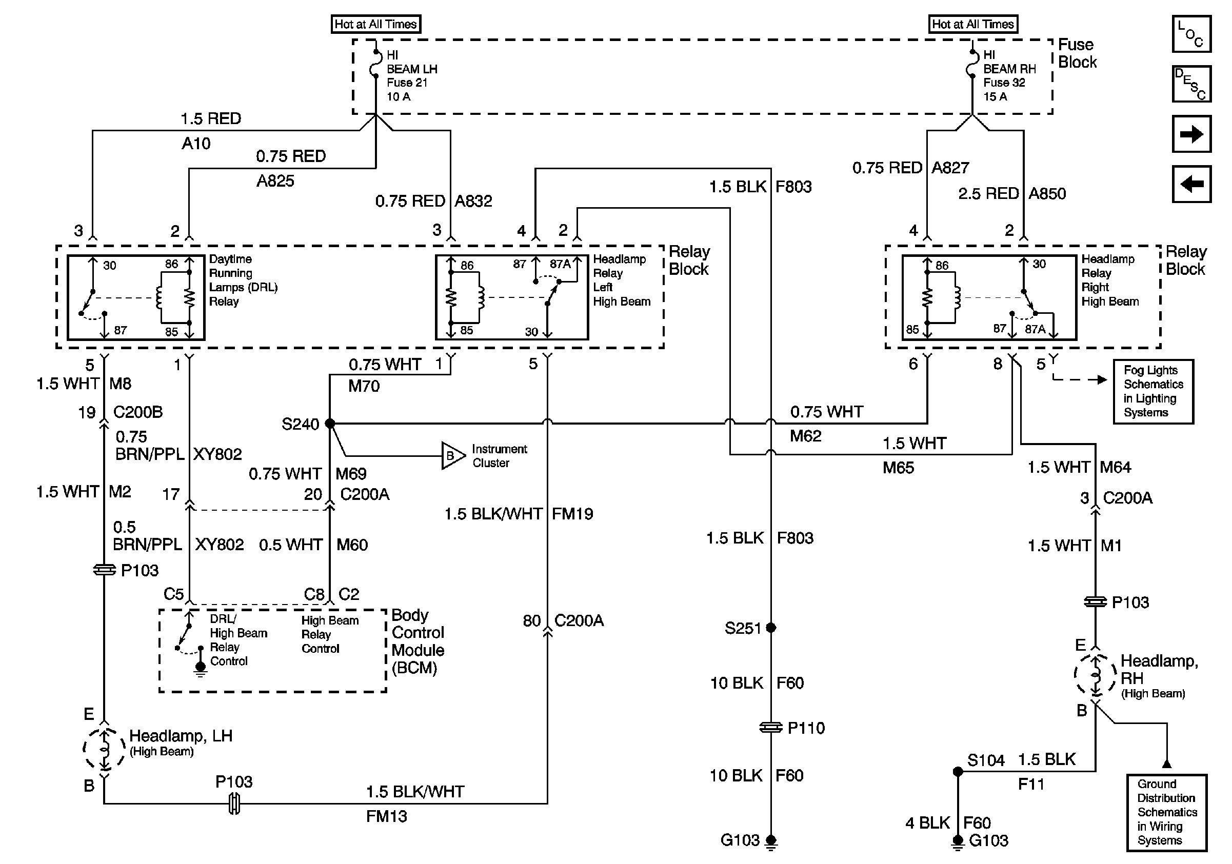
🢒 DRL Relay K133, LH High Beam Relay K73, and RH High Beam Relay K132
DRL Relay K133, LH High Beam Relay K73, and RH High Beam Relay K132
DRL Relay K133, LH High Beam Relay K73, and RH High Beam Relay K132