GM Service Manual Online
For 1990-2009 cars only
Makes
🢒
Cadillac
🢒
2000
🢒
Catera
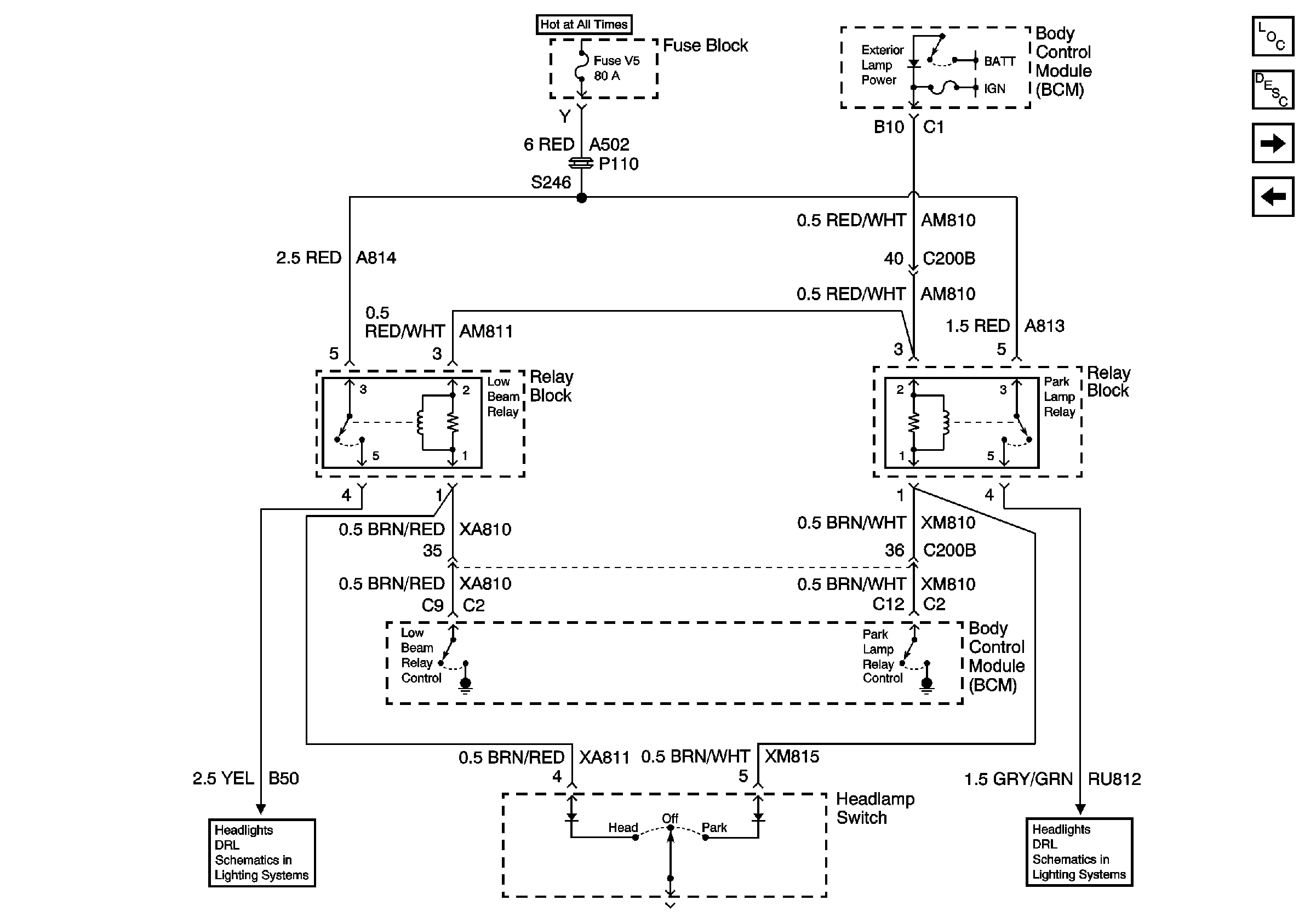
🢒 Low Beam Relay K131 and Park Lamp Relay K130
Low Beam Relay K131 and Park Lamp Relay K130
Low Beam Relay K131 and Park Lamp Relay K130