GM Service Manual Online
For 1990-2009 cars only

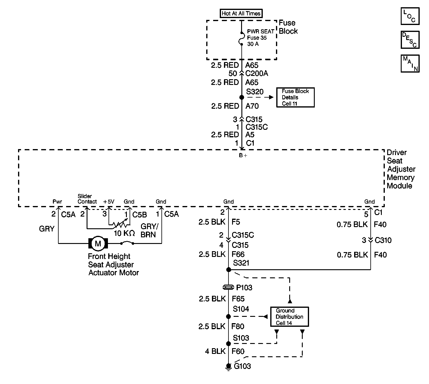
Object Number: 382485  Size: LF
Power Seat Systems Components
Memory Seat Circuit Description
Memory Seats Schematics

Circuit Description

The memory seat module controls the driver seat front vertical adjuster motor by providing voltage and ground to the adjuster motor supply circuits. The direction of seat adjustment is determined by the polarity of the adjuster motor supply circuits. The memory seat module uses position sensors for storing and recalling memory seat position settings. The position sensor is an internal part of the front vertical adjuster motor. The memory seat module provides a 5 volt reference and low reference to the front vertical position sensor, and monitors the front vertical position sensor signal circuit which varies from 0 to 5 volts depending on the seat position.

Conditions for Setting the DTC

DTC 16 will set if:

    • The front vertical adjuster motor position sensor signal voltage is not within 0.1 to 4.9 volts.
    • The front vertical adjuster motor is open or shorted.
    • The memory seat module is faulty.

Action Taken When the DTC Sets

DTC 16 will set, and the seat front vertical adjuster motor memory functions will be disabled.

Conditions for Clearing the DTC

DTC 16 will be stored as a history code when the fault is no longer present.

Diagnostic Aids

    • Inspect for mechanical conditions which may prevent the front vertical adjuster motor from operating properly.
    • Inspect the connectors at the memory seat module for damage or poor terminal connections.

Test Description

The following numbers refer to the step numbers on the diagnostic table:

  1. This step determines if the DTC is the result of an adjuster motor malfunction.

Step

Action

Value(s)

Yes

No

1

Did you perform the Power Seat Diagnostic System Check?

--

Go to Step 2

Go to Diagnostic System Check - Power Seat Systems

2

Attempt to operate the front vertical adjuster motor.

Does the fornt of the seat move up and down?

--

Go to Step 3

Go to Step 7

3

  1. Install a scan tool and display the memory seat module data list.
  2. Observe the front height position voltage.
  3. Operate the front vertical adjuster motor through the full range of adjustment.

Does the voltage remain within the specified values?

0.1-4.9 V

Go to Testing for Intermittent Conditions and Poor Connections in Wiring Systems

Go to Step 4

4

  1. Disconnect the front vertical adjuster motor and position sensor connectors at the memory seat module.
  2. Measure the resistance through the position sensor from the 5 volt reference circuit terminal to the low reference circuit terminal. Refer to Circuit Testing in Wiring Systems.

Is the resistance within the specified values?

8K-12K ohms

Go to Step 5

Go to Step 6

5

Measure the resistance through the position sensor from the 5 volt reference circuit terminal to the signal circuit terminal. Refer to Circuit Testing in Wiring Systems.

Is the resistance within the specified values?

1K-10K ohms

Go to Step 10

Go to Step 6

6

Inspect and repair any damage to the position sensor circuits and connector terminals. Refer to Wiring Repairs and Connector Repairs in Wiring Systems.

Did you find and correct the condition?

--

Go to Step 11

Go to Step 9

7

  1. Disconnect the front vertical adjuster motor and position sensor connectors at the memory seat module.
  2. Connect fused jumper wires from battery positive voltage and ground to the front vertical adjuster motor supply circuit terminals.
  3. Alternate battery positive voltage and ground between the connector terminals in order to verify that the motor operates properly in both directions.

Does the motor operate properly in both directions?

--

Go to Step 10

Go to Step 8

8

Inspect and repair any damage to the adjuster motor supply circuits and connector terminals. Refer to Wiring Repairs and Connector Repairs in Wiring Systems.

Did you find and correct the condition?

--

Go to Step 11

Go to Step 9

9

Replace the front vertical adjuster motor. Refer to Seat Adjuster Front Vertical Actuator and Rear Vertical Actuator Replacement .

Is the repair complete?

--

Go to Step 11

--

10

Replace and program the memory seat module. Refer to Memory Seat Control Module Replacement and Memory Seat Control Module Programming .

Is the repair complete?

--

Go to Step 11

--

11

  1. Use the scan tool in order to clear the DTCs.
  2. Operate the system in order to verify the repair.

Does the DTC reset?

--

Go to Step 2

System OK