GM Service Manual Online
For 1990-2009 cars only

Circuit Description

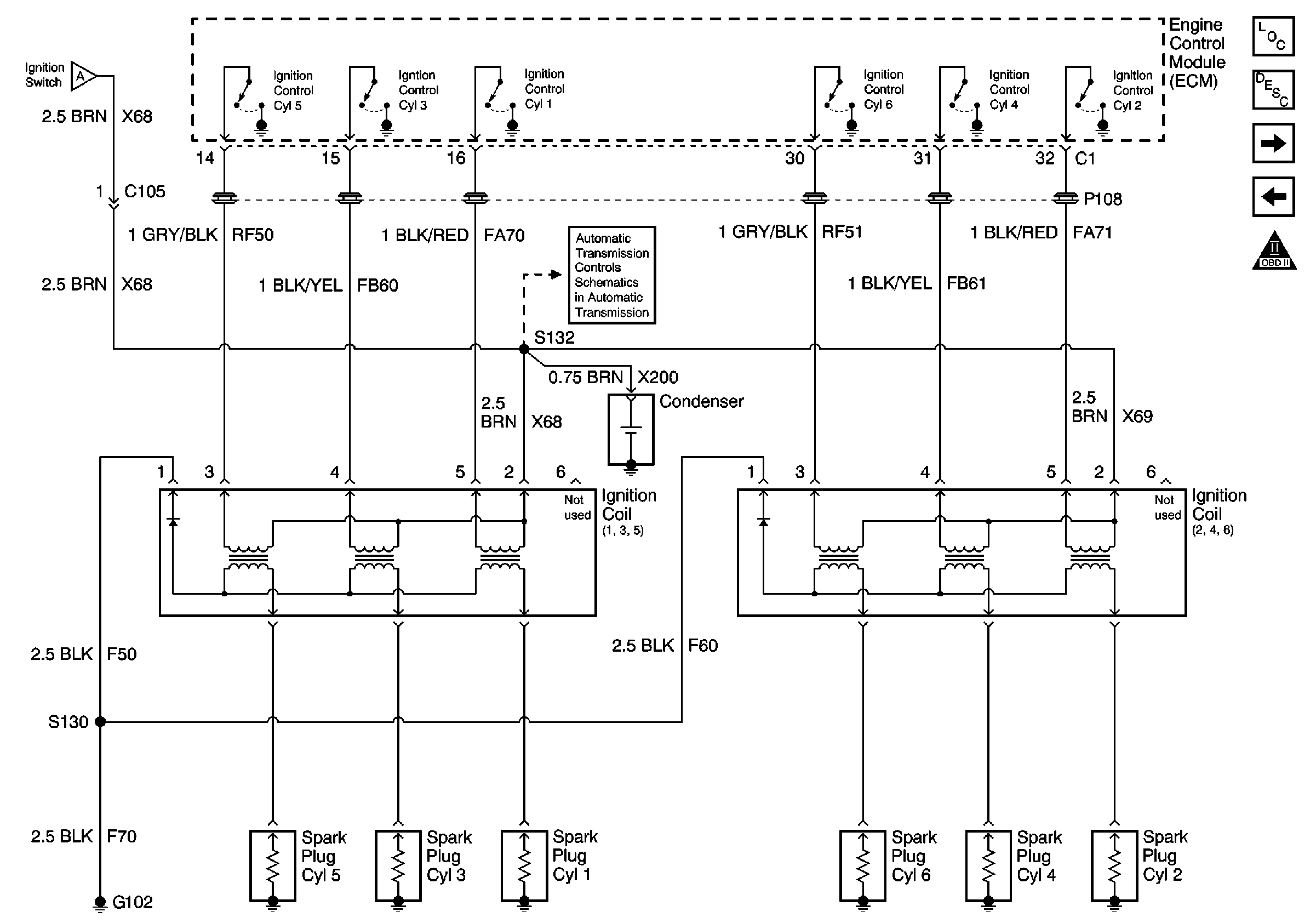
The Catera 3.0L V6 is equipped with a distributorless ignition system. The ignition system consists of two coil packs, a crankshaft position sensor, and the engine control module (ECM). The ECM performs all of the ignition control module functions. The ignition coil assembly is powered by an ignition feed circuit and also contains a dedicated ground circuit. The remaining three circuits go to the ECM and are the ignition control (IC) circuits. The ECM causes a spark to occur by pulsing an IC circuit, which triggers an ignition coil, and fires the appropriate spark plug. The ECM controls the sequencing and the timing.

Diagnostic Aids

    • Use the J 35616 Connector Test Adapter Kit for any test that requires probing the ECM harness connector or a component harness connector.
    • Remove the coil pack and inspect for any signs of water intrusion or contamination. Locate the source of water or contamination and repair as necessary.
    • If an ignition misfire is suspected, perform the following procedure:
        1. Remove the coil pack.
        2. Install the spark tester into the suspected coil.
        3. Reconnect the electrical connector.
        4. Connect a test lamp to ground.
        5. Turn ON the ignition, with the engine OFF.
        6. Using the scan tool, operate the suspected coil.
        7. While the coil is operating, move the tip of the test lamp around the base, tower, and boot of the suspected coil. Any secondary ignition leakage will arc to the test lamp.
        8. Replace the ignition coil pack if any secondary leakage is found.

Test Description

The numbers below refer to the step numbers on the diagnostic table.

  1. The spark tester should show steady, consistent spark across the tip of the spark tester when using the scan tool to operate the coil.

  2. This checks the diode in the secondary side of the coil and the continuity of the ground circuit inside the coil. You should be able to read continuity in one direction only.

  3. This step is to verify the operation of the ignition coil control circuit and the driver in the ECM.

  4. Recheck the system for multiple problems that may be related, for example, fouled spark plugs caused by the fuel system compensating for a misfiring cylinder.

Step

Action

Values

Yes

No

Schematic Reference:

Ignition System


Object Number: 576163  Size: FS
Master Electrical Component List
Fuel Controls
Serial Data CAN Interface
Automatic Transmission Controls Schematics

1

Did you perform the Diagnostic System Check-Engine Controls?

--

Go to Step 2

Go to Diagnostic System Check - Engine Controls

2

  1. Turn OFF the ignition.
  2. Disconnect the electrical connector for the affected coil pack (if known).
  3. Use a test lamp connected to B+ in order to probe the ground circuit pin 1 in the harness.
  4. Repeat step 3 for the other bank if necessary.

Does the test lamp illuminate?

--

Go to Step 3

Go to Step 12

3

  1. Turn ON the ignition.
  2. Use the test lamp connected to ground in order to probe the ignition feed circuit pin 2.
  3. Perform the above steps for the other bank, if necessary.

Does the test lamp illuminate?

--

Go to Step 4

Go to Step 13

4

  1. Turn OFF the ignition.
  2. Remove the affected coil pack from the engine.
  3. Reconnect the coil pack electrical connector.
  4. Disconnect the fuel injector harness multi-connector.
  5. Install a J 26792 Spark Tester into one coil or the affected coil of the cylinder, if known.
  6. Connect a scan tool.
  7. Turn ON the ignition, with the engine OFF.
  8. Use the scan tool in order to operate the affected ignition coil.
  9. Repeat the above steps for the remaining cylinders.

Does the spark plug tester show spark on all cylinders?

--

Go to Step 5

Go to Step 8

5

  1. Turn OFF the ignition.
  2. Remove the coil pack.
  3. Set a DMM to the diode test function.
  4. Probe pin 1 of the coil pack with the black test lead and the inside of the spark plug boot with the red test lead.
  5. Repeat this test on the remaining coils.
  6. Reverse the test leads and repeat the test.

Does the DMM show continuity on the first test and infinite resistance on the second test?

--

Go to Step 6

Go to Step 14

6

  1. Set the DMM set to measure resistance.
  2. Connect one lead of the DMM to pin 2 of the coil pack.
  3. Probe the following pins on the coil pack with the other lead:
  4. • Pin 3
    • Pin 4
    • Pin 5

Is the resistance within the specified range?

0.38-0.86 ohms

Go to Step 7

Go to Step 14

7

Inspect the spark plugs for the proper gap or any signs of damage. Refer to Spark Plug Inspection .

Did you find a condition?

--

Go to Step 18

Go to Diagnostic Aids

8

  1. Turn OFF the ignition.
  2. Disconnect the coil pack electrical connector on the affected coil.
  3. Important: DO NOT substitute a standard test lamp for the injector test lamp. The impedance of the injector test lamp is close to that of the ignition coil. The use of a standard test lamp may produce inaccurate results.

  4. Use test adapter leads in order to connect the J 34730-2C Injector Test Lamp between the supply voltage circuit and the control circuit of the affected cylinder.
  5. Turn ON the ignition.

Does the injector test lamp illuminate?

--

Go to Step 10

Go to Step 9

9

Use the scan tool output control function in order to enable the coil for the affected cylinder.

Does the injector test lamp flash ON and OFF?

--

Go to Step 14

Go to Step 11

10

  1. Turn OFF the ignition.
  2. Disconnect the ECM electrical connector C1.
  3. Turn ON the ignition .

Does the injector test lamp turn OFF?

--

Go to Step 16

Go to Step 15

11

  1. Test the affected control circuit for an open or a short to voltage.
  2. Repair the circuit as necessary. Refer to Wiring Repairs in Wiring Systems.

Did you find and correct the condition?

--

Go to Step 19

Go to Step 16

12

Repair the open in the ground circuit. Refer to Wiring Repairs in Wiring Systems.

Did you complete the repair?

--

Go to Step 19

--

13

Repair the open or short in the ignition feed circuit. Refer to Wiring Repairs in Wiring Systems.

Did you complete the repair?

--

Go to Step 19

--

14

Replace the coil pack. Refer to Ignition Coil Replacement - Bank 1 or Ignition Coil Replacement - Bank 2 .

Did you complete the replacement?

--

Go to Step 19

--

15

Important: A short to ground on a coil control circuit may damage the ignition coil. Test the operation of the ignition coil after completing the circuit repair. Refer to the test procedure in Diagnostic Aids.

Repair the short to ground in the control circuit. Refer to Wiring Repairs in Wiring Systems.

Did you complete the repair?

--

Go to Step 19

--

16

  1. Inspect for a faulty connection or faulty terminal tension at the ECM harness connector. Refer to Testing for Intermittent Conditions and Poor Connections .
  2. Repair as necessary. Refer to Connector Repairs in Wiring Systems.

Did you find and correct the condition?

--

Go to Step 19

Go to Step 17

17

Important: 

   • Perform the idle learn procedure when replacing the ECM or the throttle body.
   • This vehicle is equipped with a theft deterrent system which interfaces with the ECM. Program the new ECM with the frequency code of the theft deterrent module that is currently on the vehicle.

Replace the ECM. Refer to Engine Control Module Replacement .

Did you complete the action?

--

Go to Step 19

--

18

Replace the spark plugs as necessary. Refer to Spark Plug Replacement .

Did you complete the replacement?

--

Go to Step 19

--

19

  1. Allow the engine to idle until the normal operating temperature is reached.
  2. Using the scan tool, check for any DTCs.

Are there any DTCs displayed?

--

Go to Diagnostic Trouble Code (DTC) List

System OK