GM Service Manual Online
For 1990-2009 cars only

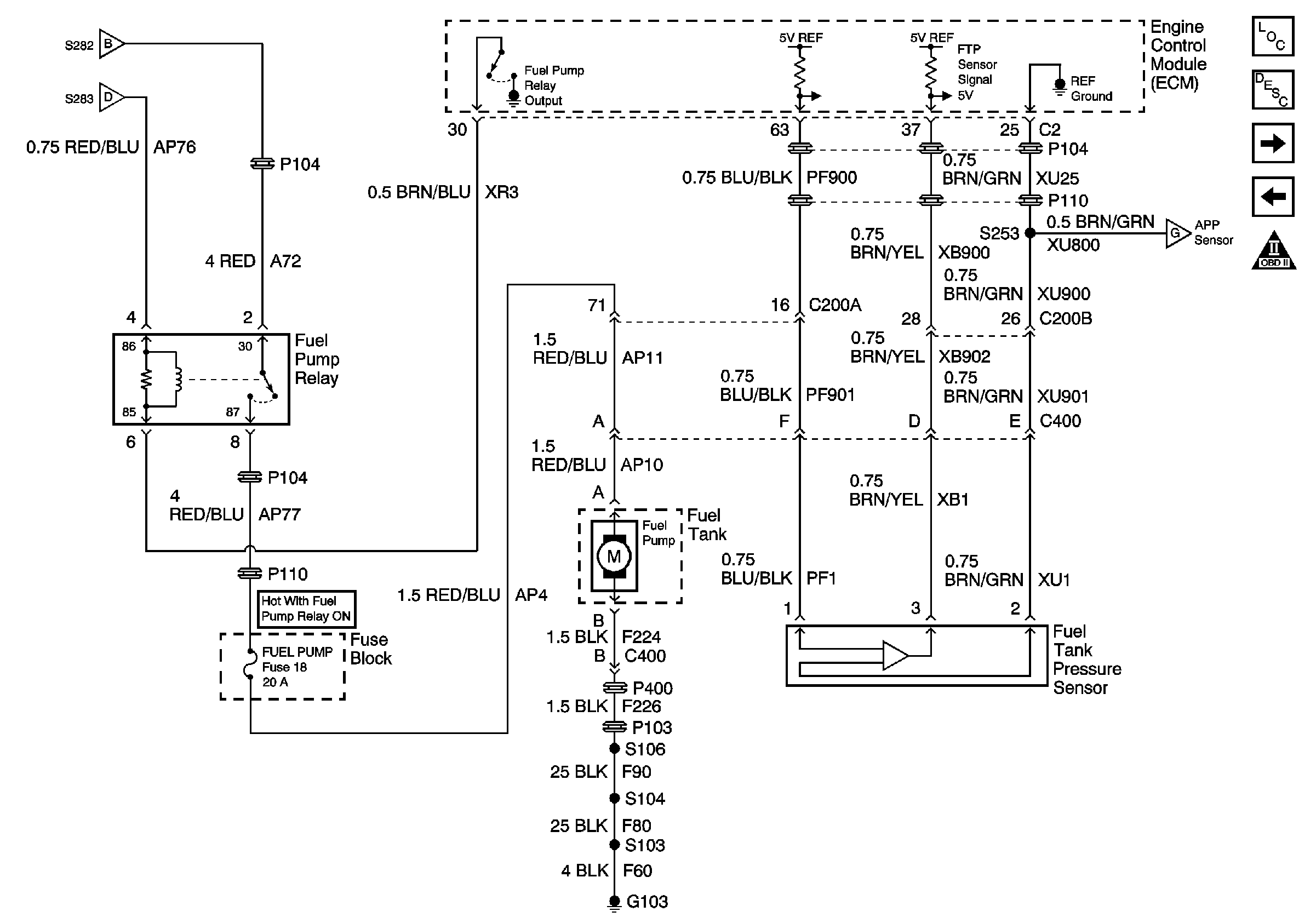
Circuit Description

The fuel pump relay coil is powered by switched battery voltage from the engine controls power relay. The engine control module (ECM) controls the relay by grounding the control circuit using an internal solid state device called a driver. When the ECM detects reference pulses from the crankshaft position (CKP) sensor, the ECM will enable the fuel pump. The switch side of the relay is connected directly to battery positive voltage. The relay controls the power to the fuel pump fuse and the fuel pump.

Diagnostic Aids

Use the J 35616 Connector Test Adapter Kit for any test that requires probing the ECM harness connector or a component harness connector.

If the fuel pump continues to run with the ignition ON and the engine OFF, test the fuel pump relay control circuit for a short to ground.

Ensure that the CKP sensor is functioning properly. The fuel pump relay will not turn ON if it is not receiving CKP reference pulses.

Test Description

The numbers below refer to the step numbers on the diagnostic table.

  1. Do not use this table unless you were sent here from other diagnostic service information. There are important steps that must be performed prior to using this diagnostic table.

  2. This step checks for DTC P0230. DTC P0230 will detect any circuit faults on the fuel pump relay control circuit.

  3. The fuel pump jumper harness connector is accessible without lowering the fuel tank. The fuel pump circuits can be tested for operation up to this point of the vehicle harness.

  4. Proper fuel pump circuit operation has been observed up to the fuel pump jumper harness. The fuel tank will have to be lowered in order to continue testing.

Step

Action

Values

Yes

No

Schematic Reference:

Fuel Controls


Object Number: 556689  Size: FS
Master Electrical Component List
Engine Data Sensors
Ignition System
Ground Distribution Schematics

1

Did you perform the Diagnostic System Check-Engine Controls?

--

Go to Step 2

Go to Diagnostic System Check - Engine Controls

2

  1. Install a scan tool.
  2. Crank the engine for several seconds.
  3. Inspect for DTC P0230.

Is DTC P0230 set?

--

Go to DTC P0230

Go to Step 3

3

Use the test lamp connected to a ground and probe terminal 2 of the relay harness.

Does the test lamp illuminate?

--

Go to Step 4

Go to Step 12

4

  1. Ensure the fuel pump relay is installed.
  2. Turn ON the ignition.
  3. Use the test lamp connected to a ground and probe terminal 8 of the relay harness.
  4. Turn the fuel pump relay ON and OFF using the scan tool.

Does the test lamp turn ON and OFF?

--

Go to Step 5

Go to Step 14

5

Inspect the fuel pump fuse.

Is the fuse open?

--

Go to Step 11

Go to Step 6

6

  1. Install the fuel pump fuse.
  2. Turn ON the ignition.
  3. Turn the fuel pump relay ON using the scan tool.
  4. Use the test lamp connected to a ground and probe both of the fuse test points.

Does the test lamp illuminate at both fuse test points?

--

Go to Step 7

Go to Step 12

7

  1. Turn OFF the ignition.
  2. Disconnect the fuel pump harness jumper connector.
  3. Probe the fuel pump B+ circuit at the fuel pump connector using the test lamp connected to a known good ground. DO NOT use the fuel pump ground circuit terminal.
  4. Turn ON the ignition.
  5. Turn the fuel pump relay ON using the scan tool.

Does the test lamp illuminate?

--

Go to Step 8

Go to Step 12

8

  1. Connect the test lamp between the fuel pump B+ circuit terminal and the fuel pump ground circuit terminal at the fuel pump jumper harness connector.
  2. Turn the fuel pump relay ON using the scan tool.

Does the test lamp illuminate?

--

Go to Step 9

Go to Step 13

9

  1. Inspect for the following conditions:
  2. • Poor connections or terminal tension at the fuel pump connector--Refer to Testing for Intermittent Conditions and Poor Connections in Wiring Systems
    • Proper fuel pump B+ and ground circuit continuity between the fuel pump connector at the tank and the fuel pump jumper harness connector
  3. Repair the connections or wiring as necessary. Refer to Connector Repairs and Wiring Repairs in Wiring Systems.

Did you find and correct the condition?

--

Go to Step 16

Go to Step 10

10

  1. Ensure all wiring connectors and fuel lines are connected.
  2. Turn ON the ignition.
  3. Turn the fuel pump relay ON using the scan tool.
  4. Listen for audible fuel pump operation or inspect for proper fuel pressure. Refer to Fuel System Diagnosis .

Is proper fuel pump operation observed?

--

Go to Step 16

Go to Step 15

11

Locate and repair the cause of the blown fuel pump fuse. Possible causes include a shorted to ground fuel pump B+ circuit between the fuel pump fuse and the fuel pump or an internally shorted fuel pump. Refer to Wiring Repairs in Wiring Systems.

Did you complete the action?

--

Go to Step 16

--

12

Repair the open in the fuel pump B+ circuit. Refer to Wiring Repairs in Wiring systems.

Did you complete the repair?

--

Go to Step 16

--

13

Repair the open in the fuel pump ground circuit. Refer to Wiring Repairs in Wiring Systems.

Did you complete the repair?

--

Go to Step 16

--

14

Replace the fuel pump relay.

Did you complete the replacement?

--

Go to Step 16

--

15

Replace the fuel pump. Refer to Fuel Sender Assembly Replacement .

Did you complete the replacement?

--

Go to Step 16

--

16

  1. Select DTC, Clear Info with the scan tool.
  2. Attempt to start the engine.

Does the engine start and continue to run?

--

Go to Step 17

Go to Diagnostic System Check - Engine Controls

17

  1. Allow the engine to idle until the engine reaches normal operating temperature.
  2. Use the scan tool in order to check for any DTCs.

Are any DTCs displayed?

--

Go to Diagnostic Trouble Code (DTC) List

System OK