GM Service Manual Online
For 1990-2009 cars only
Makes
🢒
Cadillac
🢒
2001
🢒
Catera
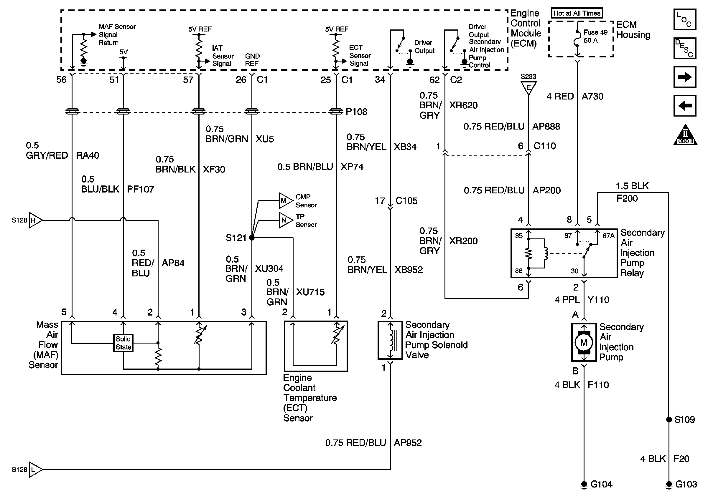
🢒 Air Injection Pump, Air Injection Pump Relay K12, MAF and ECT Sensors
Air Injection Pump, Air Injection Pump Relay K12, MAF and ECT Sensors
Air Injection Pump, Air Injection Pump Relay K12, MAF and ECT Sensors
Master Electrical Component List
Secondary Air Injection System Description
Heated Oxygen Sensors
Fuel Injectors
Ground Distribution Schematics