GM Service Manual Online
For 1990-2009 cars only
Makes
🢒
Cadillac
🢒
2001
🢒
Catera
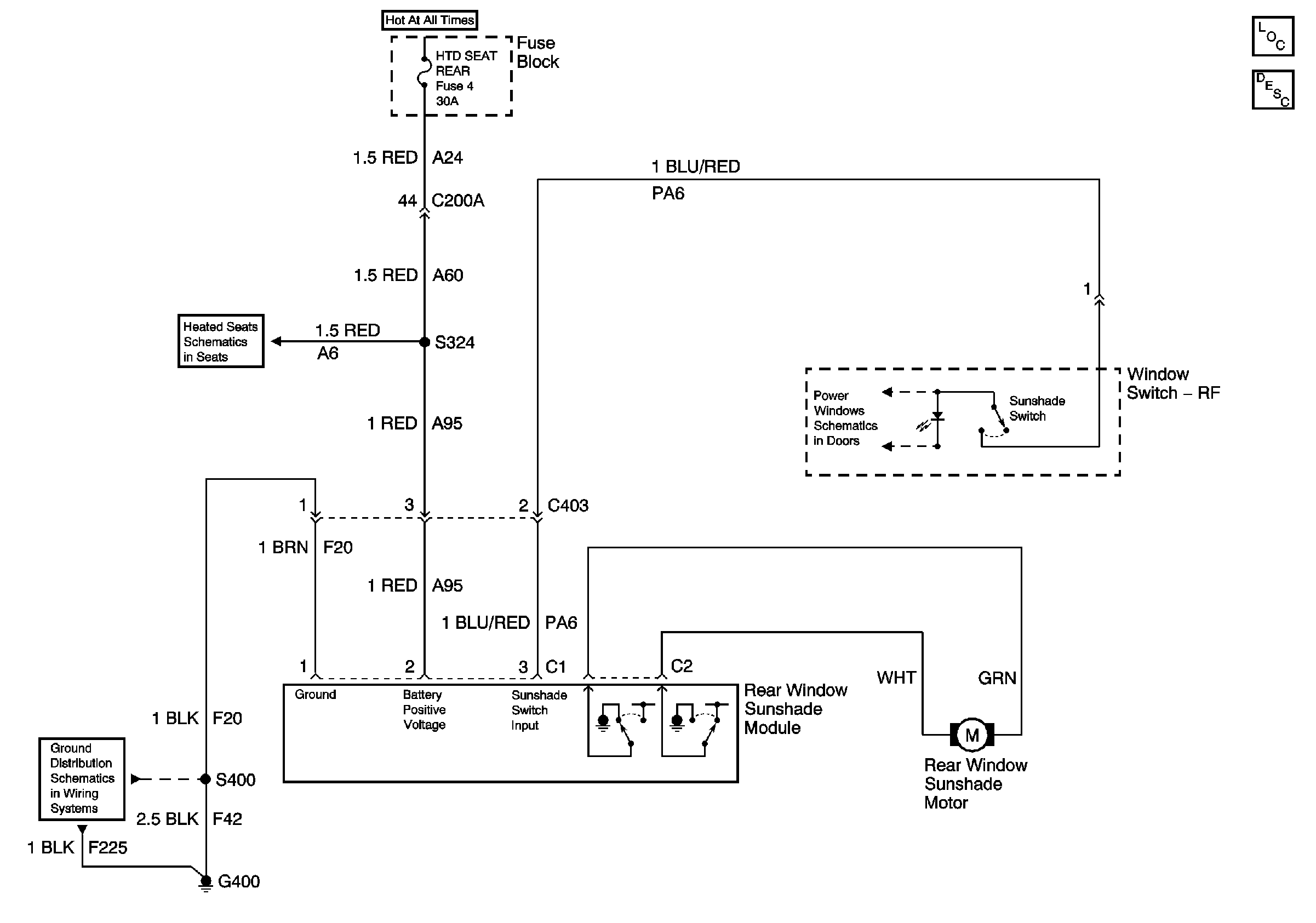
🢒 Rear Sunshade Schematic
Rear Sunshade Schematic
Rear Sunshade System