GM Service Manual Online
For 1990-2009 cars only

Electric Cooling Fan Diagnosis Symptom Tables

Electric Cooling Fan Diagnosis Functional Check

Table 1: Fan Relay Operation Matrix

Refer to

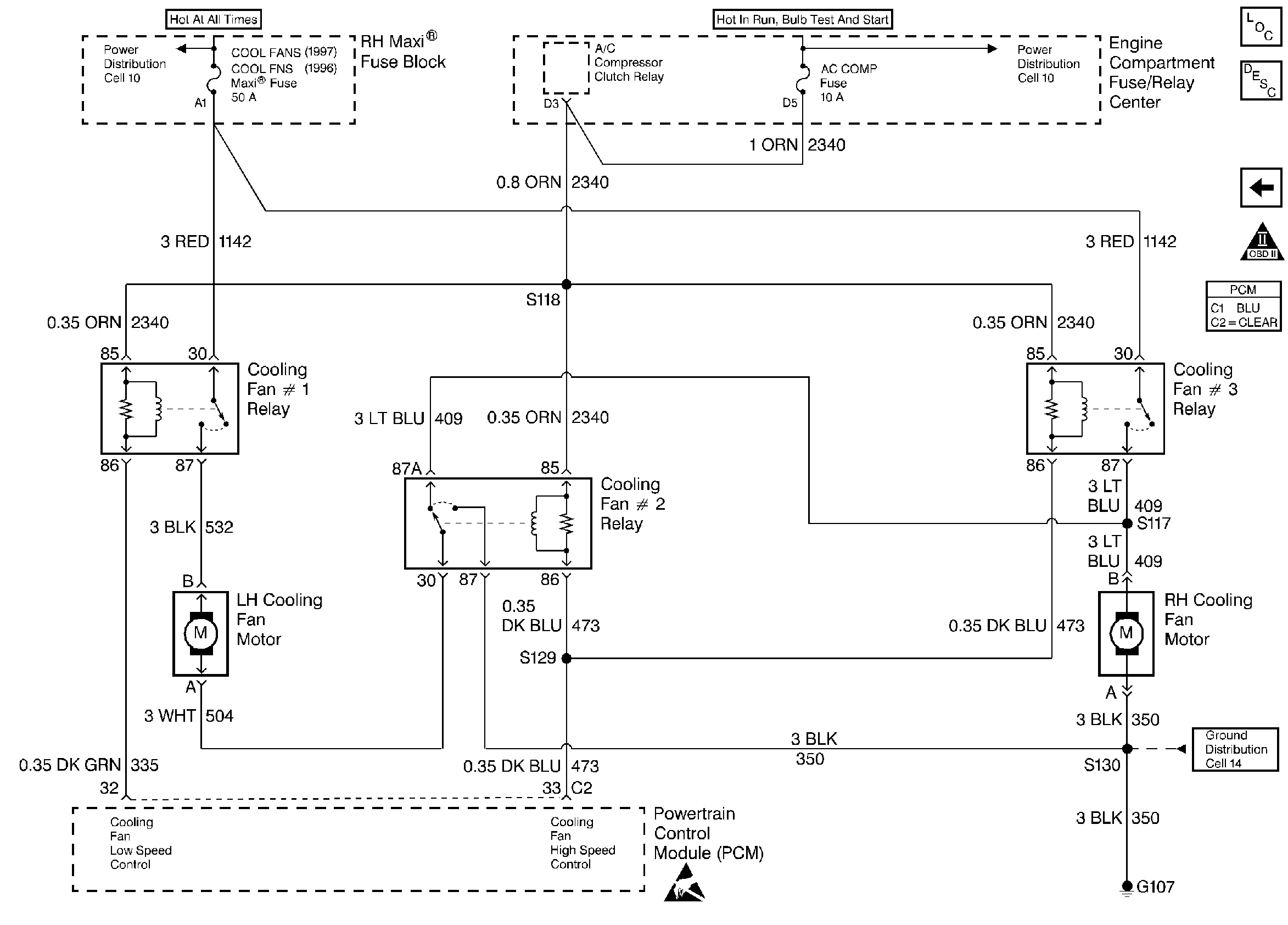
Cooling Fans/ Relays


Object Number: 16045  Size: FS
Engine Controls Components
EBTCM/ Generator/ A/C Relay/ RSS
OBD II Symbol Description Notice
ESD Notice
for wiring view.

Circuit Description

To determine if a fault is present perform the Cooling Fan Functional Check. If DTC P1660 is set, or sets during the functional check, it must be diagnosed before proceeding with any of the symptom tables. When the PCM commands low speed fan operation it grounds Cooling Fan Relay 1 which allows current to flow through both cooling fans in a series circuit to ground. If the PCM commands high speed fan operation it grounds all the cooling fan relays, including Fan Relay 1, which changes the circuit to a parallel circuit to ground. If a fault occurs certain symptoms will occur due to the series/parallel circuit design.

The PCM will command fan operation when:

    •  Low Speed Fan Operation
       -  Engine coolant temperature exceeds approximately 106°C (229°F).
       -  Transmission fluid temperature exceeds 150°C (302°F).
       -  A/C operation is requested.
       -  After the vehicle is shut OFF if the coolant temperature at key-off is more than 151°C (304°F) and system voltage was more than 12 volts. The fans will stay ON for approximately 3 minutes.

The fans will switch from low to OFF when the coolant drops below 102°C (216°F).

    •  High Speed Fan Operation
       -  Engine coolant temperature reaches 112°C (234°F).
       -  Transmission temperature is more than 151°C (304°F).
       -  When certain DTCs set.

The fans will switch from high to low (except DTCs set) when the coolant drops below 106°C (229°F).

Diagnostic Aids

    •  If the cooling fans operate when commanded OFF and DTC P1660 is not set either a cooling fan relay is stuck ON or a cooling fan circuit is shorted to power.
    •  Whenever a repair is completed repeat the Cooling Fan Functional Check. This will help diagnose possible multiple failures, for example: two water contaminated relays.

Fan Relay Operation Matrix

Operational Mode

OFF

LOW FANS

HIGH FANS

Low Speed Cooling Fan Relay (#1)

De-Energized

Energized

Energized

Series/ Parallel Cooling Fan Relay (#2)

De-Energized

De-Energized

Energized

High Speed Cooling Fan (#3)

De-Energized

De-Energized

Energized

*The Series/Parallel Cooling Fan Relay is a dual position switch and while de-energized, supplies a ground path for the low speed fan circuit.

Test Description

Number(s) below refer to the step number(s) on the Functional Table.

  1. The Powertrain OBD System Check must be performed first so that mis-diagnosis is avoided, due to the PCM commanding the fans ON due to a DTC set, etc.

  2. Checking to see if there is a fault on the cooling fan relay control circuits.

  3. Checking to see if any A/C DTCs will set. If A/C DTCs set they must be diagnosed before proceeding with the Cooling Fan Functional Check.

  4. Commanding fans ON in sequence to determine the symptom (fault-if any) present.

Step

Action

Value(s)

Yes

No

1

Was the Powertrain On-Board Diagnostic (OBD) System Check performed?

--

Go to Step 2

Go to A Powertrain On Board Diagnostic (OBD) System Check

2

  1. Ensure the engine coolant temperature is between the values specified.
  2. Turn HVAC controls to OFF.
  3. Start and idle the engine.
  4. Using the scan tool select Output Tests and while viewing the Quad Driver 1 display, command All Relays OFF for approximately 15 seconds.
  5. Using the scan tool select Output Tests and while viewing the Quad Driver 1 display, command All Relays ON for approximately 15 seconds.

Did the Quad Driver 1 display indicate a FAULT?

5°C - 100°C (41°F - 212°F)

Go to DTC P1660 Cooling Fan Control Circuits

Go to Step 3

3

With the engine idling turn A/C ON to maximum cooling.

Have any other DTC(s) failed this ignition?

--

Go to DTC(s) that are set

Go to Step 4

4

  1. Turn the key to OFF.
  2. Disconnect PCM connector C2.
  3. Using a test lamp connected to a known good ground probe PCM connector C2 terminals 32 and 33.

Does the test lamp illuminate on both terminals?

--

Go to Step 5

Go to Step 14

5

  1. Reconnect PCM connector C2 (if still disconnected).
  2. Turn the key ON whil e leaving the engine OFF.
  3. Ensure engine coolant temperature is below the value specified.
  4. Observe fan operation while individually commanding Fan Relay 1 ON, then All Relays ON, then All Relays OFF.
  5. • With Fan Relay 1 commanded ON both fans should operate at low speed.
    • With All Relays commanded ON both fans should operate at high speed.
    • With All Relays commanded OFF both fans should not operate (unless the PCM detects a fault or high temperature condition).

Do both cooling fans operate as commanded?

100°C (212°F)

System OK

Go to Step 6

6

Does only Cooling Fan #1 (left) operate with Fan Relay 1 commanded ON then both fans operate when All Relays are commanded ON?

--

Go to Step 7

Go to Step 8

7

Repair CKT 504 shorted to ground.

Is the repair complete?

--

Go to Step 5

--

8

Does neither cooling fan operate with Fan Relay 1 commanded ON then only Cooling Fan #2 (right) operate with All Relays commanded ON?

--

Go to Electric Cooling Fan Diagnosis (Symptom Tables) (Table 1)

Go to Step 9

9

Does neither cooling fan operate with Fan Relay 1 commanded ON then only Cooling Fan #1 (left) operate with All Relays commanded ON?

--

Go to Electric Cooling Fan Diagnosis (Symptom Tables) (Table 2)

Go to Step 10

10

Do both cooling fans operate with Fan Relay 1 commanded ON then only Cooling Fan #2 (right) operate with All Relays commanded ON?

--

Go to Electric Cooling Fan Diagnosis (Symptom Tables) (Table 3)

Go to Step 11

11

Do both cooling fans operate with Fan Relay 1 commanded ON then only Cooling Fan #1 (left) operate with All Relays commanded ON?

--

Go to Electric Cooling Fan Diagnosis (Symptom Tables) (Table 4)

Go to Step 12

12

Does neither cooling fan operate when Fan Relay 1 is commanded ON and also when All Relays are commanded ON?

--

Go to Electric Cooling Fan Diagnosis (Symptom Tables) (Table 5)

Go to Step 13

13

Does either cooling fan operate when All Relays is commanded OFF?

--

Go to Diagnostic Aids

Go to Step 5

14

Repair the cause of no voltage. Possible cause include the following:

    • A blown relay supply fuse
    • An open fan relay
    • An open cooling fan relay control circuit

Is the repair complete?

--

Go to Step 5

--