GM Service Manual Online
For 1990-2009 cars only
Makes
🢒
Cadillac
🢒
1997
🢒
Concours
🢒
Engine
🢒
Engine Cooling
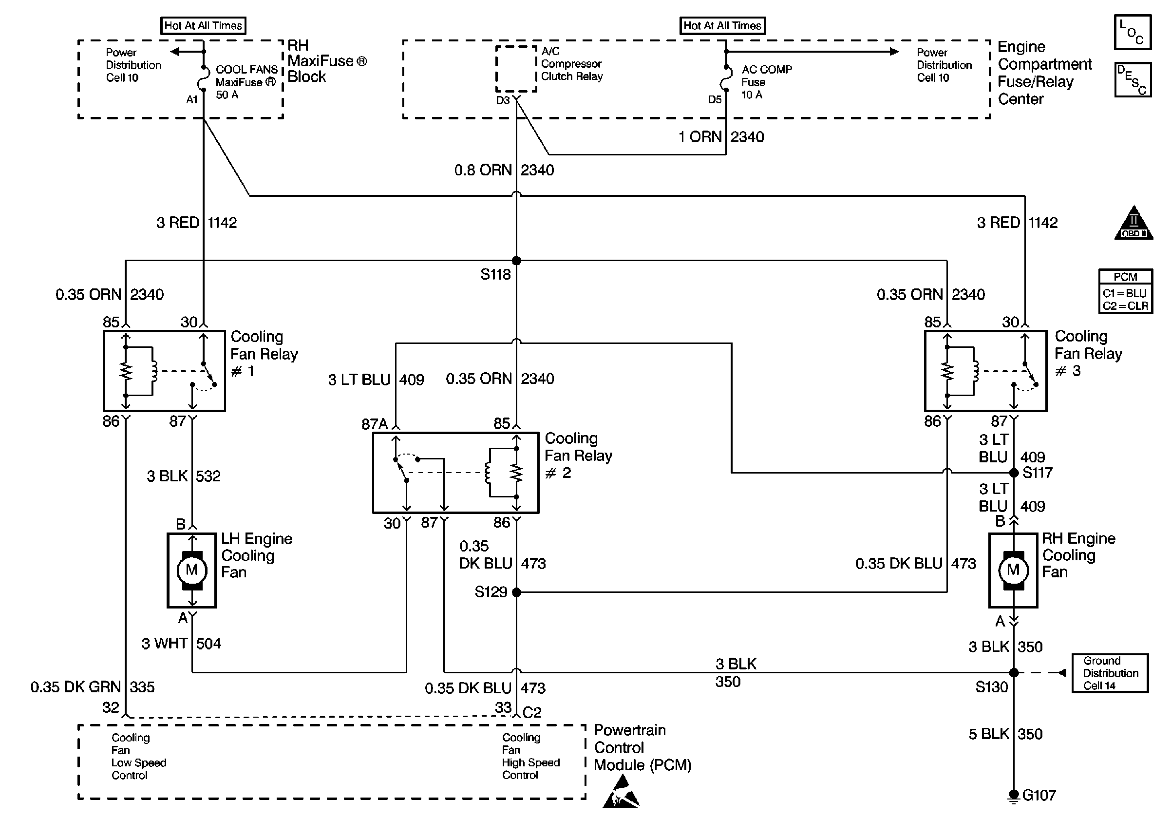
🢒 Cooling Fan Schematics
Cooling System Components
Cooling System Schematic Icons
Cooling System Schematic Icons