GM Service Manual Online
For 1990-2009 cars only

Fuel Metering System Modes of Operation

Modes of Operation

The PCM has several operating modes for fuel control, depending on the information it receives from the sensors.

Starting Mode

When the key is first turned On, the PCM will turn on the fuel pump relay for two seconds. The fuel pump runs and builds up pressure in the fuel system. The PCM then monitors the MAF, IAT, ECT, TP sensors and ICM signal to determine the required injector pulse width for starting.

Clear Flood Mode

If the engine is flooded with fuel during starting and will not start, Clear Flood Mode can be manually selected. To select Clear Flood Mode, push the accelerator to Wide Open Throttle (WOT). With this signal, the PCM will completely turn Off the injectors and will maintain this as long as it sees a WOT condition with engine speed below 1000 RPM.

Run Mode

The run mode has two conditions: Open Loop and Closed Loop. When the engine is first started and engine speed is above 400 RPM, the system goes into Open Loop operation. In Open Loop, the PCM ignores the signals from the oxygen sensors and calculates the required injector pulse width based primarily on inputs from the MAF, IAT and ECT sensors. The system will stay in Open Loop until the following conditions are met:

    • One oxygen sensor has varying voltage output, showing that it is hot enough to operate properly.
    • The ECT sensor indicates above 80°C.
    • A calibrated time delay has elapsed after starting the engine. This delay allows all sensors to stabilize.

When these conditions are satisfied, the PCM goes into Closed Loop operation. In Closed Loop, the PCM adjusts the calculated injector pulse width for each bank of injectors based on the signals from each oxygen sensor.

Acceleration Mode

The PCM monitors changes in TP and MAF sensor signals to determine when the vehicle is being accelerated. The PCM will then increase injector pulse width to provide more fuel for improved driveability.

Deceleration Mode

The PCM monitors changes in TP and MAF sensor signals to determine when the vehicle is being decelerated. The PCM will then decrease injector pulse width or even shut Off injectors for short periods to reduce exhaust emissions.

Battery Voltage Correction Mode

When the PCM sees a low battery voltage condition, it can compensate to maintain acceptable vehicle driveability. It does this by:

    • Increasing the injector pulse width to maintain the proper amount of fuel delivered.
    • Increasing the idle speed to increase generator output.

Load Management Control Mode

When the HVAC controller has a request for rear window defog at idle, the HVAC controller sends a message via Class II Serial Data to the PCM to increase the desired idle speed. The changes to desired idle speed are as follows. At idle in park/neutral desired idle speed will be at least 1040 RPM. When a gear other than park or neutral is selected, the desired idle speed will be at least 704 RPM.

Fuel Shut-Off Mode

The PCM has the ability to completely turn all the injectors Off or selectively turn Off some of the injectors when certain conditions are met. These fuel shut-off modes allow the Northstar powertrain to protect itself from damage and also improve its driveability.

The PCM will disable all eight injectors under the following conditions:

    • Ignition Off (prevents engine run-on).
    • Ignition On but no ignition reference signal (prevents flooding or backfiring).
    • High engine speed (above red line).
    • High vehicle speed (above rated tire speed).
    • Extended high speed closed throttle coastdown (reduces emissions and increases engine braking).

The PCM will selectively disable up to four injectors under the following conditions:

    • Torque Management enabled (transaxle shifts or abusive maneuvers).
    • Traction Control enabled (in conjunction with front brakes applying).
    • Low coolant condition (protects engine from overheating).

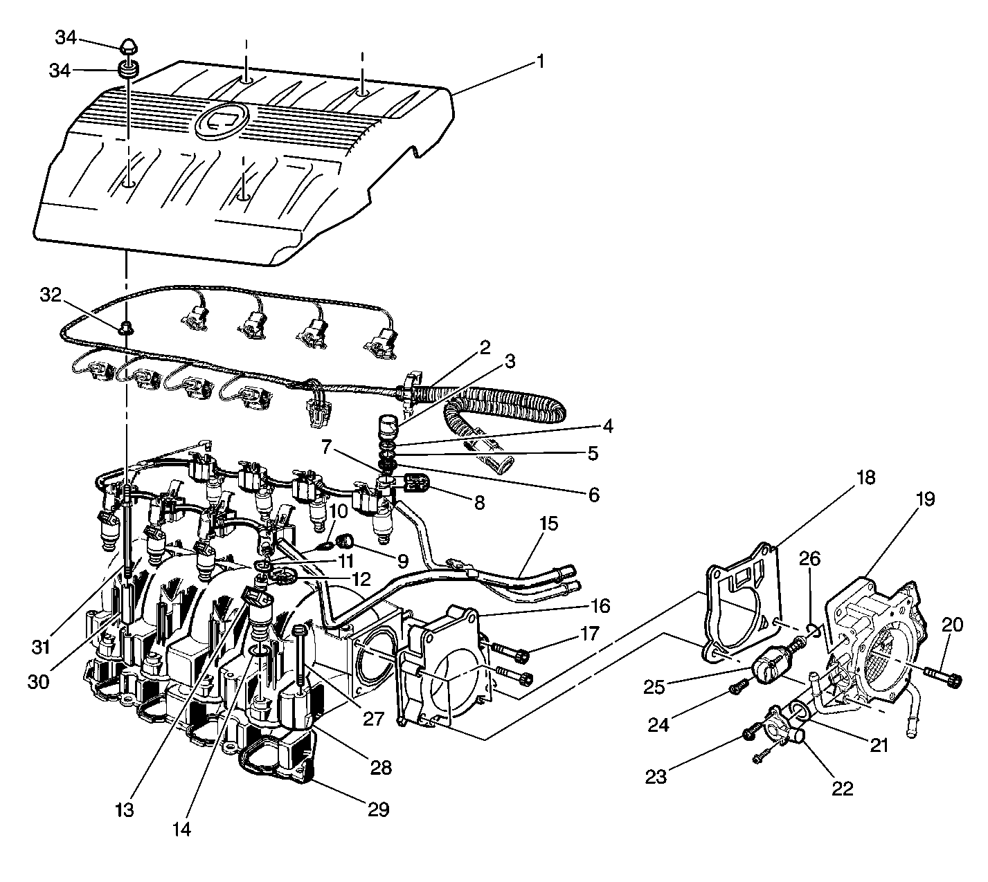
Fuel Metering System Components

Intake Manifold and Throttle Body Components


Object Number: 20421  Size: LF
(1)Cover - Intake Manifold
(2)Wiring Harness Assembly - Fuel Injector
(3)Cartridge Regulator Assembly - Fuel Pressure
(4)Ring - Back Up
(5)O-Ring - Regulator Seal
(6)Filter - Regulator
(7)O-Ring - Regulator Seal
(8)Clip - Regulator Retainer
(9)Cap - Fuel Pressure Connection
(10)Core Assembly - Fuel Pressure
(11)O-Ring - MFI Fuel Injector Upper
(12)Clip - MFI Fuel Injector Retainer
(13)Injector Assembly - MFI Fuel
(14)O-Ring - MFI Fuel Injector Lower
(15)Rail Assembly - Fuel
(16)Spacer - Throttle Body
(17)Screw - Throttle Body Spacer Attaching
(18)Gasket - Throttle Body
(19)Body Assembly - Throttle
(20)Screw - Throttle Body Attaching
(21)O-Ring - TP Sensor
(22)Sensor - Throttle Position (TP)
(23)Screw - TP Sensor Attaching
(24)Screw - IAC Valve Attaching
(25)Valve Assembly - Idle Air Control (IAC)
(26)O-Ring - IAC Valve Assembly
(27)Bolt - Intake Manifold Attaching
(28)Housing Assembly - Intake Manifold
(29)Gasket - Intake Manifold
(30)Spacer - Intake Manifold
(31)Stud - Intake Manifold Cover Attaching
(32)Washer - Cover Grommet
(33)Grommet - Cover
(34)Nut - Cover Attaching

Fuel Pressure Regulator


Object Number: 12249  Size: SH
(1)Regulator Assembly
(2)Pressure Regulator Spring
(3)O-Ring -- Backup
(4)O-Ring -- Large
(5)Filter Screen
(6)Relief Valve
(7)O-Ring -- Small

The fuel pressure regulator is a diaphragm-operated relief valve with fuel pump pressure on one side, and regulator spring pressure and intake manifold vacuum on the other side. The function of the regulator is to maintain a constant 350 kPa fuel pressure across the director spray plate under all operating conditions. The pressure regulator compensates for engine load by increasing fuel pressure as engine intake manifold vacuum drops. The pressure regulator is mounted on the fuel rail.

The cartridge regulator is serviced as a separate component. When servicing the fuel pressure regulator, insure that the back-up O-ring, large O-ring, filter screen, and small O-ring are properly placed on the pressure regulator.

With the ignition On, and engine Off (zero vacuum), system fuel pressure at the pressure test connection should be 317-407 kPa (46-59 psi). If the pressure regulator supplies fuel pressure which is too low or too high, a driveability condition will result.

Fuel Rail


Object Number: 63273  Size: SH
(1)Cartridge Regulator Assembly - Fuel Pressure
(2)Rail Assembly - Fuel Feed And Return Pipes
(3)Fuel Pressure Connection
(4)Injector Assembly

The fuel rail consists of five parts:

    • The fuel feed and fuel return pipe that carries the fuel to each injector.
    • The fuel pressure regulator.
    • The fuel pressure test port.
    • The fuel rail ground strap.
    • Eight individual fuel injectors.

The fuel rail is mounted on the intake manifold and distributes fuel to each cylinder through the individual injectors.

Fuel is delivered from the pump through the fuel feed pipe to the inlet port of the fuel rail pipe. From the fuel feed inlet, fuel is directed to the front rail pipe, then a crossover to the rear pipe, then through the rear rail pipe to the fuel pressure regulator. Fuel in excess of injector needs flows back through the pressure regulator assembly to the outlet port of the fuel rail. Fuel then flows through the fuel return pipe to the fuel tank to begin the cycle again.

Fuel Injector (Typical)


Object Number: 13651  Size: SH
(1)Ball Valve
(2)Director Plate
(3)Injector Coil

The fuel injector is a solenoid device controlled by the PCM that meters pressurized fuel to a single cylinder. When the PCM energizes the injector coil, a normally closed ball valve opens, allowing fuel to flow past a director plate to the injector outlet. The director plate has holes that control the fuel flow, generating a dual conical spray pattern of finely atomized fuel at the injector outlet. Fuel from the outlet is directed at both intake valves, causing it to become further vaporized before entering the combustion chamber.

Fuel injectors will cause various driveability conditions if they will not open, are stuck open, leaking or have a low coil resistance.

Throttle Body


Object Number: 18398  Size: SH
(1)Valve Assembly -- Idle Air Control
(2)Sensor -- Throttle Position
(3)Screws -- Throttle Position Sensor Attaching
(4)Screws -- Idle Air Control Valve Attaching

The throttle body contains a single throttle valve which controls the amount of air delivered to the engine. A coolant passage under the throttle valve heats the throttle body.

The Throttle Position (TP) sensor and Idle Air Control (IAC) valve are mounted on the throttle body. The TP sensor and minimum air stop are not adjustable.

Throttle Position (TP) Sensor

The TP sensor is a potentiometer that is mounted on the throttle body and provides the PCM with information on throttle valve angle. The PCM provides a 5 volt reference signal and a ground to the TP sensor and the sensor returns a signal voltage that changes with throttle valve angle. At closed throttle (close to 0°) the TP sensor output signal is low (below 1 volt) and at WOT (greater than 80°) the TP sensor output signal is high (above 4 volts). Because the TP sensor is not adjustable, the PCM must account for build tolerances that could affect the TP sensor output at closed throttle. The PCM uses a learning algorithm so that it can correct for variations of up to 6° of throttle angle.

The PCM uses TP information to modify fuel control based on throttle valve angle. For example, power enrichment occurs when the throttle angle approaches WOT. Acceleration enrichment occurs when the throttle angle increases rapidly (similar to an accelerator pump on a carburetor). A faulty TP sensor may cause various driveability conditions and should set a DTC.

Idle Air Control (IAC) Valve (Typical)


Object Number: 10172  Size: SH
(1)IAC Valve Assembly
(2)Throttle Blade
(3)Pintle

The purpose of the Idle Air Control (IAC) Valve is to control engine idle speed, while preventing stalls due to changes in engine load.

The throttle plate when closed allows a small amount of air into the intake manifold. However, most of the air for closed throttle engine operation passes through the IAC valve, bypassing the throttle plate. The IAC valve, mounted in the throttle body, controls air flow with a conical valve or pintle. By moving the pintle in towards the seat, air flow is decreased. By moving the pintle out away from the seat, air flow is increased.

The PCM moves the IAC pintle out if engine speed is too low or in if engine speed is too high. The PCM controls IAC valve movement in small steps called counts. The IAC valve position, measured in counts away from the valve seat, can be displayed on the scan tool.

The scan tool displays IAC position in counts. 0 counts indicates the PCM is commanding the IAC to be driven all the way into a fully seated position. This is usually caused by a vacuum leak.

The higher the number of counts, the more air is being commanded to bypass the IAC pintle. 320 counts indicates a fully open position.

Prior to starting the engine and at idle, the PCM calculates the desired position of the IAC valve based on coolant temperature, engine load, engine speed and battery voltage. While the throttle position is off idle, the IAC valve position follows or tracks throttle position to allow for smooth transitions from open to closed throttle.

If the IAC valve is disconnected or disabled with the engine running, the PCM may loose track of the IAC valve position causing erratic or incorrect idle speed. If this occurs, reset the IAC valve by doing the following:

  1. The coolant temperature must be above 0°C (32°F)
  2. The vehicle must be in Park (P) not Neutral (N)
  3. Turn the ignition switch to Lock for 20 seconds

Powertrain Control Module (PCM)

The PCM receives data from various information sensors, determines the required fuel and idle speed values and then controls the IAC valve, eight fuel injectors, and spark advance to maintain the optimum performance and driveability under all driving conditions. For more information on the PCM, refer to Powertrain Control Module Diagnosis .

The fuel pump relay allows the fuel pump to be energized by the PCM. When the ignition is first turned On, the PCM energizes the fuel pump relay for two seconds. This allows the fuel pump to run for two seconds and build up fuel pressure for cranking. The PCM then waits for ignition reference pulses from the Ignition Control Module (ICM). Once the PCM sees references pulses, the PCM energizes the relay to run the fuel pump.

A faulty fuel pump relay may cause long cranking times and should set a Diagnostic Trouble Code.

Engine Coolant Temperature (ECT) Sensor


Object Number: 20478  Size: SH

The ECT sensor is a thermistor (a resistor which changes value based on temperature) mounted in the engine coolant flow. At cold coolant temperatures, the ECT sensor resistance is high and at hot coolant temperatures, the resistance of the sensor is low. The PCM supplies a 5 volt reference signal and a ground to the sensor and measures the voltage signal as it is changed by the sensor. The voltage is close to 5 volts at cold temperatures and close to zero volts at hot temperatures.

The PCM uses ECT information for fuel enrichment, ignition control, canister purge control, idle speed control and Closed Loop fuel control. A faulty ECT sensor may cause various driveability conditions and should set a Diagnostic Trouble Code.

Ignition Control Module (ICM)


Object Number: 142185  Size: SH
(1)Electronic Ignition Control Module
(2)Coil Pack Assembly
(3)Spark Plug Wires
(4)Coil Pack Assembly
(5)Coil Pack Connectors

The ICM provides the PCM with engine speed (4X REF HI), fuel control (1/2X CAM HI), ignition control (Bypass and Ignition Control) and ground reference (REF LO/CAM LO) information. The ICM also provides the PCM with a signal to indicate if the ICM has identified a problem with one of its three sensors (24X Crank). All of these signals are varying voltages that have a maximum of 5 volts.

The PCM uses ICM information for fuel control, idle speed control and ignition control (which it outputs back to the ICM). A fault with any of these signals between the ICM and PCM will cause various driveability conditions and should set a DTC.

Intake Air Temperature (IAT) Sensor


Object Number: 20480  Size: SH

The IAT sensor is a thermistor (a resistor which changes value based on temperature) mounted inside of the air cleaner and measures the air temperature entering the engine. At cold air temperatures, the IAT sensor resistance is high and at hot air temperatures, the resistance of the sensor is low. The PCM supplies a 5 volt reference signal and a ground to the sensor and measures the voltage signal as it is changed by the sensor. The voltage is close to 5 volts at cold temperatures and close to zero volt at hot temperatures.

Manifold Absolute Pressure (MAP) Sensor


Object Number: 142212  Size: SH
(1)MAP Sensor Electrical Connector
(2)MAP Sensor
(3)Intake Manifold

The MAP sensor is mounted on top of the intake manifold and measures the changes in intake manifold pressure which result from engine speed and load changes. The PCM supplies a 5 volt reference signal and a ground to the sensor and the sensor outputs another voltage signal that is proportional to the pressure signal. A high pressure (low vacuum) will produce a signal close to 5 volts and a low pressure (high vacuum) will produce a signal under one volt. The PCM scales the MAP sensor signal in kilo-Pascals (kPa). The MAP signal is the Inverse of what is read on a vacuum gauge. When the MAP value is high, intake vacuum with a vacuum gauge will be low.

The PCM uses MAP information for EGR control and diagnostics. MAP information is also used to determine barometric pressure and for ignition control. A faulty MAP sensor may cause various driveability conditions and should set a DTC.

Mass Air Flow (MAF) Sensor


Object Number: 14079  Size: SH

The Mass Air Flow (MAF) sensor is located in the MAF sensor between the air snorkel and the throttle body. It senses the amount of air entering the intake manifold. This information is required by the PCM to control fuel and emissions.

The MAF sensor used on this vehicle is a hot wire type and is used to measure air flow rate (mass/unit time). The MAF sensor output is a variable frequency square wave based on air mass traveling through the sensor. A low frequency output signal from the MAF sensor indicates low air flow and high frequency indicates high air flow. The MAF sensor has two wires crossing the air stream through it. One senses ambient temperature and the other, the hot wire, is kept at a fixed temperature above the ambient temperature. The MAF sensor senses air flow by measuring the power necessary to keep the hot wire hot, which is proportional to air flow, and converts it to a frequency modulate output signal.

Oxygen Sensors


Object Number: 20422  Size: LH
(1)Cylinder Head
(2)Front Exhaust Manifold
(3)Oxygen Sensor - Bank 2 Sensor 1
(4)Cylinder Head
(5)Oxygen Sensor - Bank 1 Sensor 1
(6)Rear Exhaust Manifold
(7)Y-Pipe
(8)Oxygen Sensor - Bank 1 Sensor 2
(9)Catalytic Converter
(10)Oxygen Sensor - Bank 1 Sensor 3

Four oxygen sensors are mounted in the exhaust system where they monitor the oxygen content in the exhaust stream. There is an oxygen sensor mounted in each exhaust manifold. The exhaust manifold are bolted on to the cylinder head, and one on each end of the catalytic converter. The oxygen sensor located in the front exhaust manifold is the Bank 2 Sensor 1 (Front) sensor. The oxygen sensor located in the rear exhaust manifold is the Bank 1 Sensor 1 (Rear) sensor. The oxygen sensor located in the Y-pipe ahead of the catalytic converter is the Bank 1 Sensor 2 (Pre-converter) sensor. The oxygen sensor located in the catalytic converter outlet is the Bank 1 Sensor 3 (Post-converter) sensor.

An oxygen sensor acts like a battery because it creates its own signal voltage once it reaches operating temperature. This voltage is produced when the oxygen content in the exhaust stream is different than the oxygen content in the atmosphere. A lean condition (high oxygen content in exhaust) will produce a low voltage (near 0 volts) and a rich condition (low oxygen content in exhaust) will produce a high voltage (near one volt). The PCM provides a reference signal voltage (0.45 volts) and a ground to the sensor. The PCM reference voltage is necessary because the oxygen sensors do not provide their own voltage until they reach operating temperature.

The oxygen sensors also incorporate a heating element inside of the sensor housing. This heating element is energized with the ignition On and allows the sensors to reach operating temperatures quickly. The PCM can then use oxygen sensor information sooner after engine startup.

The PCM uses oxygen sensor information during Closed Loop operation to constantly adjust fuel control to reduce exhaust emissions. Because the oxygen sensors provide information sooner after engine start-up, exhaust emissions are reduced. Faulty oxygen sensors will cause various driveability conditions and should set a DTC.

Power Steering Pressure Switch


Object Number: 142263  Size: SH
(1)Power Steering Hose
(2)Power Steering Pressure Sensor Switch
(3)Power Steering Pressure Sensor Switch Connector

The power steering pressure switch is located on the power steering pressure hose between the power steering pump and rack and pinion gear. The power steering pressure switch is normally closed and provides a battery voltage signal to the PCM with no power steering load. When power steering pressure increases to a calibrated level due to steering load (such as full steering lock), the switch opens and causes the signal voltage to the PCM to drop to 0 volt.

The PCM uses the power steering pressure switch signal for idle speed control during high steering loads to maintain a stable idle. A shorted power steering pressure switch may cause a stumble or stall during steering loads and an open switch should set a DTC.

Transaxle Pressure Switch

The transaxle pressure switch is located inside of the transaxle and it composed of five discrete pressure switches that are combined to provide three status indications to the PCM. The PCM then uses these three inputs in a digital format (001, 010, 011, etc.) to determine the six possible transaxle ranges.

The PCM uses the transaxle pressure switch status for idle speed control, transaxle shift control and ignition control. A faulty transaxle pressure switch will cause various transaxle and engine driveability conditions and should set a DTC.

Transaxle Range (TR) Switch

The TR switch (formerly called a PRNDL, P/N or NSBU switch) is mounted externally on the transaxle at the manual shaft. The TR switch provides information to the PCM about the selected gear range of the transaxle. The TR switch identifies whether the transaxle is in Park/Neutral (P/N) or any of the five drive ranges (R/D4/D3/D2/D1). The TR switch is also used to illuminate the backup lamps when the transaxle is in Reverse (R).

The PCM uses TR switch status for idle speed control, and also as a backup to the transaxle pressure switch. If the transaxle pressure switch is faulty, the PCM will select a transaxle gear based on TR switch status. A faulty TR switch should set a DTC.

Vehicle Speed Sensor (VSS)

The vehicle speed sensor (VSS) is a pulse generator mounted in the transaxle. A toothed reluctor ring rotates near a magnetic pickup which produces a varying voltage signal in the pickup coil. This voltage signal varies in proportion to vehicle speed and is sent to the PCM, where it is converted to MPH.

The PCM uses VSS information for fuel economy calculations, idle speed control, transaxle shifts, and to control fuel under certain conditions. A faulty VSS may cause various transaxle and engine driveability conditions and should set a DTC.

Accelerator Controls

Accelerator Cable - Engine Compartment


Object Number: 18927  Size: SH
(1)Accelerator Cable

The accelerator control system is cable type. There are no linkage adjustments. Therefore, the specific cable for each application must be used. The accelerator cable is routed through the groove in the throttle body lever.


Object Number: 24813  Size: SH
(1)Bushing
(2)Washer
(3)Clip

The bushing, washer, and clip hold the pedal assembly in place.

When work has been performed on accelerator controls, always make sure that all components are installed correctly and that linkage and cables are not rubbing or binding in any manner. The throttle should operate freely without bind between full closed and wide open throttle.

The air cleaner element, housing and ducts provide the engine with clean, filtered intake air for the combustion process. A flat air filter element provides maximum air filtration with minimum flow restriction. The air cleaner housing and ducts are designed to allow the maximum air flow possible with a minimum of noise produced and to reduce the potential for water ingestion into the engine.

Insure that the duct to the throttle body and air cleaner housing is properly seated and secured and that the air cleaner housing is latched together properly. An incorrectly assembled air cleaner system may cause excessive noise or may allow unfiltered air to enter the engine. Also, incorrectly installed air cleaner systems may cause fueling or driveability problems by affecting air-flow at the MAF sensor.

Fuel Metering System Fuel Rail Identification

Fuel Rail Assembly Identification


Object Number: 63277  Size: SH

An eight digit identification number (2) is stamped on the fuel rail assembly. The model identification number contains the Julian Date, the year, and the shift. Refer to this model identification number if servicing or part replacement is required.

Names of component parts will be found on the numbered list that accompanies the disassembled view.

Fuel Metering System Operation

System Operation

The function of the fuel and air control system is to manage fuel and air delivery to each cylinder to optimize the performance and driveability of the engine under all driving conditions. The fuel supply is stored in a High Density Polyethylene (HDPE) fuel tank located in front of the rear wheels. The fuel sender allows retrieval of fuel from the tank and also provides information on fuel level. An electric fuel pump contained in the modular fuel sender pumps fuel through nylon pipes and an in-line fuel filter to the fuel rail. The pump is designed to provide fuel at a pressure above the regulated pressure needed by the injectors. Fuel is then distributed through the fuel rail to eight injectors inside the intake manifold. Fuel pressure is controlled by a pressure regulator mounted on the fuel rail. The fuel system in this vehicle is recirculating; this means that excess fuel that is not injected into the cylinders is sent back to the fuel tank by a separate nylon pipe. This removes air and vapors from the fuel as well as keeping the fuel cool during hot weather operation. Each fuel injector is located directly above each cylinder's two intake valves. An accelerator pedal in the passenger compartment is linked to a throttle valve in the throttle body by a cable. The throttle body regulates air flow from the air cleaner into the intake manifold, which then distributes this air to each cylinder's two intake valves. This allows the driver to control the air flow into the engine, which then controls the power output of the engine.

Engine Fueling

Unleaded fuel must be used with all gasoline engines for proper emission control system operation. Using unleaded fuel will also minimize spark plug fouling and extend engine oil life. Leaded fuel can damage the emission control system, and its use can result in loss of emission warranty coverage.

All vehicles with gasoline engines are equipped with an Evaporative Emission Control (EVAP) System that minimizes the escape of fuel vapors to the atmosphere. Information on this system is found in Driveability and Emissions (Powertrain and Emissions System).

The Northstar engine is fueled by eight individual injectors, one for each cylinder, that are controlled by the Powertrain Control Module. The PCM controls each injector by energizing the injector coil for a brief period generally once every other engine revolution. The length of this brief period, or pulse, is carefully calculated by the PCM to deliver the correct amount of fuel for proper driveability and emissions control. The length of time the injector is energized is called the pulse width and is measured in milliseconds (thousandths of a second).

While the engine is running, the PCM is constantly monitoring its inputs and recalculating the appropriate pulse width for each injector. The pulse width calculation is based on the injector flow rate (mass of fuel the energized injector will pass per unit of time), the desired air/fuel ratio, and actual air mass in each cylinder and it is adjusted for battery voltage, short term and long term fuel trim. The calculated pulse is timed to occur as each cylinders intake valves are closing to attain largest duration and most vaporization.

Fueling during crank is slightly different than during engine run. As the engine begins to turn, a prime pulse may be injected to speed starting. As soon as the PCM can determine where in the firing order the engine is, it begins pulsing injectors. The pulse width during crank is based on coolant temperature and barometric pressure.

The Northstar fueling system has several automatic adjustments to compensate for differences in fuel system hardware, driving conditions, fuel used, and vehicle aging. The basis for fuel control is the pulse width calculation described above. Included in this calculation are an adjustment for battery voltage, short term fuel trim, and long term fuel trim. The battery voltage adjustment is necessary since changes in voltage across the injector affect injector flow rate. Short term and long term fuel trims are fine and gross adjustments to pulse width designed to maximize driveability and emissions control. These fuel trims are based on feedback from oxygen sensors in the exhaust stream and are only used when the fuel control system is in closed loop.

Under certain stringent conditions, the fueling system will not energize injectors, individually or in groups, for a period of time. This is referred to as Fuel shut-off. Fuel shut-off is used to improve traction, save fuel, improve starting, and protect the vehicle under certain extreme or abusive conditions.

In case of a major internal problem, the PCM is equipped with a back-up fueling system that will run the engine until service can be performed.

Notice: Do not operate the engine in the back-up fuel for extended periods. Back-up fueling will negatively impact driveability and fuel economy, and may cause damage to the emissions system.

As part of the fueling system, the PCM records and sends data about fueling to the Instrument Panel Cluster from which the IPC calculates fuel economy, range, and fuel used displays. The PCM calculates the amount of fuel delivered to the engine through the injectors based on injector pulse width and flow rate. This data is accumulated and sent to the IPC periodically via the data link.

The PCM controls the fuel injectors based on information it receives from several information sensors. Each injector is fired individually in engine firing order, which is called Sequential Multiport Fuel Injection. This allows precise fuel metering to each cylinder and improves driveability under all driving conditions.

Fuel Quality

Due to increasing awareness towards vehicle emissions (Evaporative and Exhaust) and their impact on the environment, federal regulations are limiting certain characteristics of fuel. These limitations are causing driveability problems that are extremely difficult to diagnose. In order to make a diagnosis, a basic understanding of fuel and its effects on the vehicles fuel system must be gained.

Octane

Octane is a measure of a fuel's ability to resist spark knock. Spark knock occurs in the combustion chamber just after the spark plug fires, when the air/fuel mixture in the cylinder does not completely burn. The remaining mixture spontaneously combusts due to temperature and pressure. This secondary explosion causes a vibration that is heard as a knock (ping). Fuel with a high octane number has a greater resistance to spark knock. This vehicle requires 91 octane ([R+M]/2 method) in order to ensure proper performance of the fuel control system. Using fuel with an octane rating lower than 91 can create spark knock, which would cause the PCM to retard ignition timing to eliminate the knock. In a case such as this, poor engine performance and reduced fuel economy could result. Also, in severe knock cases, engine damage may occur.

Volatility

Volatility is a fuel's ability to change from a liquid state to a vapor state. Since liquid gasoline will not burn, it must vaporize before entering the combustion chamber. The rate at which gasoline vaporizes determines the amount of evaporative emissions released from the fuel system, and therefore has made volatility an environmental concern. The federal government has lowered the maximum allowable volatility, but certain driveability conditions have resulted.

Volatility can be determined through three different tests: the Vapor-Liquid Ratio, the Distillation Curve, and the Reid Vapor Pressure Test (RVP). The Vapor-Liquid Ratio test determines what temperatures must exist to create a vapor-liquid ratio of 20. The distillation curve is a graph showing the relationship between temperature and the percentage of fuel evaporated. The fuel components that boil at relatively low temperatures (below about 90°F) are known as light ends and those that boil at about 300°F are known as heavy ends. The light ends are important for cold starting and cold weather driveability. Heavy ends provide engine power and are important for hot weather driveability. It is the proper mixture of these components that provide proper operation across a wide range of temperatures. However, the distillation curve of a gasoline usually requires laboratory testing. The Reid Vapor Pressure (RVP) test measures the pressure (psi) vaporized fuel exerts within a sealed container when heated to 100°F. Volatility increases proportional to RVP. While RVP can easily be measured in the field, it may be misleading because it is possible for two fuels with the same RVP to have different distillation curves, and therefore, different driveability characteristics.

As stated, improper volatility can create several driveability problems. Low volatility can cause poor cold starts, slow warm ups, and poor overall cold weather performance. It may also cause deposits in the crankcase, combustion chambers and spark plugs. Volatility that is too high could cause high evaporative emissions and purge canister overload, vapor lock, and hot weather driveability conditions. Since volatility is dependent on temperature, different fuels are used during certain seasons of the year, thus creating problems during sudden temperature changes.

Fuel System Deposits

Fuel system deposits can cause various driveability problems. Deposits usually occur during hot soaks after key Off. Poor fuel quality or driving patterns such as short trips followed by long cool down periods can cause injector deposits. This occurs when the fuel remaining in the injector tip evaporates and leaves deposits. Leaking injectors can increase injector deposits. Deposits on fuel injectors affect their spray pattern, which in turn could cause reduced power, unstable idle, hard starts and poor fuel economy.

Intake valve deposits can also be related to fuel quality. While most fuels contain deposit inhibitors, some do not and the effectiveness of deposit inhibitors varies by manufacturer. If intake valve deposits occur, fuel may be suspected. These deposits can cause symptoms such as excessive exhaust emissions, power loss and poor fuel economy.

Sulfur Content

The sulfur content in fuel is also regulated to a certain standard. Premium grades of fuel generally have a lower sulfur content than the less expensive blends. A high sulfur content can promote the formation of acidic compounds that could deteriorate engine oil and increase engine wear. It could also produce excessive exhaust emissions or a rotten egg smell from the exhaust system.

Oxygenated Fuels and Alcohol Content

Notice: Do not use fuels containing methanol in order to prevent damage and corrosion to the fuel system.

Oxygenated fuels contain oxygen in their chemical structure. The advantages that oxygenated fuels offer are improved octane quality, better combustion, and reduced carbon monoxide emissions. The most commonly used oxygenated fuels are ethanol (grain alcohol) and MTBE (Methyl Tertiary Butyl Ether). Ethanol is acceptable if it does not exceed 10% by volume. MTBE is permitted up to 15% by volume.