GM Service Manual Online
For 1990-2009 cars only

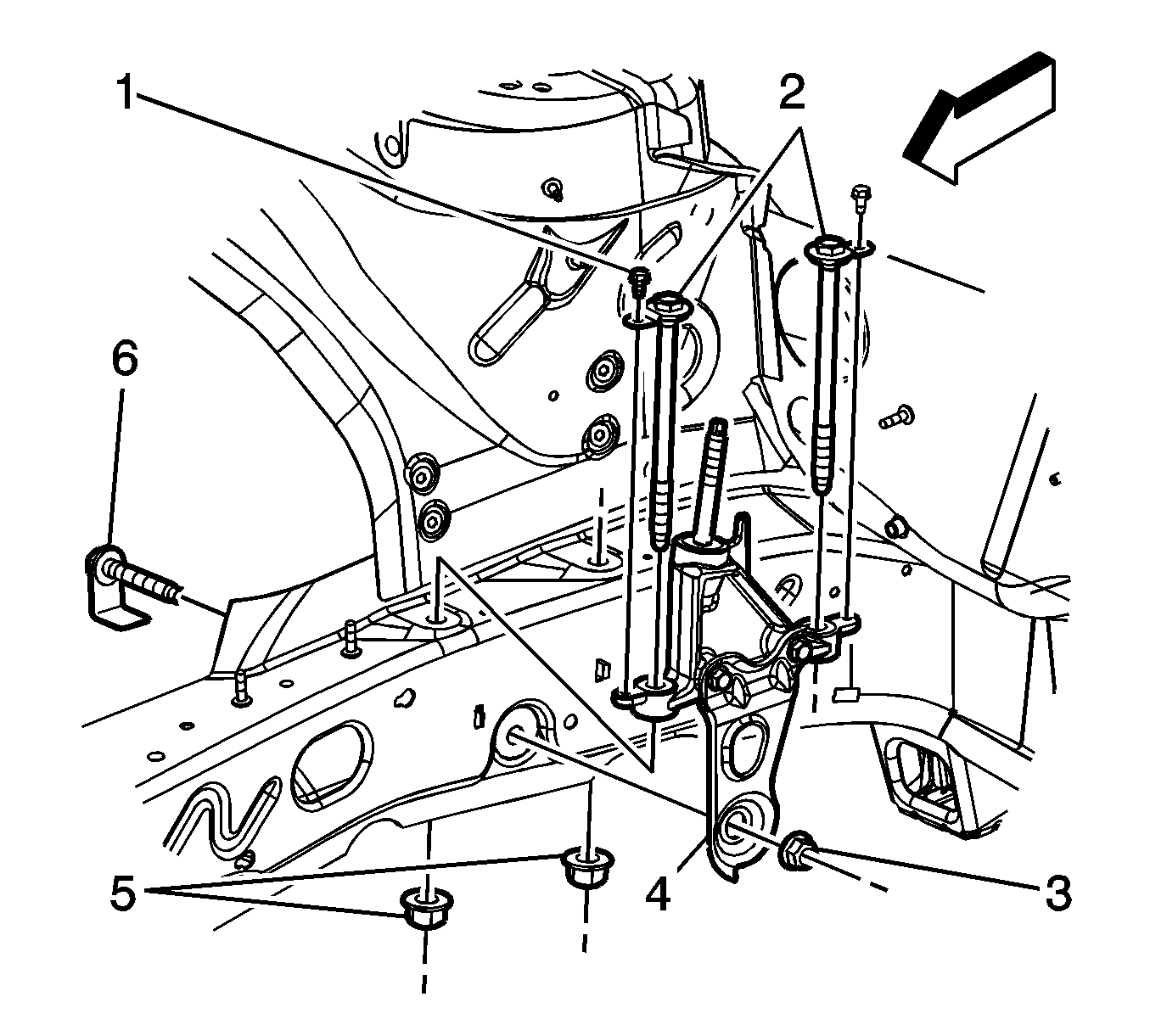
Removal Procedure


    Object Number: 1660853  Size: SH
  1. Remove the engine mount strut. Refer to Engine Mount Strut Replacement - Right Side .
  2. Remove the right front wheel and tire. Refer to Tire and Wheel Removal and Installation .
  3. Remove the engine mount strut bracket bolts (1).
  4. Remove the strut bracket nut (3).
  5. Remove the strut bracket bolt (6).
  6. Remove the strut bracket nuts (5).
  7. Remove the strut bracket bolts (2).
  8. Remove the strut bracket (4).

  9. Object Number: 1660852  Size: SH
  10. Remove the engine mount strut bracket to engine bolts.
  11. Remove the engine mount strut bracket.

Installation Procedure


    Object Number: 1660852  Size: SH
  1. Position the engine mount strut bracket to the cylinder head.
  2. Notice: Refer to Fastener Notice in the Preface section.

  3. Install the engine mount strut bracket to engine bolts.
  4. Tighten
    Tighten the bolts to 50 N·m (37 lb ft).


    Object Number: 1660853  Size: SH
  5. Position the engine mount strut bracket (4) to the front compartment rail.
  6. Install the strut bracket bolts (2).
  7. Install the strut bracket bolt (6).
  8. Install the strut bracket nut (3).
  9. Tighten
    Tighten the nut to 70 N·m (52 lb ft).

  10. Install the strut bracket nuts (5).
  11. Tighten
    Tighten the nuts to 70 N·m (52 lb ft).

  12. Install the strut bracket bolts (1).
  13. Tighten
    Tighten the bolts to 6 N·m (53 lb in).

  14. Install the right front wheel and tire. Refer to Tire and Wheel Removal and Installation .
  15. Install the engine mount strut. Refer to Engine Mount Strut Replacement - Right Side .