GM Service Manual Online
For 1990-2009 cars only

Removal Procedure


    Object Number: 1665457  Size: SH
  1. Remove the fuel injector sight shield. Refer to Fuel Injector Sight Shield Replacement .
  2. Disconnect the engine harness electrical connector (4) from the secondary air injection (AIR) check valve.

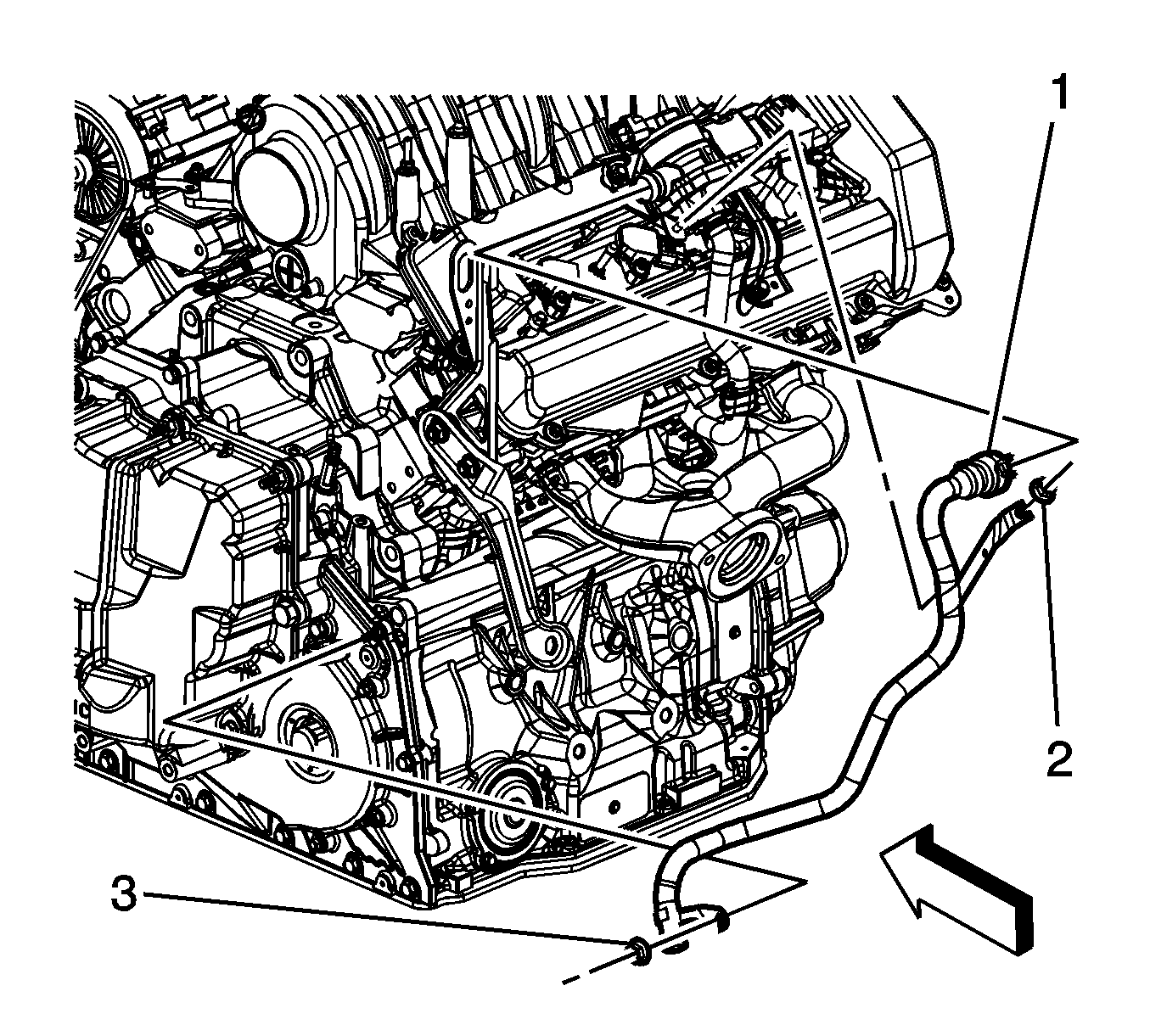
  3. Object Number: 1665399  Size: SH
  4. Pinch the constant tension clamp (1) and remove the AIR pipe from the AIR check valve.

  5. Object Number: 1670476  Size: SH
  6. Remove the AIR check valve to exhaust manifold nuts (3).
  7. Remove the AIR check valve bolts (1).
  8. Remove the AIR check valve.
  9. Remove and discard the AIR check valve to exhaust manifold gasket (4).
  10. Clean the AIR to exhaust manifold gasket sealing surfaces.

Installation Procedure


    Object Number: 1670476  Size: SH
  1. Install a NEW AIR check valve to exhaust manifold gasket (4).
  2. Install the AIR check valve.
  3. Notice: Refer to Fastener Notice in the Preface section.

  4. Install the AIR check valve to exhaust manifold nuts (3).
  5. Tighten
    Tighten the nuts to 9 N·m (80 lb in).

  6. Install the AIR check valve bolts (1).
  7. Tighten
    Tighten the bolts to 9 N·m (80 lb in).


    Object Number: 1665399  Size: SH
  8. Connect the AIR pipe to the AIR check valve.

  9. Object Number: 1665457  Size: SH
  10. Connect the engine harness electrical connector (4) to the AIR check valve.
  11. Install the fuel injector sight shield. Refer to Fuel Injector Sight Shield Replacement .