GM Service Manual Online
For 1990-2009 cars only
Makes
🢒
Cadillac
🢒
2006
🢒
DTS
🢒
Vehicle Control Systems
🢒
Vehicle DTC Information
🢒 Cruise Control Schematics
Figure
1:
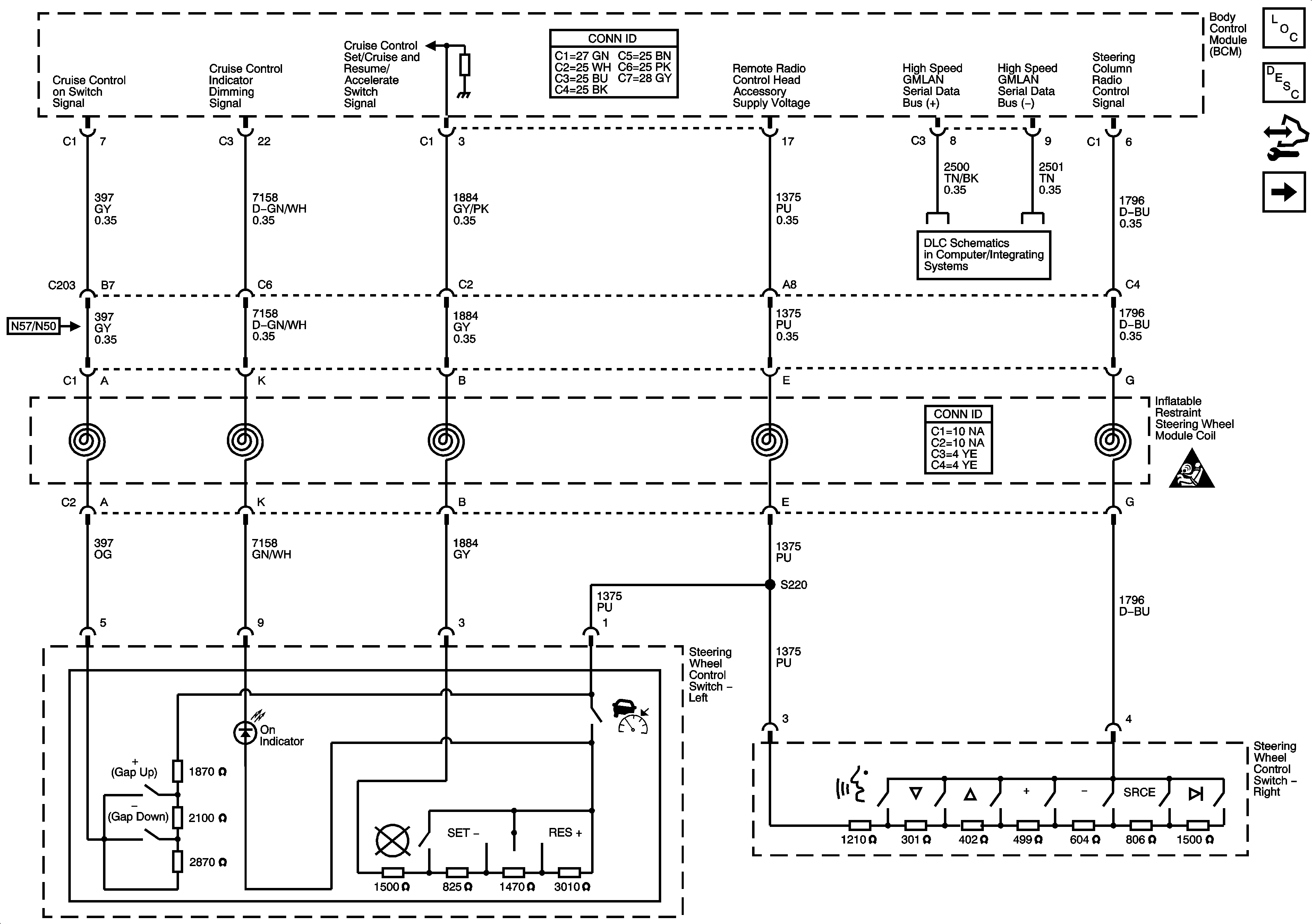
Cruise Control ON/OFF Switch
Master Electrical Component List
Cruise Control Description and Operation (Conventional Cruise Control)
Control Module References
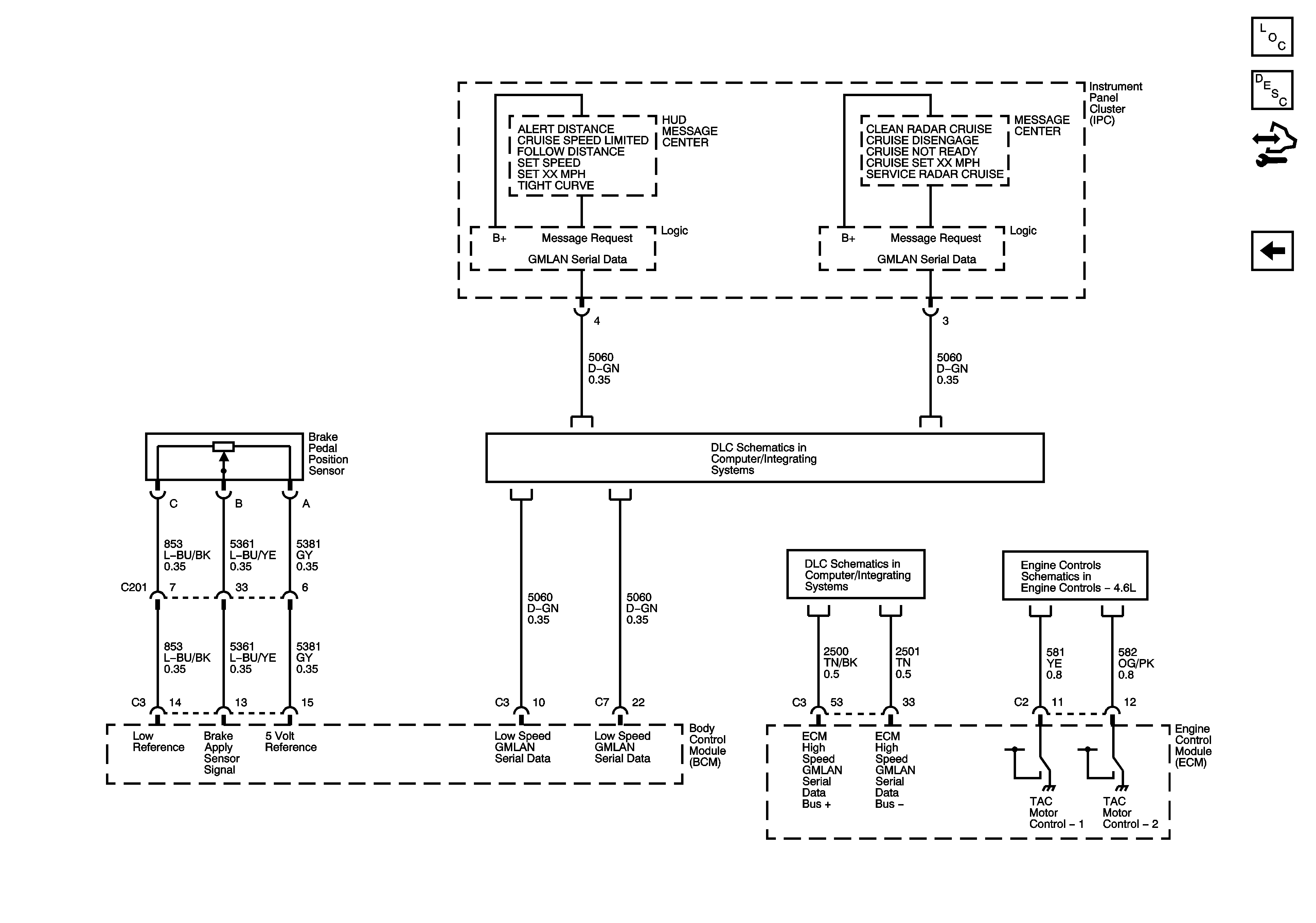
Distance Sensing Cruise Control Module
DLC High Speed Serial Data
Cruise Control Schematic Icons
Figure
2:
Distance Sensing Cruise Control Module
Master Electrical Component List
Cruise Control Description and Operation (Adaptive Cruise Control)
Control Module References
Indicators
Cruise Control ON/OFF Switch
Rear Fuse Block B+ Bus
Rear Fuse Block - AIRBAG, OBJ SNSR, ONSTAR/S-BAND, BODY HARN MDL Fuses
Rear Fuse Block IGN SWTCH, STR/WHL ILLUM Fuses
G104
DLC High Speed Serial Data
Figure
3:
Indicators
Master Electrical Component List
Cruise Control Description and Operation (Conventional Cruise Control)
Control Module References
Distance Sensing Cruise Control Module
DLC Power, Ground, and Low Speed GMLAN
DLC High Speed Serial Data
Engine Data Sensors, APP and Throttle Body Assembly