GM Service Manual Online
For 1990-2009 cars only
Figure 1:

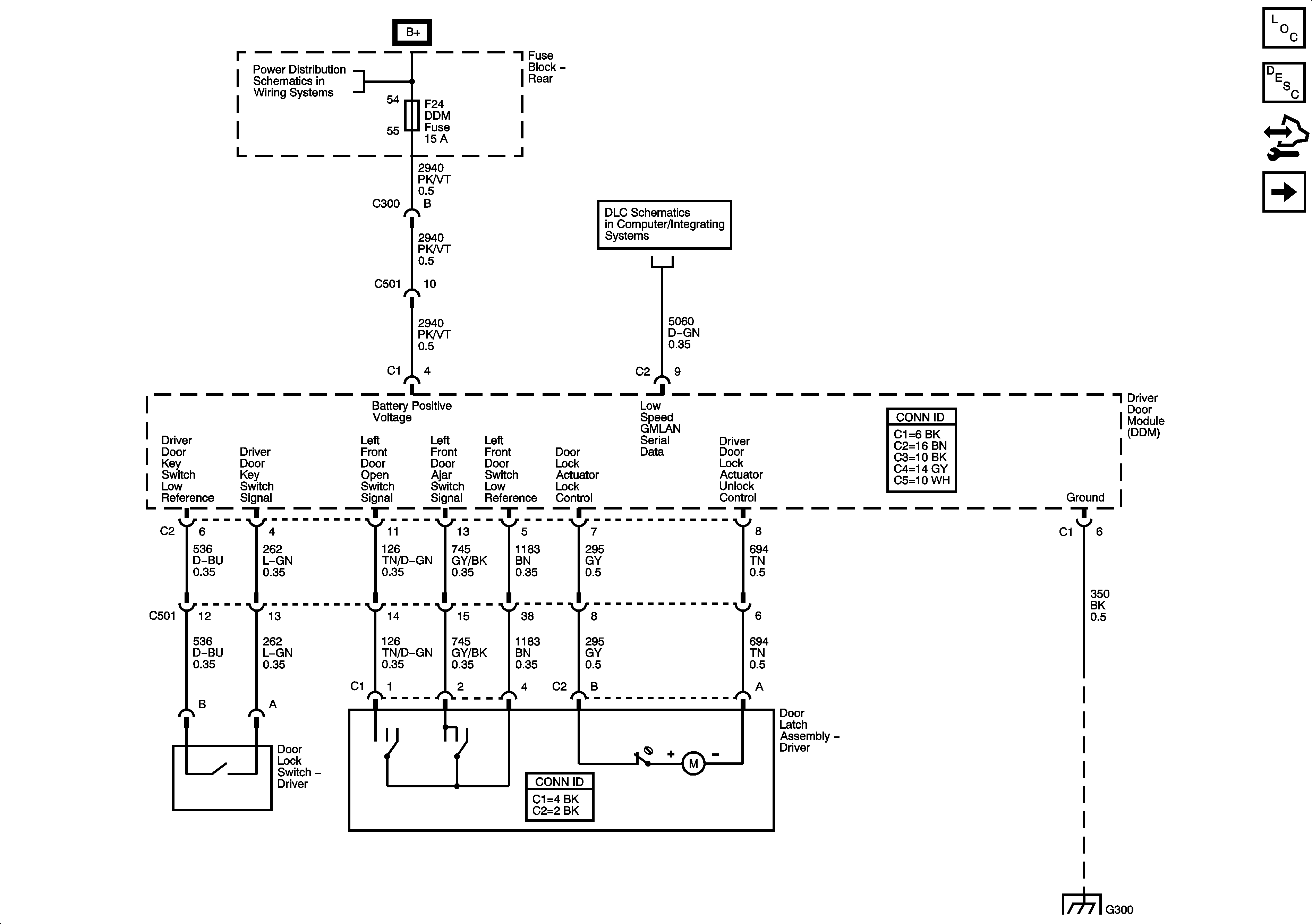
Driver Door Module Power and Ground


Object Number: 1615566  Size: FS
Master Electrical Component List
Power Door Locks Description and Operation
Control Module References
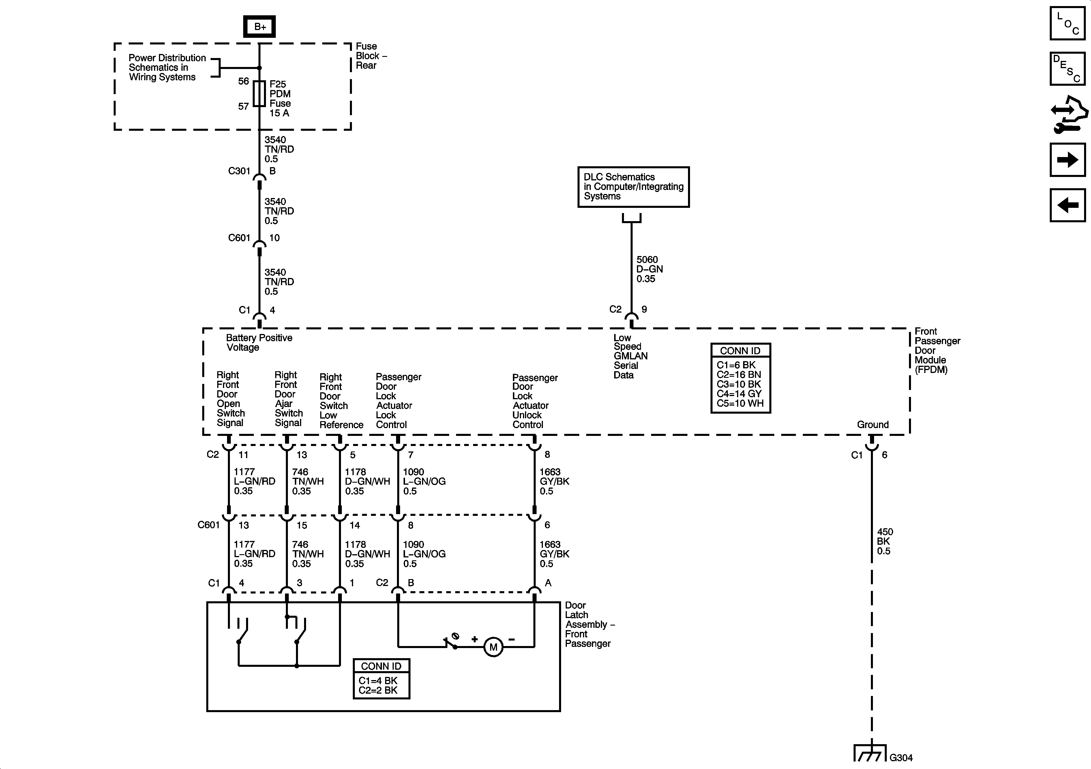
Front Passenger Door Module Power and Ground
Rear Fuse Block B+ Bus
Radio Antenna
G300
Figure 2:

Front Passenger Door Module Power and Ground


Object Number: 1615567  Size: FS
Master Electrical Component List
Power Door Locks Description and Operation
Control Module References
Door Lock, Unlock Relays
Driver Door Module Power and Ground
Rear Fuse Block B+ Bus
Radio Antenna
G304
Figure 3:

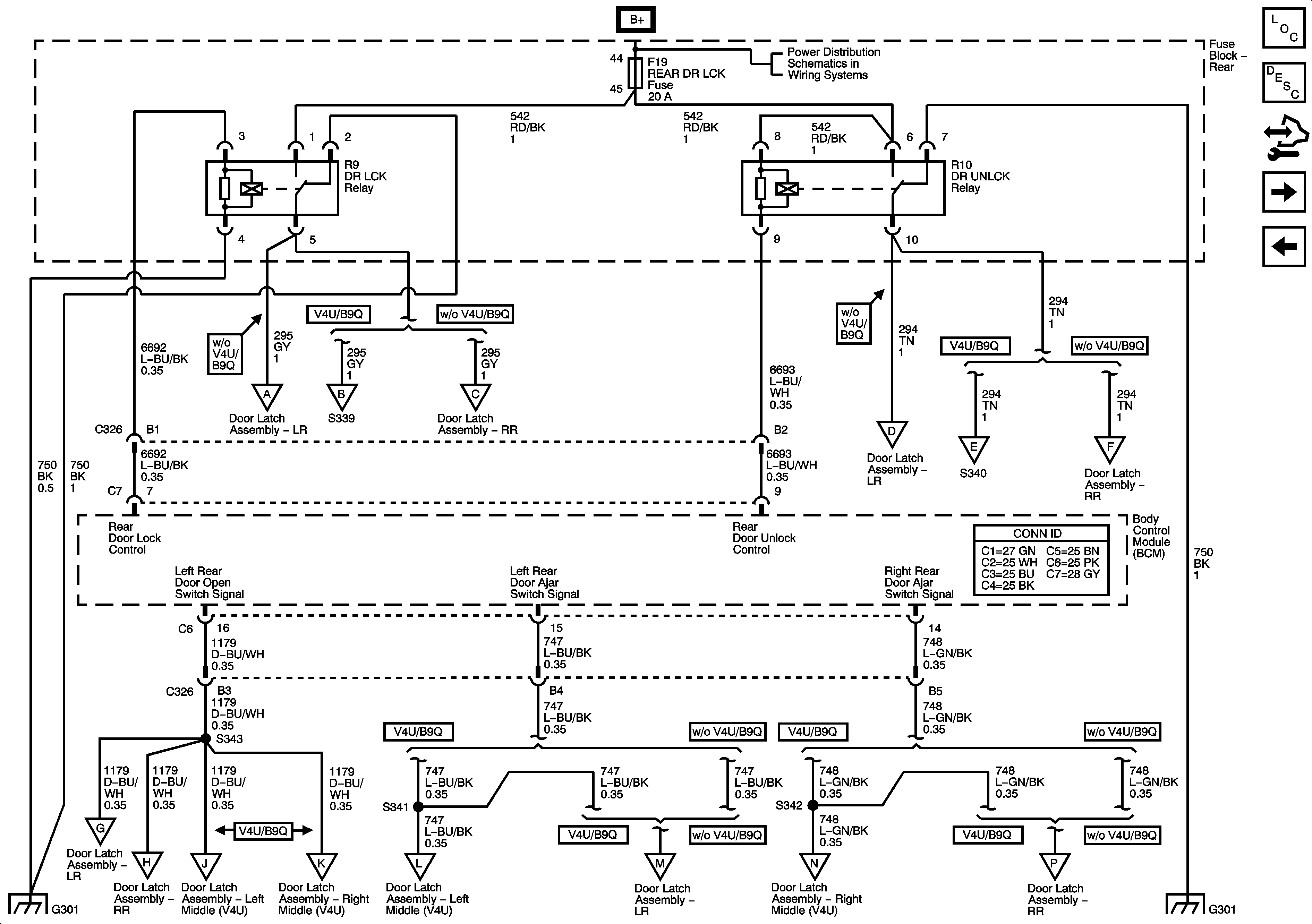
Door Lock, Unlock Relays


Object Number: 1615569  Size: FS
Master Electrical Component List
Power Door Locks Description and Operation
Control Module References
Rear Door Latch Assemblies
Front Passenger Door Module Power and Ground
Rear Fuse Block B+ Bus
Rear Door Latch Assemblies
Middle Door Latch Assemblies - V4U
Rear Door Latch Assemblies
Rear Door Latch Assemblies
Middle Door Latch Assemblies - V4U
Rear Door Latch Assemblies
G301
Rear Door Latch Assemblies
Middle Door Latch Assemblies - V4U
Rear Door Latch Assemblies
Middle Door Latch Assemblies - V4U
Rear Door Latch Assemblies
Middle Door Latch Assemblies - V4U
Rear Door Latch Assemblies
G301
Figure 4:

Rear Door Latch Assemblies


Object Number: 1615571  Size: FS
Master Electrical Component List
Power Door Locks Description and Operation
Control Module References
Middle Door Latch Assemblies - V4U
Door Lock, Unlock Relays
Door Lock, Unlock Relays
Door Lock, Unlock Relays
Middle Door Latch Assemblies - V4U
Door Lock, Unlock Relays
Middle Door Latch Assemblies - V4U
Door Lock, Unlock Relays
Door Lock, Unlock Relays
Door Lock, Unlock Relays
Middle Door Latch Assemblies - V4U
Door Lock, Unlock Relays
Middle Door Latch Assemblies - V4U
Door Lock, Unlock Relays
G301
G304
Figure 5:

Middle Door Latch Assemblies - V4U


Object Number: 1615574  Size: FS
Master Electrical Component List
Power Door Locks Description and Operation
Control Module References
Rear Door Latch Assembly - B9Q
Rear Door Latch Assemblies
Door Lock, Unlock Relays
Rear Door Latch Assemblies
Rear Door Latch Assemblies
Rear Door Latch Assembly - B9Q
Door Lock, Unlock Relays
Door Lock, Unlock Relays
Door Lock, Unlock Relays
Door Lock, Unlock Relays
Door Lock, Unlock Relays
Rear Door Latch Assembly - B9Q
Rear Door Latch Assemblies
Rear Door Latch Assemblies
G301
G304
Figure 6:

Rear Door Latch Assembly - B9Q


Object Number: 1615575  Size: FS
Master Electrical Component List
Power Door Locks Description and Operation
Control Module References
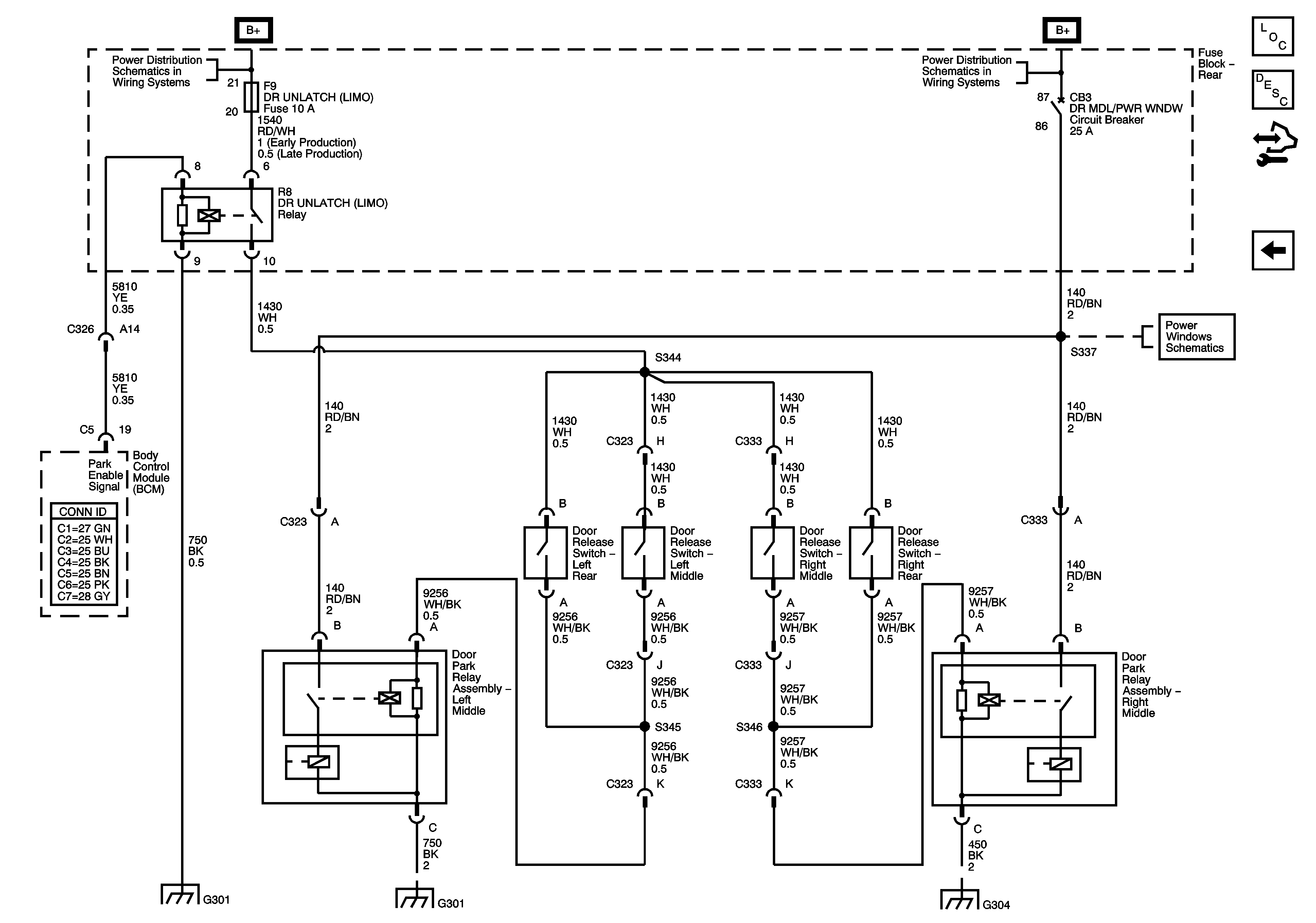
Door Release Switches - V4U
Middle Door Latch Assemblies - V4U
Rear Fuse Block B+ Bus
Middle Door Latch Assemblies - V4U
Middle Door Latch Assemblies - V4U
G402
Figure 7:

Door Release Switches - V4U


Object Number: 1615577  Size: FS
Master Electrical Component List
Power Door Locks Description and Operation
Control Module References
Rear Door Latch Assembly - B9Q
Rear Fuse Block B+ Bus
G301
G301
G304
Window Motors
Rear Fuse Block B+ Bus