GM Service Manual Online
For 1990-2009 cars only
Makes
🢒
Cadillac
🢒
2006
🢒
DTS
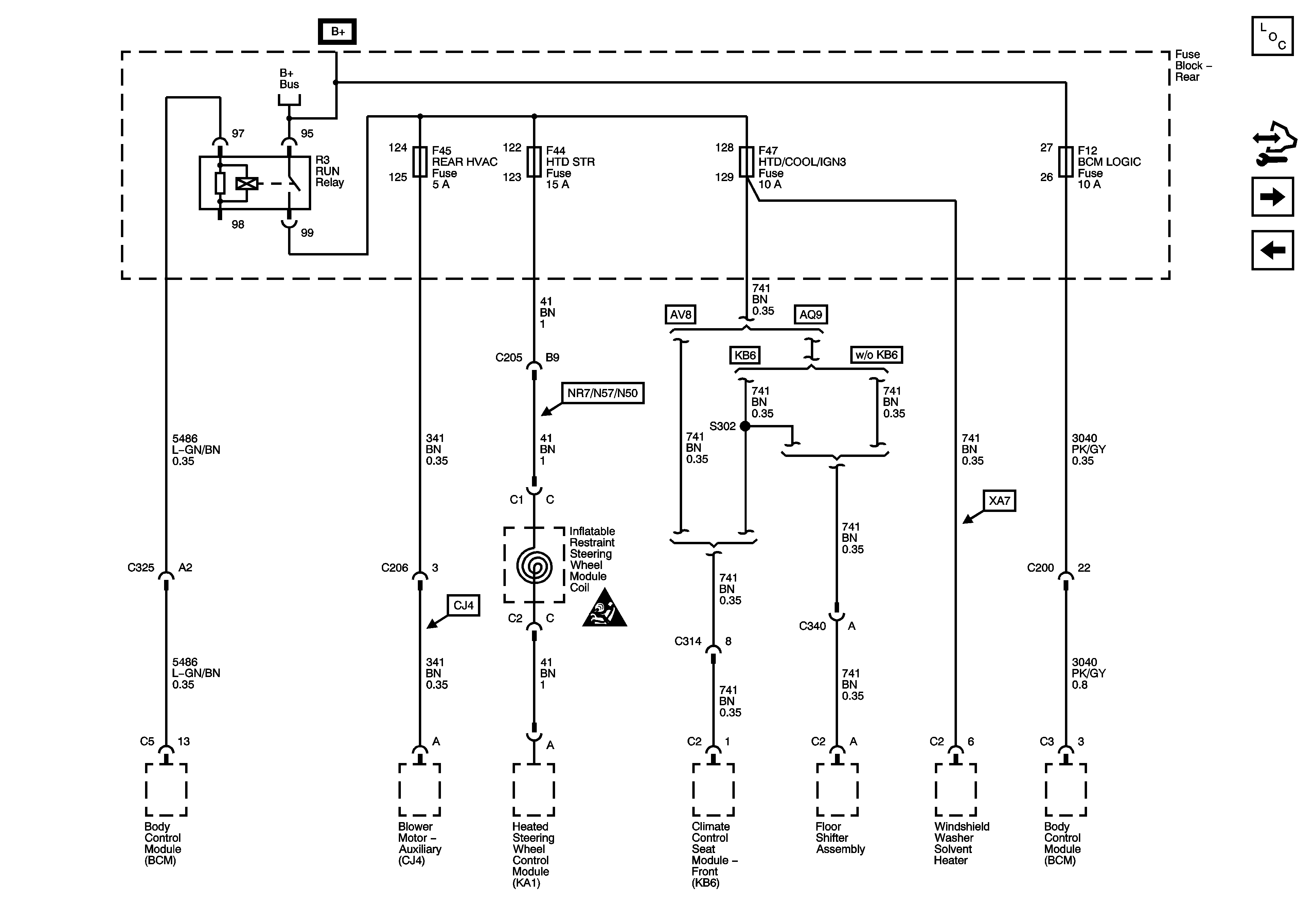
🢒 Rear Fuse Block - RUN Relay, REAR HVAC, HTD STR, HTD/COOL/IGN3, BCM LOGIC Fuses
Rear Fuse Block - RUN Relay, REAR HVAC, HTD STR, HTD/COOL/IGN3, BCM LOGIC Fuses
Rear Fuse Block - RUN Relay, REAR HVAC, HTD STR, HTD/COOL/IGN3, BCM LOGIC Fuses
Master Electrical Component List
Control Module References
Rear Fuse Block IGN SWTCH, STR/WHL ILLUM Fuses
Rear Fuse Block - RR HTD/SEAT, HTD/COOL, DDM, PDM, RDO, AMP, NAV Fuses
Rear Fuse Block B+ Bus
Power and Grounding Schematic Icons