GM Service Manual Online
For 1990-2009 cars only
Makes
🢒
Cadillac
🢒
2006
🢒
DTS
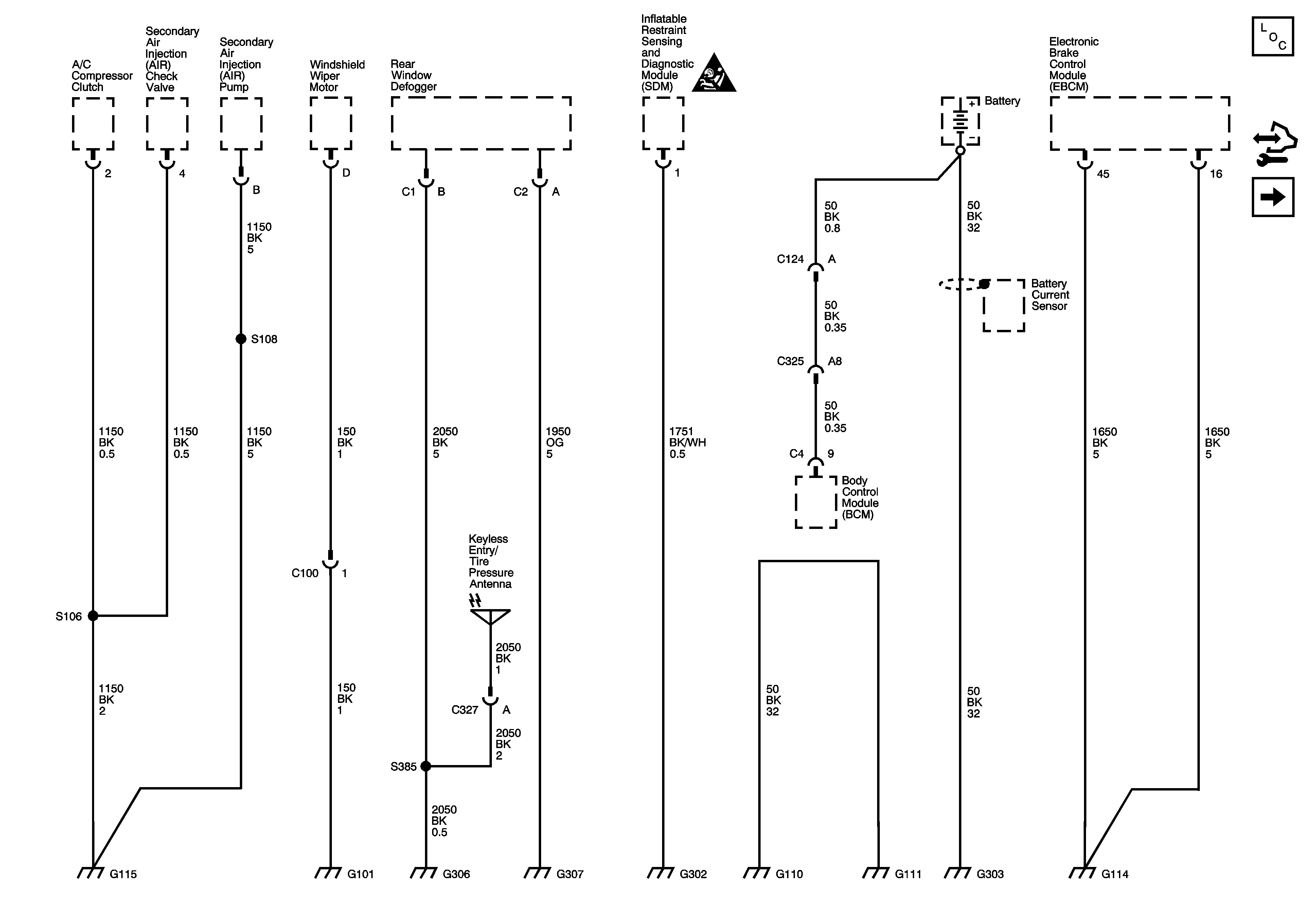
🢒 G101, G110, G111, G114, G115, G302, G303, G306, G307
G101, G110, G111, G114, G115, G302, G303, G306, G307
G101, G110, G111, G114, G115, G302, G303, G306, G307
Master Electrical Component List
Control Module References
G100, G112
Power and Grounding Schematic Icons